My front driver side turn signal wires burnt up?

1998 MAZDA PROTEGE
235,000 MILES • 1.5L • 4 CYL • 2WD • AUTOMATIC
Avatar
MALINA7
  • MEMBER
  • 22 POSTS
I'm not sure why but i traced it and it went all the way to the bottom of the dash. There was a short or open wire somewhere between there and there. i would like the schematics so that i can put new wires and not mess it up. thank you
Aug 20, 2022 at 10:32 PM
Advertisement
Avatar
STRAILER
  • CERTIFIED EXPERT
  • 53,854 POSTS
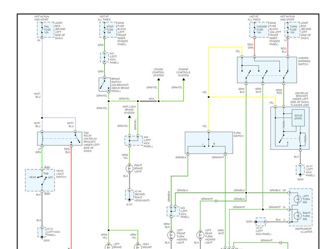
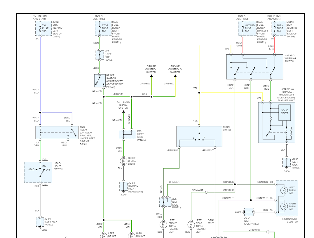
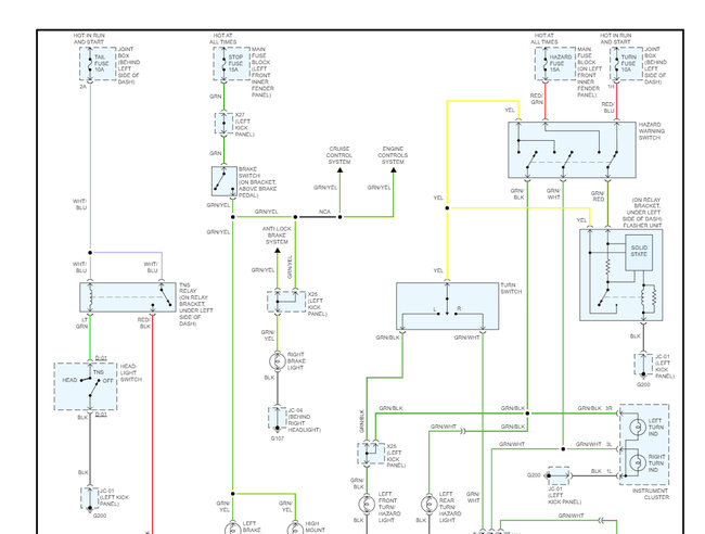
Yep, here are the turn signal wiring diagrams and a guide to help you test the connection once the job is completed:

https://www.2carpros.com/articles/how-to-check-wiring

Check out the diagrams (below). Please let us know if you need anything else to get the problem fixed.
Aug 21, 2022 at 10:57 AM
Avatar
MALINA7
  • MEMBER
  • 22 POSTS
So, my previous question I asked, was about the wiring schematics for my front blinkers because the wires burned up for some reason. Thank you by the way.

With all the wires, only three were burnt start to end but there's a lot of other ones that were surrounding those burnt wires so throughout out a lot of them are melted, stuck together and some spots have wires exposed. I started doing one wire at a time, checking it for damage and taping it up as I go. So, my question is; What do you suggest I do at this point?
Someone told me to just go to pick n pull and cut the wiring from another Mazda and just replace it. Sounds simple enough, I guess, but I'm not sure where and where I should cut. This has become such a big headache. And I'm not too sure what to do at this point?
Aug 22, 2022 at 3:00 PM
Advertisement
Avatar
STRAILER
  • CERTIFIED EXPERT
  • 53,854 POSTS
Yep, you will need to make the call on what you want to do, replace each wire that is burned or just a harness and then cut the wires you need a splice them together. How many wires are involved do you think?
Aug 23, 2022 at 11:58 AM