Blinker turn signal switch

2011 GMC SIERRA
141,000 MILES • 3.7L • 6 CYL • 2WD • AUTOMATIC
Avatar
OUTLAW1974
  • MEMBER
  • 1 POST
Put in left turn does nothing. off position and right turn signal show turning right service airbag light is on water over bumper yesterday an in floorboard.
Aug 30, 2017 at 5:45 AM
Advertisement
Avatar
STRAILER
  • CERTIFIED EXPERT
  • 53,855 POSTS
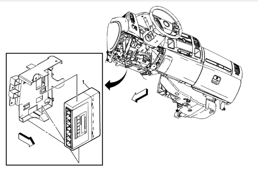
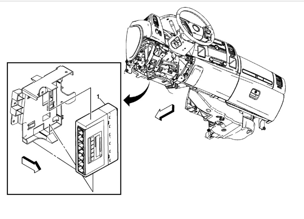
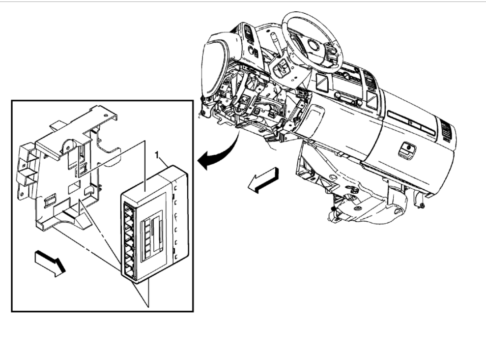
It sounds like the BCM got wet here is the location. I would try to unplug it and let it dry out for a couple of days while checking the terminals for corrosion. Disconnect the battery first leave the doors open as well. If that does work try a used BCM

Upload pictures of the problem will help.

Please let us know what happens.

Cheers, Ken
Aug 30, 2017 at 5:49 PM