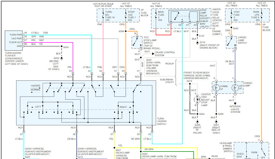
Truck listed above is a c1500. I have no blinkers and only hazards. when I use my turn signal either left or right while I have the lights off, it just turns on the hazards. when I turn the lights on, the blinker lights on the dash stay lit and do nothing when you flip the switch either left or right.
(Don’t come on, blinkers/hazards)
The fuses are all good and I’ve changed the multi-function switch and relay already. I have no idea where to go from there. Any help would be much appreciated.
(Don’t come on, blinkers/hazards)
The fuses are all good and I’ve changed the multi-function switch and relay already. I have no idea where to go from there. Any help would be much appreciated.
Oct 10, 2020 at 10:14 PM



