When we turn the right blinker on, the right blinker blinks dimly?
1999 GMC SAVANA
215,000 MILES • 6 CYL • TURBO • 4WD • AUTOMATIC
KELSEYGOODMAN07
MEMBER
1 POST
FOLLOW
When we turn on the left blinker, both sides begin to flash brightly, as if we have our hazards on. This happens in the front and back.
Mar 31, 2024 at 4:57 PM
Advertisement
STRAILER
CERTIFIED EXPERT
53,854 POSTS
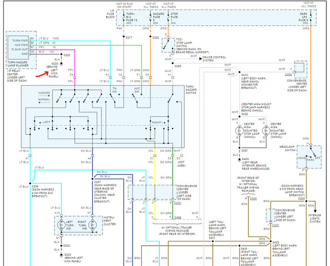
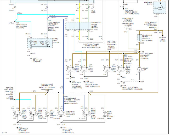
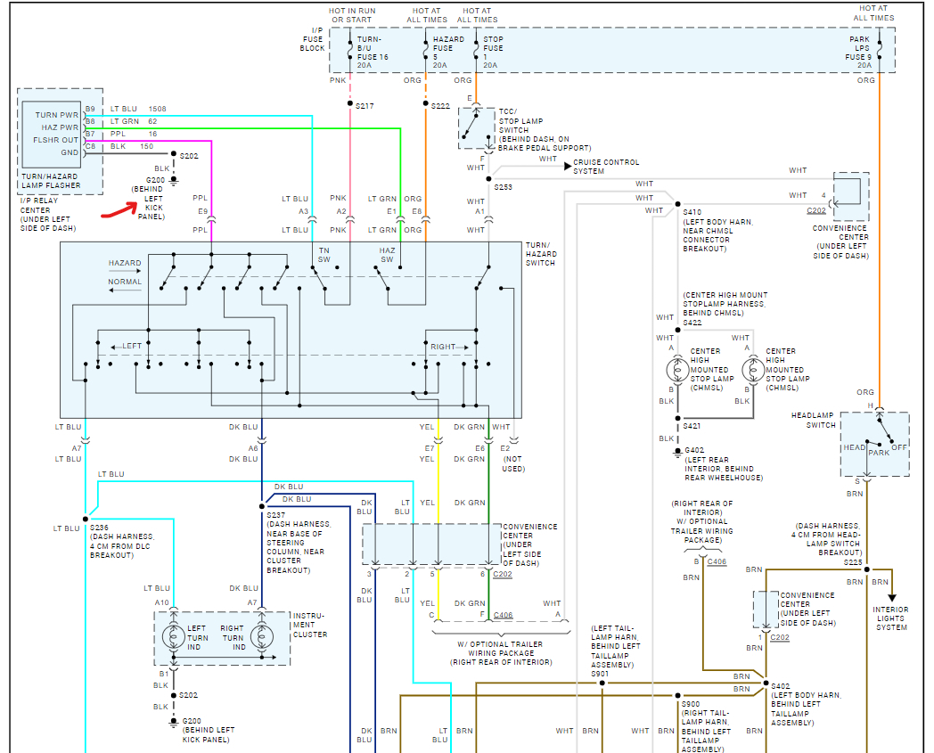
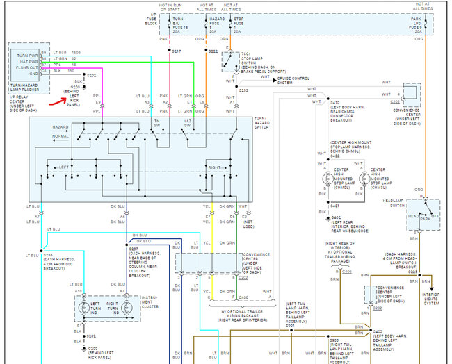
It sounds like you may have a bad ground for the turn/hazard flasher, or the flasher is bad, here is the location for the unit and I have included the blinker wiring diagrams so you can see how the system works. Here is the location for the flasher so you can check it out. Please check the fuses as well. Check out the images (below). Please let us know what happens.