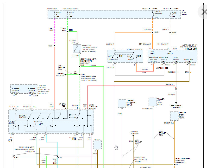
blinker and hazards do not work

1997 MERCURY MARQUIS
925,000 MILES • V8 • 2WD • AUTOMATIC
Avatar
SALROB
  • MEMBER
  • 1 POST
Can't locate relay.. Empty socket in fuse box, another in trunk. Can I use either or without causing a problem or reaction, or where is other socket located ?
Mar 11, 2021 at 1:59 PM
Advertisement
Avatar
KASEKENNY
  • CERTIFIED EXPERT
  • 18,907 POSTS
Your vehicle does not use a relay for the turn signals or hazards. You have what is called a lighting control module. So if you have no operation then we need to check the voltage coming out of the LCM.

https://www.2carpros.com/articles/how-to-check-wiring

So if you have no voltage coming out then you need to replace the LCM assuming that the LCM is getting the switch input which is most likely there but worth checking to make sure. However, it is unlikely that both the turn signal switch and hazard switch stopped working.

Let me know if you have questions and we can go from there. Thanks
Mar 12, 2021 at 4:26 PM