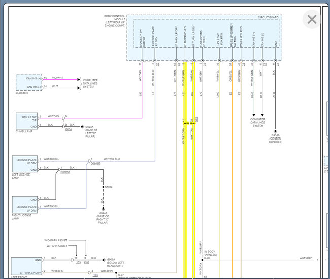
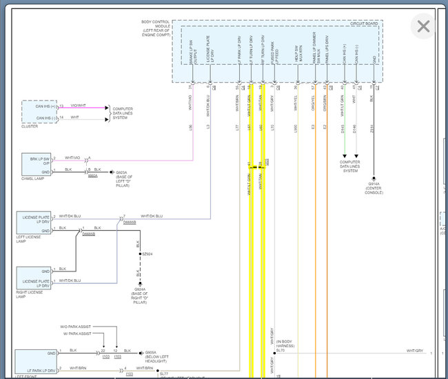
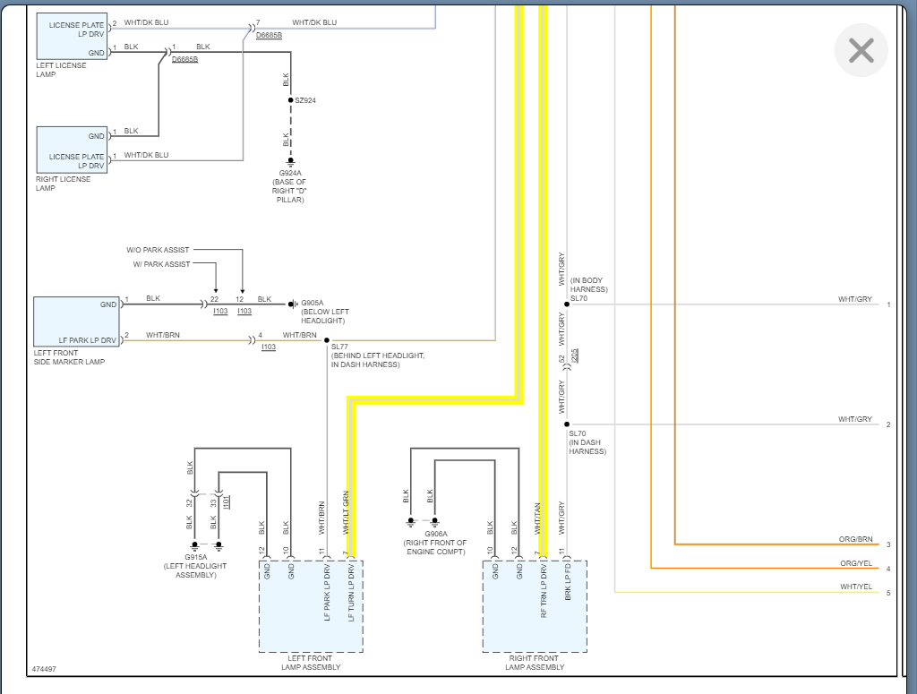
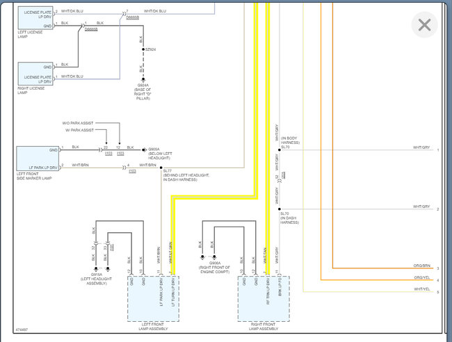
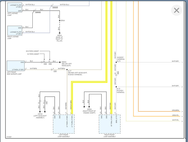
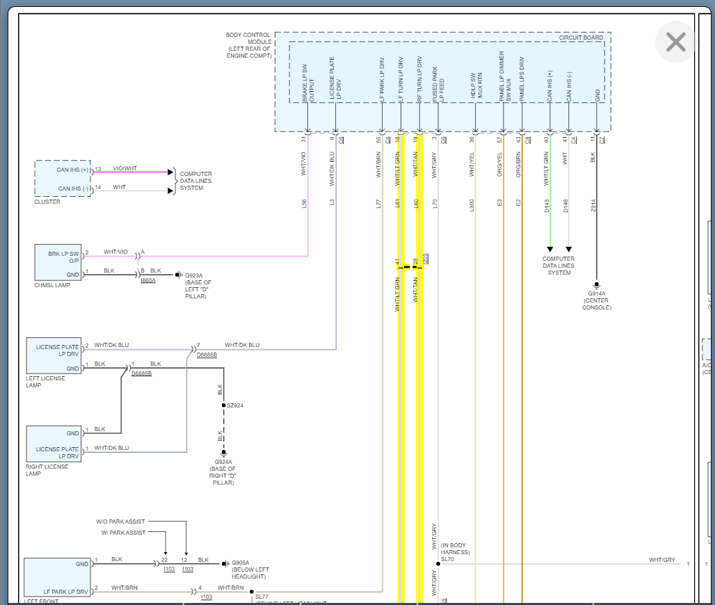
Me and my husband replaced my headlights after an accident I had in my car. Now my turn signals only work with my headlights off. When my headlights are on, they don’t work at all. Back turn signals seem to work fine though,
May 23, 2022 at 10:25 AM

