☰
Login
Join
×
Home
Answered Questions
Repair Topics
Repair & Service Guides
Popular Questions
Warning Lights
Trouble Codes
How It Works
Testing / Diagnostics
Symptoms
Videos
Login
Become a Member
Home
Lincoln
Town Car
General
Noises
Click
Clicking sound, blowing cold air only
1995 LINCOLN TOWN CAR
100,000 MILES
BSBALOH
MEMBER
3 POSTS
FOLLOW
What is the trick for clamping off one of the heater hoses to provide warm air only?
Feb 2, 2020 at 2:22 AM
Advertisement
ASEMASTER6371
CERTIFIED EXPERT
52,796 POSTS
Good morning,
If you clamp off one hose, you will have no heat. I do not know who told you that but that is incorrect information.
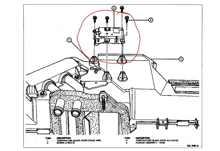
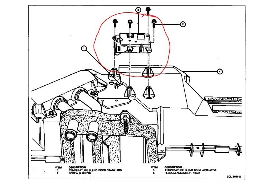
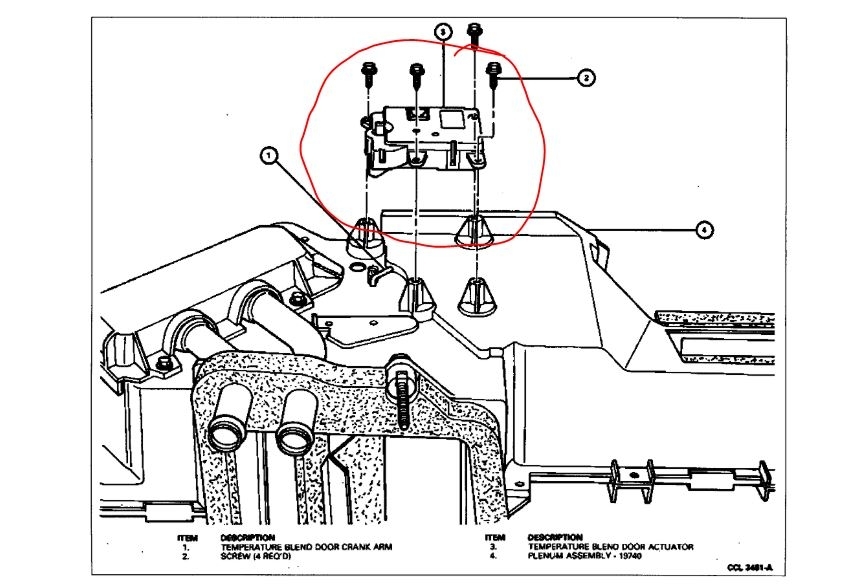
The clicking is from the blend door actuator which moves the mode door from cold to hot mode.
https://www.2carpros.com/articles/replace-blend-door-motor
Roy
Images (Click to enlarge)
Feb 2, 2020 at 3:29 AM