Blend door to air conditioner

2002 GMC ENVOY
90,000 MILES • V8 • 2WD • AUTOMATIC
Avatar
CAROL HALL
  • MEMBER
  • 1 POST
Where is/are the blend door(s) located on my car or rather are they going to be located at a very difficult place to replace? I was told the worst part of replacing was getting to where they are located in order to replace. Thank you.
Jun 27, 2018 at 12:12 PM
Advertisement
Avatar
JACOBANDNICKOLAS
  • CERTIFIED EXPERT
  • 110,175 POSTS
Hi and thanks for using 2CarPros.com.

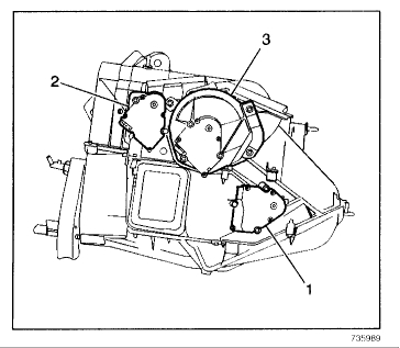
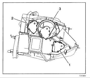
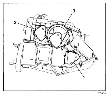
They are under the dash and not easy to get to. Here are the directions for accessing and repairing the blend air door. The first two pictures are of the actuators. Keep in mind, there is one for the left and one for the right. These items are located under the dashboard primarily behind the glove box area.

Here are the directions for replacement from alldata. Picture 4 correlates with these directions. This is for the right side control.


2002 GMC Truck Envoy 2WD L6-4.2L VIN S
Vehicle » Heating and Air Conditioning » Air Door » Air Door Actuator / Motor » Service and Repair » Manual Control » Air Temperature Actuator » Right
RIGHT
REMOVAL PROCEDURE
Remove the I/P carrier.
Remove the right side air temperature actuator retaining screws.
Disconnect the right side air temperature actuator electrical connector.
Remove the right side air temperature actuator.
INSTALLATION PROCEDURE
Install the right side air temperature actuator.
NOTE: Refer to Fastener Notice in Service Precautions.
Install the right side air temperature actuator retaining screws.
Tighten
Tighten the screws to 1.9 N.m (17 lb in) .
Connect the right side air temperature actuator electrical connector.
Install the I/P carrier.
Recalibrate the air temperature actuator on vehicles equipped with automatic climate control (C68). Refer to Re-Calibrating Actuators (Primary) or Re-Calibrating Actuators (Auxiliary HVAC).

__________________________________________
Directions for the left side: Picture 5 correlates with these directions,

CONVERSION CALCULATOR

2002 GMC Truck Envoy 2WD L6-4.2L VIN S
Vehicle » Heating and Air Conditioning » Air Door » Air Door Actuator / Motor » Service and Repair » Manual Control » Air Temperature Actuator » Left
LEFT
REMOVAL PROCEDURE



Remove the I/P carrier.
Remove the left side air temperature actuator (1) retaining screws.
Disconnect the left side air temperature actuator electrical connector.
Remove the left side air temperature actuator.
INSTALLATION PROCEDURE



Install the left side air temperature actuator (1).
NOTE: Refer to Fastener Notice in Service Precautions.

Install the left side air temperature actuator retaining screws.
Tighten
Tighten the screws to 1.9 N.m (17 lb in) .

Connect the electrical connector to the left side air temperature actuator.
Install the I/P carrier.
Calibrate the air temperature actuator on vehicles equipped with automatic climate control (C68). Refer to Re-Calibrating Actuators (Primary) or Re-Calibrating Actuators (Auxiliary HVAC).


I hope this helps you. Let me know if you have other questions.

Take care,
Joe

Jun 27, 2018 at 7:21 PM