How many Blend Door Actuators does this truck have and where are they located?

2002 GMC SIERRA
316,000 MILES • 6.0L • V8 • 2WD • AUTOMATIC
Avatar
GUNNERGARIDEL
  • MEMBER
  • 32 POSTS
I have the truck listed above 1500HD with A/C.

It is a single climate control. It does not have dual passenger climate control.

Jan 1, 2022 at 10:38 AM
Advertisement
Avatar
JACOBANDNICKOLAS
  • CERTIFIED EXPERT
  • 110,175 POSTS
Hi,

There should only be one. If you look at picture 1 below, I highlighted its location.

The remaining pictures are the directions for removal and replacement.

I'm not sure of the problem you are having, but if there is something I can help with, let me know. Additionally, here is a link that explains in general how one is replaced. It may actually be more helpful.

https://www.2carpros.com/articles/replace-blend-door-motor

Let me know if this helps or if you have other questions.

Take care,

Joe

See pics below. Note: The last pic is the recalibration steps which is basically removing power from the HVAC module for at least a minute.
Jan 1, 2022 at 11:27 PM
Avatar
GUNNERGARIDEL
  • MEMBER
  • 32 POSTS
Thank you so much! Especially the part about recalibration!
If i have any questions, i'll get back to you.
Happy New Year!
Jan 2, 2022 at 12:21 AM
Advertisement
Avatar
JACOBANDNICKOLAS
  • CERTIFIED EXPERT
  • 110,175 POSTS
You are very welcome. Let me know how things turn out for you. If I can help in any way, let me know.

Take care and Happy New Year to you, as well.

Joe
Jan 2, 2022 at 6:08 PM
Avatar
GUNNERGARIDEL
  • MEMBER
  • 32 POSTS
Greetings, again! I have seen reference to 'DTC'. I assume the D = Diagnostic and the C = Code, but I'm not so sure about the 'T'. is the T = Trouble?
If I'm wrong, please enlighten me.
Jan 2, 2022 at 8:37 PM
Avatar
JACOBANDNICKOLAS
  • CERTIFIED EXPERT
  • 110,175 POSTS
Hi,

DTC simply stands for diagnostic trouble codes. Basically, the codes that are stored in a vehicle's computer identify a potential cause to a problem or the problem itself.

For example, the DTC P0301 is a code that identifies a cylinder 1 misfire. There are many DTCs or codes.

To retrieve DTC, you need a scan tool on vehicles after 1995. Before then, you could retrieve them with or without one. The year 1995 was the turning point or change over from OBD1 to OBD2 diagnostic systems. (OBD = On Board Diagnostics).

If you watch this quick video, it explains how DTC's are retrieved.

https://youtu.be/b2IJGfImVvw

I hope this helps. Let me know if you have other questions.

Take care,

Joe
Jan 2, 2022 at 9:10 PM
Avatar
GUNNERGARIDEL
  • MEMBER
  • 32 POSTS
Greetings, Again, Joe!
Thanks for your help on the blend door actuator. Unfortunately, when I tried to recalibrate, it failed to do so. I am only having air come from the upper vents.
Let me add a bit to what I asked before. I replaced the actual control module in the dash, and then the blend door actuator but not at the same time. So, it occurs to me this may be why there is a problem.
Any advice you can give me about correcting this will be appreciated. For example, should I pull both parts and then reinstall together at the same time then recalibrate?

Dudley Garidel
Baton Rouge, LA
Jan 7, 2022 at 8:33 AM
Avatar
JACOBANDNICKOLAS
  • CERTIFIED EXPERT
  • 110,175 POSTS
Hi,

I don't think you need to remove them. Either you could pull a fuse or disconnect them for about 5 minutes and then connect and see if that helps.

Let me know if that helps.

By the way, LA sounds like a great place to be this time of year. LOL It's 10 degrees here.

Take care,

Joe
Jan 7, 2022 at 6:07 PM
Avatar
GUNNERGARIDEL
  • MEMBER
  • 32 POSTS
I have been experiencing HVAC problems for some time, so I recently tried to do something about them. My truck is single passenger control, and the problem is the air flow only blows out the top vents. Nothing out of the defrost or floor vents.

Because of the 316,000 miles I have on this truck, I decided to purchase three new actuators for the Fresh/Recirc, cool/warm, and Blend door Mode on the driver's side and a new climate control module.

I have installed all three actuators plus the climate control module. The Fresh/Recirc and cool/heat [both on the passenger side] work fine. No problems.

The problem is the blend door actuator [Mode actuator?] on the driver's side. I actually purchased an AC-Delco OEM actuator for that side, but it hasn't solved the problem.

I assume I correctly installed it, although I wouldn't bet my life on it. I watched several videos about installing it and did my best to follow them, but it is a very tight fit.

Today, I pulled the problem actuator and tried to test it to ensure it worked. The result was startling. When i turned on the blower and tried to switch the mode on the panel, the actuator worked fine for two sweeps back and forth then it suddenly just stopped working!

I disconnected and reconnected the power to it at least four times but it never worked again.

So now I am left scratching my head. At this point I'm thinking it's an electrical problem because of the way it stopped working.

Where do i go from here? What seems to be the most likely cause and fix? Any help/direction would be greatly appreciated!

Dudley 'Gunner' Garidel
Baton Rouge, LA
Apr 19, 2025 at 12:41 PM (Merged)
Avatar
JACOBANDNICKOLAS
  • CERTIFIED EXPERT
  • 110,175 POSTS
Hi,

I would be happy to help. I just need to confirm something. Is it the airflow direction that isn't working, or is it the air temperature entering the cab that isn't working?

If it's airflow direction, that is the mode door actuator. Temperature is controlled by the blend air door actuator.

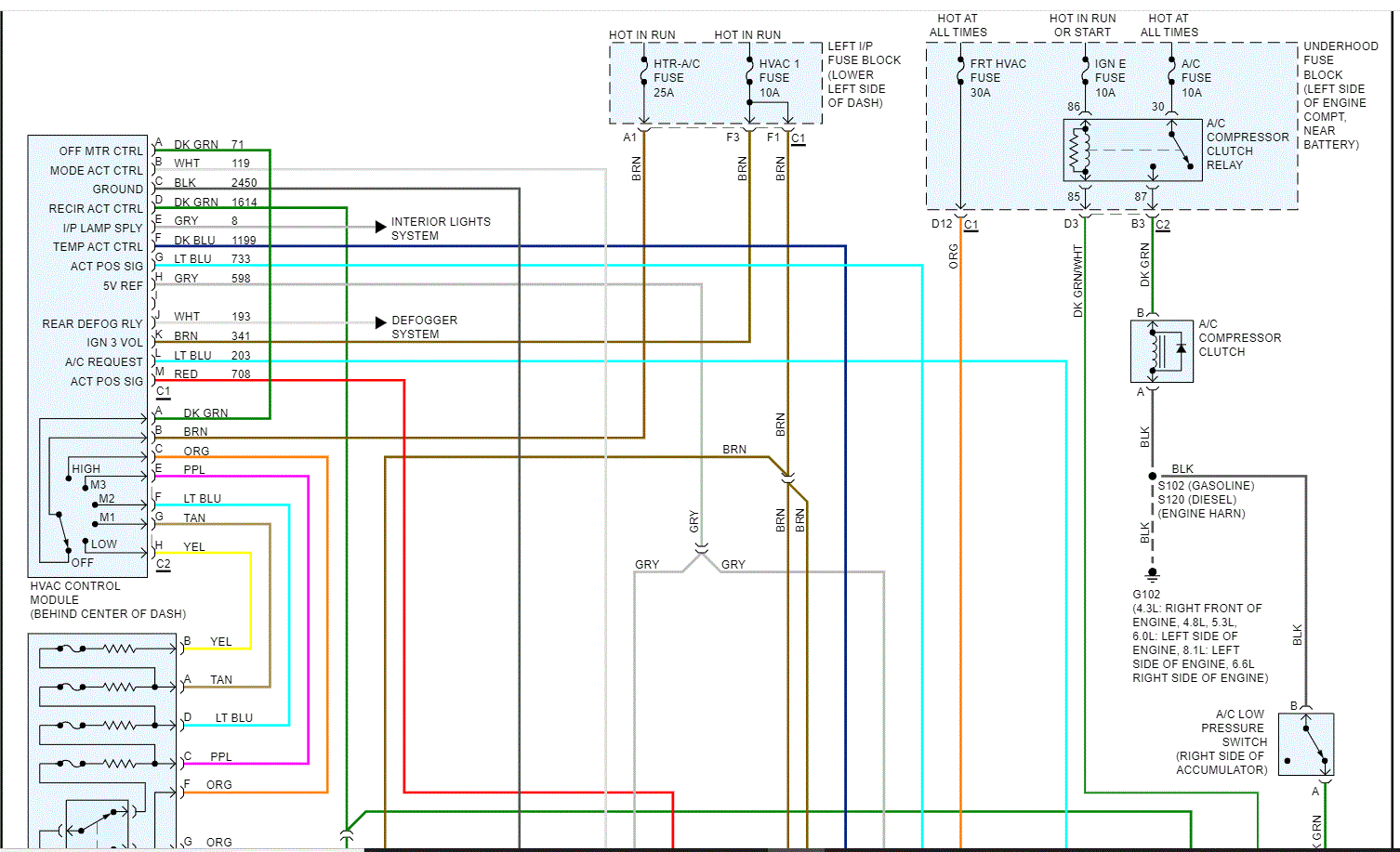
To get things started, I attached the wiring schematic below for the base system. I highlighted the actuators I'm questioning. Also, note they share a ground with connectors in it.

Let me know.

Take care,

Joe

See pics below.
Apr 19, 2025 at 12:41 PM (Merged)