Blend door actuator replacement

2004 GMC SIERRA
200,000 MILES • 5.3L • V8 • 2WD • AUTOMATIC
Avatar
RWARD28
  • MEMBER
  • 1 POST
I found your video on YouTube on how to replace the actuator for the drivers side temperature control.

https://www.youtube.com/watch?v=Eqf-H3COtSo

This is the same as my GMC. It is on the passenger side lower dash by your feet.I had no problem replacing it and the new one worked fine for about three minutes. I changed it from hot to cold then left it on cold. Drove away and it switch back to hot without me changing the slider control for the temperature. It seems now I have burn up two of them. I put the original back in so I can manually change it as needed with a screw driver. Any idea? The slider switch maybe?
Feb 11, 2017 at 4:19 PM
Advertisement
Avatar
KASEKENNY
  • CERTIFIED EXPERT
  • 18,907 POSTS
I think you just got a faulty actuator. I would think something different if this exact same thing didn't happen to me. Straight out of the box it was fine, then my sister in law calls me 20 minutes into her trip home and says it is clicking. I would replace it again and I suspect it will be just fine.

I attached the manual process for your review or others if they visit the site.

Also, here is a guide that will help as well:

https://www.2carpros.com/articles/replace-blend-door-motor

Let us know if you have other questions. Thanks
Dec 17, 2020 at 5:54 PM
Avatar
WLDBIL1
  • MEMBER
  • 2 POSTS
I just got a new A/C door actuator but when I hooked it up, it does'nt seem to work and I still get hot air out the middle dash vent and cold air out the passenger vent when the A/C is turned on.
Dec 18, 2020 at 8:24 AM (Merged)
Advertisement
Avatar
BRIAN 1
  • CERTIFIED EXPERT
  • 1,030 POSTS
because the actuator has to be re calibrated.try this first,Clear all DTCs.
Place the ignition switch to the OFF position.
Install the HVAC actuator.
Connect all previously disconnected components.
Remove the HVAC/ECAS fuse for a minimum of 10 seconds .
Install the HVAC/ECAS fuse.
Start the vehicle.
Wait 40 seconds for the HVAC control module to self-calibrate.
Verify that no DTCs have set as current DTCs.

This guide should help us fix the problem as well.

https://www.2carpros.com/articles/replace-blend-door-motor

Please run down this guide and report back.
Dec 18, 2020 at 8:24 AM (Merged)
Avatar
77SEVENS
  • MEMBER
  • 3 POSTS
What are DTCs?
Dec 18, 2020 at 8:24 AM (Merged)
Avatar
STRAILER
  • CERTIFIED EXPERT
  • 53,854 POSTS
Diagnostic trouble codes. DTC. What problem are you having?
Dec 18, 2020 at 8:24 AM (Merged)
Avatar
MEMCNEELY
  • MEMBER
  • 1 POST
Yesterday I started the truck up and as usual the HVAC system started blowing at a high volume (it was 88 here yesterday) in a few minuets the air flow seemed to back off and not cooling as well as usual. as I was driving I noticed that the drivers side was pretty cold with pretty good flow but the passengers side had a LOT less flow and was not very cold.
I tried to change the temperature to all the way down on both sides the drivers side seems cold but there was no change in flow or air temprature from the passengers side.
I was in auto mode at the time.
Today to get the truck to cool down I ended up using the recirculate button. the drivers side was blasting out cool air but the passengers side had low flow and luke warm air coming out.
Which door actuators would I need to replace?

Dec 18, 2020 at 8:24 AM (Merged)
Avatar
RIVERMIKERAT
  • CERTIFIED EXPERT
  • 6,110 POSTS
This is going to sound like a Homer Simpson DOH! answer, but: The one for the passenger side. And, to be honest, it sounds more like the blend door than anything else. It also sounds like you may have sucked some leaves or something into the ductwork which is causing that reduced flow you mentioned. Which could also contribute to that temp difference.

Try this: Turn off every other noise source in the truck. Start it up and move the actuator levers or dials around slowly. Listen for the doors and actuators moving carefully. If one is sticking or not opening or closing properly, you should be able to tell the difference and pinpoint it.
Dec 18, 2020 at 8:24 AM (Merged)
Avatar
BLACKBEARD92
  • MEMBER
  • 1 POST
I was trying to replace my blend door actuator. The one that’s on the bottom of the dash near the floor and I broke the plastic arm that slides into the actuator. Not sure how to fix it. Any information would be helpful. Thanks
Dec 18, 2020 at 8:24 AM (Merged)
Avatar
JOETECHPRO
  • CERTIFIED EXPERT
  • 705 POSTS
Hey BLACKBEARD92,

Can you send a picture of where the break is?

I would say if you want to repair it your best option may be to epoxy it back together.

Epoxy resin adhesives cure to be very strong and should be good enough to keep it together.

Regards, Joe
Dec 18, 2020 at 8:24 AM (Merged)
Avatar
STEVE7550
  • MEMBER
  • 1 POST
After moving from cool to heat and back to cool it only blows hot air.
Dec 18, 2020 at 8:24 AM (Merged)
Avatar
STRAILER
  • CERTIFIED EXPERT
  • 53,854 POSTS
It sounds like you have a blend door actuator that has gone out. Here is a guide that has a video that will help you fix the problem.

https://www.2carpros.com/articles/replace-blend-door-motor

Please let us know what happens.

Cheers, Ken
Dec 18, 2020 at 8:24 AM (Merged)
Avatar
  • MEMBER
  • 1 POST
I need to figure out what the blend door on passenger side of truck, accessible by removing lower plastic cover that sits directly above feet when sitting in passenger seat, actually does.
I removed mine, then plugged the new one in before mounting it. I turned on the ignition and watched as the metal cylinder rotated to far left or right position. I turned off the ignition then turned it on again then moved temperature dial but got no movement of the dial/cylinder. Then i tried the vent mode and adjusted it to feet, mid vent, then defrost but no movement, then tried AC, all speeds on the fan, and still no movement of the cylinder. It's either stuck in the far left position or could it be damaged/malfunctioning?
When i turn the knob/rod blend door motor attaches to i can hear opening and closing of a door. It basically clanks against the side of duct system.
While blend door motor is out or not functioning i am able to get hot or cold air depending on dial position so it doesn't seem to be for temp. Or am i wrong on this?
Could this door be for something else? Could it have been installed even though i do not have separate passenger and drivers heat controls. (only have one dial for entire vehicle)
I wonder if this is the same system installed into Denali SUV that has dual controls for temperature.
Any help would be much appreciated.
Also, how can i adjust cylinder position so i can re-install blend door motor? The cylinder is not lining up with the two sided shaft that goes into blend motor.
Dec 18, 2020 at 8:25 AM (Merged)
Avatar
HMAC300
  • CERTIFIED EXPERT
  • 48,601 POSTS
you should not have turned the key on with blend door actuator out try lining up now then turn key on and pull HVAC fuse inside truck for sixty seconds then reinstall it may reset if not then you need another actuator.
Dec 18, 2020 at 8:25 AM (Merged)
Avatar
BOATTRASH
  • MEMBER
  • 1 POST
I have got the old one out and I am having trouble getting the new one in. Thanks.
Dec 18, 2020 at 8:25 AM (Merged)
Avatar
JACOBANDNICKOLAS
  • CERTIFIED EXPERT
  • 110,175 POSTS
Hi and thanks for using 2CarPros.com.

Here are the directions for removal and replacement of the component direct from Alldata. Let me know if it helps.

___________________________________________________


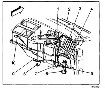
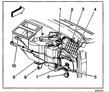
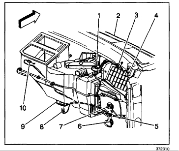
2002 GMC Truck C 1500 Truck 2WD V8-4.8L VIN V
Vehicle » Heating and Air Conditioning » Air Door » Air Door Actuator / Motor » Service and Repair » HVAC System - Manual » Mode Actuator Replacement (W/ D07)
MODE ACTUATOR REPLACEMENT (W/ D07)
REMOVAL PROCEDURE
Remove the floor air outlet duct extension (1) from the floor duct (2).
Remove the center console.
Remove the screws from the center console duct.
Remove the center console duct.
Disconnect the electrical connection from the mode actuator (10).
Remove the mode actuator mounting screws from the HVAC module.
Remove the mode actuator as an assembly with the actuator cam.
INSTALLATION PROCEDURE
Install the mode actuator as an assembly with the actuator cam.
Line up the heater/defroster valve lever with the mode actuator cam slot.
Line up the A/C valve lever with the mode actuator cam.
NOTE: Refer to Fastener Notice in Service Precautions.
Install the mode actuator mounting screw to the HVAC module.
Tighten
Tighten the screw to 1.6 N.m (14 lb in) .
Connect the electrical connection at the mode actuator (10).
Install the center console duct.
Install the screws from the center console duct.
Tighten
Tighten the screw to 1.6 Nm (14 lb in) .
Install the center console.
Install the floor air outlet dud extension (1) to the floor air duct (2).

___________________________________________________

I hope this is helpful. Let me know if you have other questions.
Dec 18, 2020 at 8:25 AM (Merged)
Avatar
JMSCHULTZ2
  • MEMBER
  • 2 POSTS
fresh air / recirculation actuator on 1996 GMC Sierra not working, when ac is on max, no recirculation and some air comes out defrost vents.
Dec 18, 2020 at 8:26 AM (Merged)
Avatar
WRENCHTECH
  • CERTIFIED EXPERT
  • 20,761 POSTS
All the air control doors are operated by electric actuators so you will have to access them and determine why they are not working properly.
Dec 18, 2020 at 8:26 AM (Merged)
Avatar
JMSCHULTZ2
  • MEMBER
  • 2 POSTS
Thanks, any tips on how to access them?
Dec 18, 2020 at 8:26 AM (Merged)
Avatar
WRENCHTECH
  • CERTIFIED EXPERT
  • 20,761 POSTS
you should be able to access it under the dash or behind the glove box on the passenger side

https://www.2carpros.com/articles/replace-blend-door-motor

let me know
Dec 18, 2020 at 8:26 AM (Merged)
Avatar
TRUCK000
  • MEMBER
  • 10 POSTS
i am replacing a bad actuator. it is in a veryyyyy tight spot i finally got it on but the door shut and stayed shut.did not open when the temp was swithched to a/c.pushed on door also wud not open. when i took the old actuator off i cud turn the **** and open and shut the door.. what am i doing wrong?
Dec 18, 2020 at 8:26 AM (Merged)
Avatar
JACOBANDNICKOLAS
  • CERTIFIED EXPERT
  • 110,175 POSTS
Okay... check to make sure there is power to the actuator first. Make sure the plug is properly connected.
Dec 18, 2020 at 8:26 AM (Merged)
Avatar
TRUCK000
  • MEMBER
  • 10 POSTS
yes. with the old actuator the door wud open and shut but it clicked really loud and the heat wudnt work sometimes. with the new one it is completely shut and the heat works but the door doesnt open when changed to a/c. plugged in and replugged.
Dec 18, 2020 at 8:26 AM (Merged)
Avatar
JACOBANDNICKOLAS
  • CERTIFIED EXPERT
  • 110,175 POSTS
That is odd. Am I correct in assuming there are two wires to the actuator?
Dec 18, 2020 at 8:26 AM (Merged)
Avatar
TRUCK000
  • MEMBER
  • 10 POSTS
yes
Dec 18, 2020 at 8:26 AM (Merged)
Avatar
TRUCK000
  • MEMBER
  • 10 POSTS
i cud tell the small cylinder that the door hinge slides onto had changed positions too. there r 3 lines above it and a notch in the cylinder, it started in the middle and when we took it back off it was on the line to the left.
Dec 18, 2020 at 8:26 AM (Merged)
Avatar
JACOBANDNICKOLAS
  • CERTIFIED EXPERT
  • 110,175 POSTS
Take a look at the attached wiring schematic. If I recall, the two wires work like this. In one position, power is fed through one wire to direct the door one way. When you switch it, the power goes through the other wire (changes polarity) causing the door to go the other way. Let me know if the schematic helps. To me, it sounds like it is either out of adjustment or the power isn't coming through the opposite wire.
Dec 18, 2020 at 8:26 AM (Merged)