Blend door actuator problem

2003 HUMMER H2
104,000 MILES • 0.6L • V8 • 4WD • AUTOMATIC
Avatar
LARRYDANGELO
  • MEMBER
  • 4 POSTS
AC and heat blowing only through defroster vents. I have tried all of the reset options and none have worked to solve this problem. Can you please provide some guidance as far as which blend door actuator to replace along with instruction on how and where to gain access with applicable part number? Your assistance is greatly appreciated.
Thanks,
Larry D’Angelo
Sep 23, 2018 at 10:30 AM
Advertisement
Avatar
LARRYDANGELO
  • MEMBER
  • 4 POSTS
Recently all heat and A/C started blowing only through defroster vents/no air coming through both dash and rear vents. Could this problem be solved by replacing the blend door actuator on the passenger side? If so, how is this actuator accessed in the dash? Appreciate any guidance you can give to solve this problem..

Thanks,
Larry D’Angelo
Sep 23, 2018 at 5:40 PM (Merged)
Avatar
STRAILER
  • CERTIFIED EXPERT
  • 53,854 POSTS
Hello,

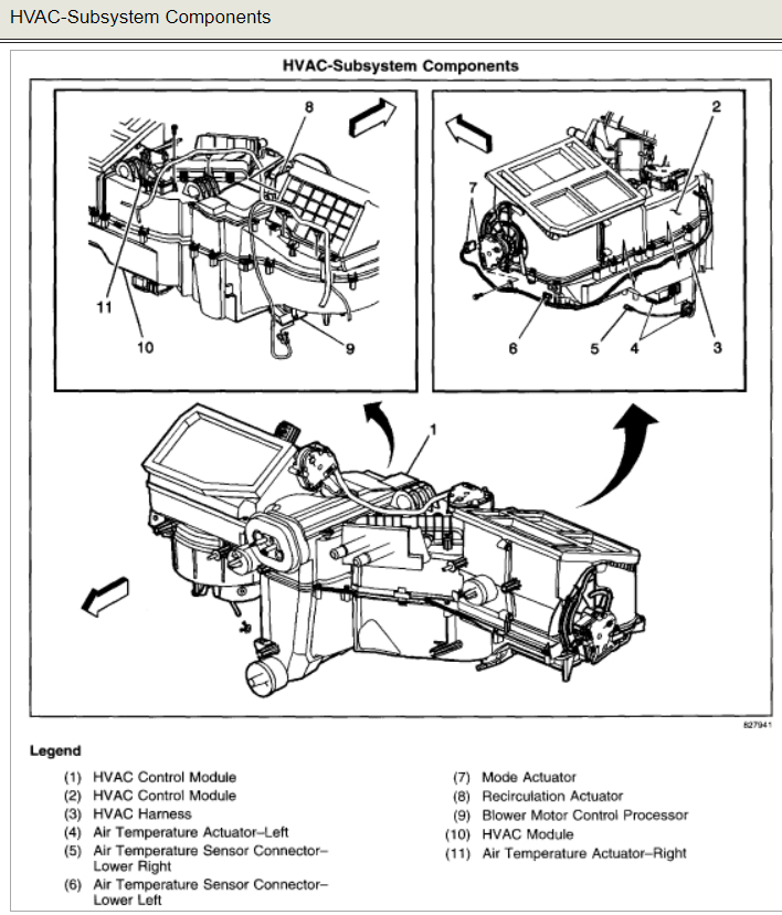
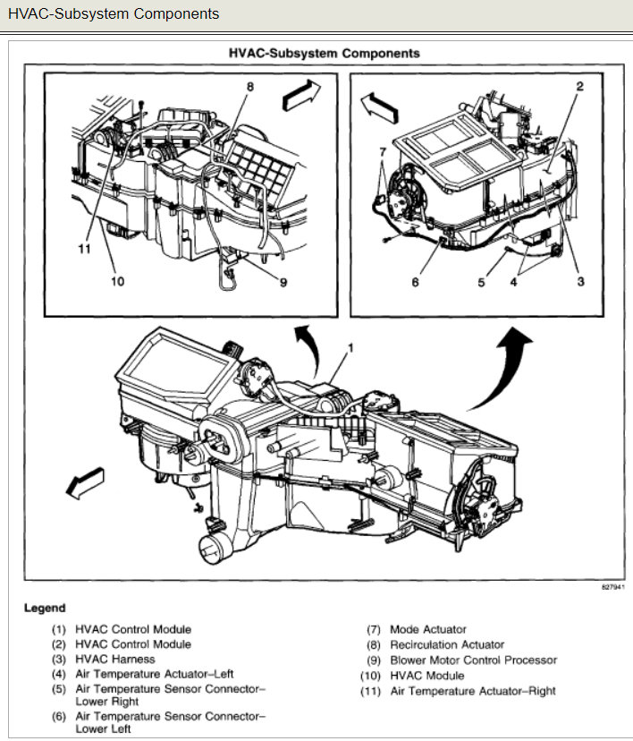
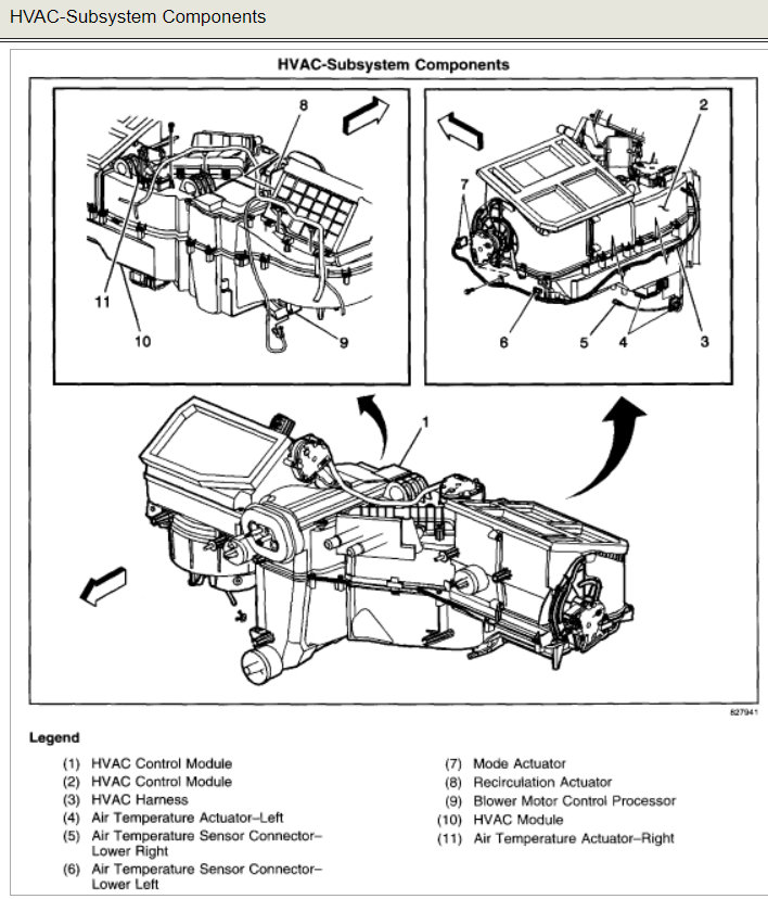
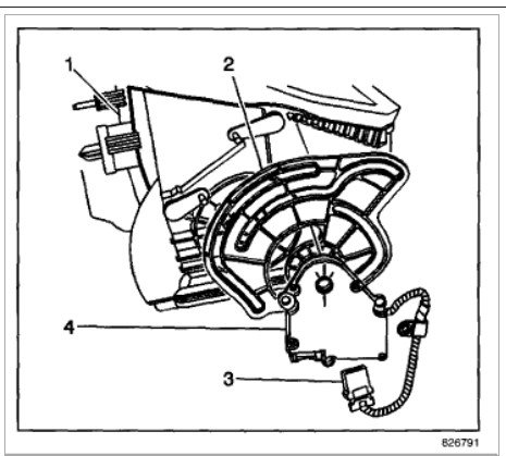
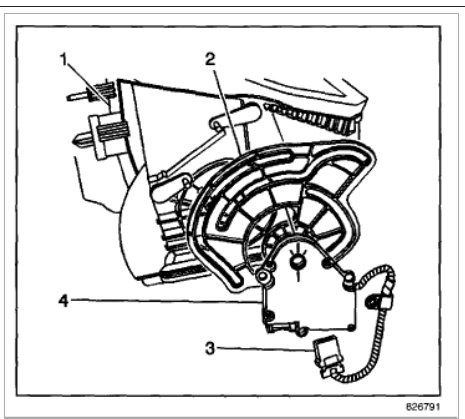
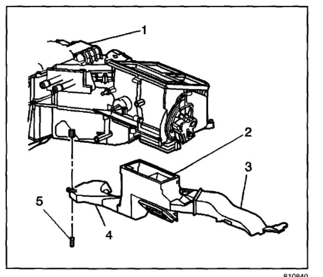
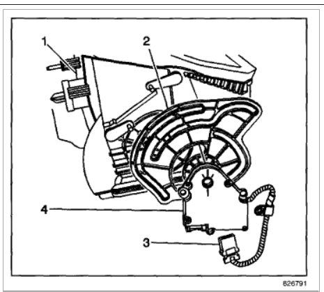
Yes this does sounds like you have a mode actuator that has gone out. Here is a guide to give an idea of what you are in for when doing the job:

https://www.2carpros.com/articles/replace-blend-door-motor

Here is the location for your car (below) I have included all blend door actuators for future reference. The first one it he one you want to do. (mode)

Check out the diagrams (below).

Let us know what happens and please upload pictures or videos of the problem.

Cheers, Ken
Sep 23, 2018 at 5:40 PM (Merged)
Advertisement
Avatar
STRAILER
  • CERTIFIED EXPERT
  • 53,854 POSTS
Did you click on each image? Please respond in the box below.
Sep 23, 2018 at 5:40 PM (Merged)
Avatar
LARRYDANGELO
  • MEMBER
  • 4 POSTS
Yes, I reviewed the schematics provided but I am still unclear as to which actuator controls air direction in the cab and the correct part number associated with it? I just want some verbal clarification that this particular actuator is the one to the far right near the passenger window post? I have seen several iterations of this on-line which adds to the confusion. I would appreciate a little more information just to be clear.
Thank you for your assistance.
Sep 23, 2018 at 5:40 PM (Merged)
Avatar
STRAILER
  • CERTIFIED EXPERT
  • 53,854 POSTS
Hey Larry,

It is the mode actuator that is closest to the gas pedal #7 in the diagrams. Look under the dash on the drivers side about the throttle pedal and you will see it. Move the seat all the way back before you begin. You might need a 5.5 mm or 7 mm socket to remove it.
Sep 23, 2018 at 5:40 PM (Merged)
Avatar
LARRYDANGELO
  • MEMBER
  • 4 POSTS
Ken:

The diagram shows #7 as “mode actuator” - would I not need to replace #8 which is described as the “re-circulation actuator” if my dash and rear vents aren’t circulating air? The diagram is not real clear as to how/where to access #8? Am I correct that the re-circulation actuator #8 is what needs replacement? If so can you please elaborate so that I can replace the right actuator? Thanks in advance for your continued help!
Sep 23, 2018 at 5:40 PM (Merged)
Avatar
STRAILER
  • CERTIFIED EXPERT
  • 53,854 POSTS
It avoid confusion remove #7 and then turn the system on and work the pivot by hand to see what it does. I believe it is the mode actuator that is causing the problem but this will confirm the issue. #8 is the left side temperature actuator.
Sep 23, 2018 at 5:40 PM (Merged)