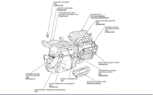
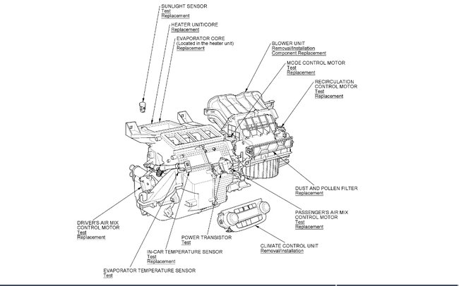
Is there a part between the blend door actuator and control part? Like an arm or rod? To connect. Also I have cold air on the driver side and warm air on the passenger. Could it be the actuator?
Nov 9, 2019 at 11:41 AM
