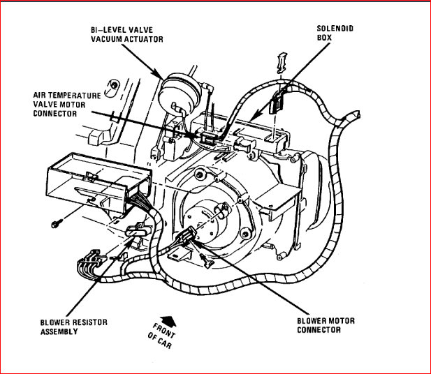
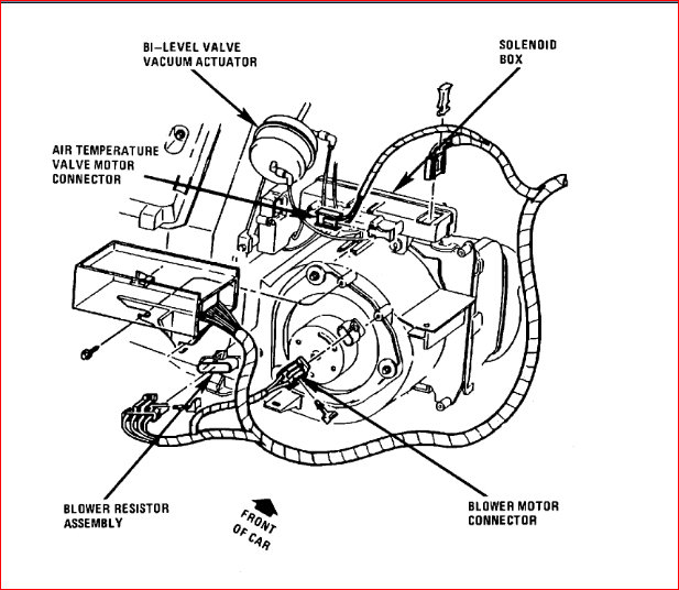
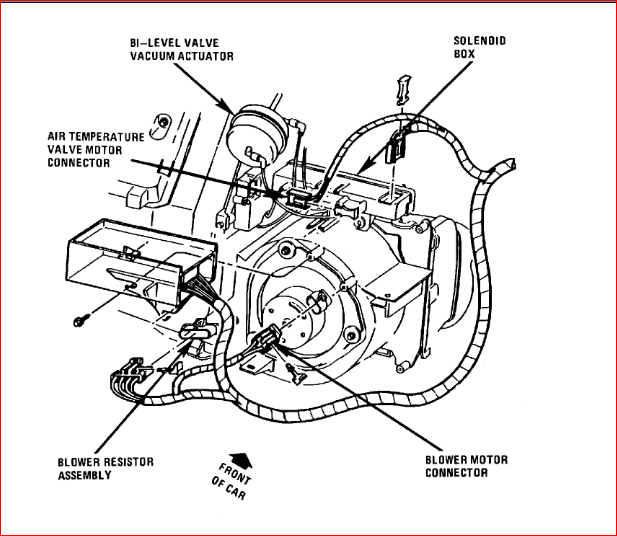
I have replaced the thermostat, the hoses going in and out of heater core are warm, new water pump. No heat. Blower working fine . When sliding the temperature control from cold to hot, I hear no movement (blend door) and I suspect the actuator is faulty. I cannot locate it to replace it! Please help!
Dec 13, 2018 at 8:37 AM


