Blend door access

2002 VOLKSWAGEN PASSAT
130,000 MILES • 0.5L • V6 • 2WD • AUTOMATIC
Avatar
STERRAT
  • MEMBER
  • 1 POST
How can I verify the position of the heat blend door? I can’t seem to find it?
Nov 4, 2019 at 10:46 AM
Advertisement
Avatar
MASTERWRENCH
  • CERTIFIED EXPERT
  • 258 POSTS
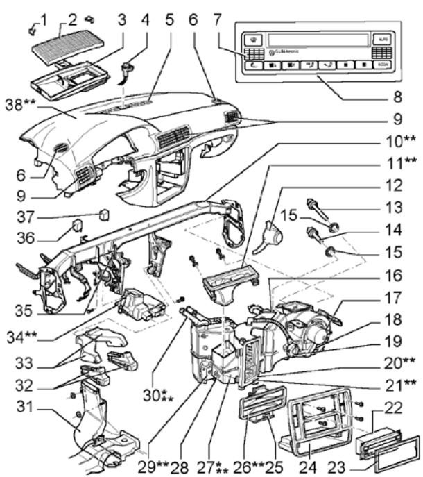
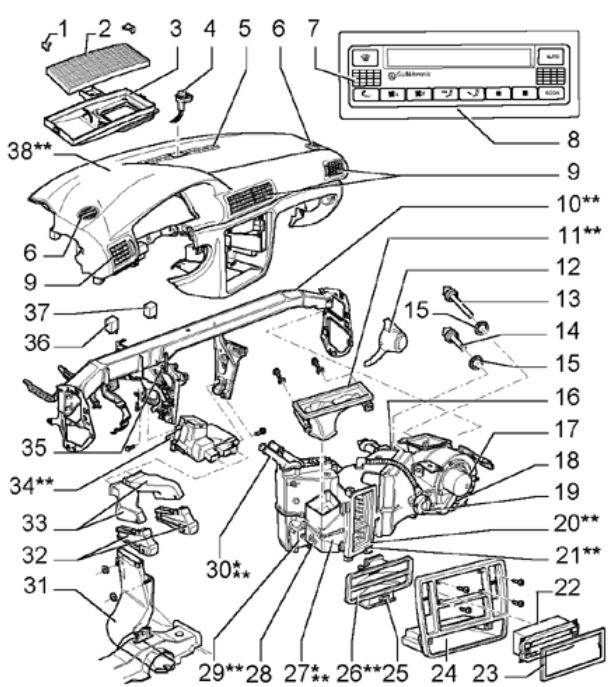
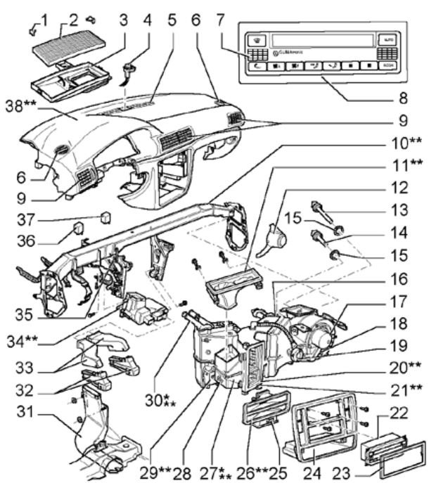
Unfortunately the blend door and actuator are only accessible be removing the entire instrument panel from the vehicle (according to the service manual). Attached is a diagram showing the location of all the heater/air conditioning system components. The blend door is item #20.
Nov 4, 2019 at 6:28 PM