Bleeder Valve for Coolant System?

2008 PONTIAC G6
235,000 MILES • 3.5L • V6 • 2WD • AUTOMATIC
Avatar
RDEVADER
  • MEMBER
  • 2 POSTS
Broke plastic rubber piece on what I thought was bleeder valve for coolant. This piece was holding onto metal piece. Have pictures and video.

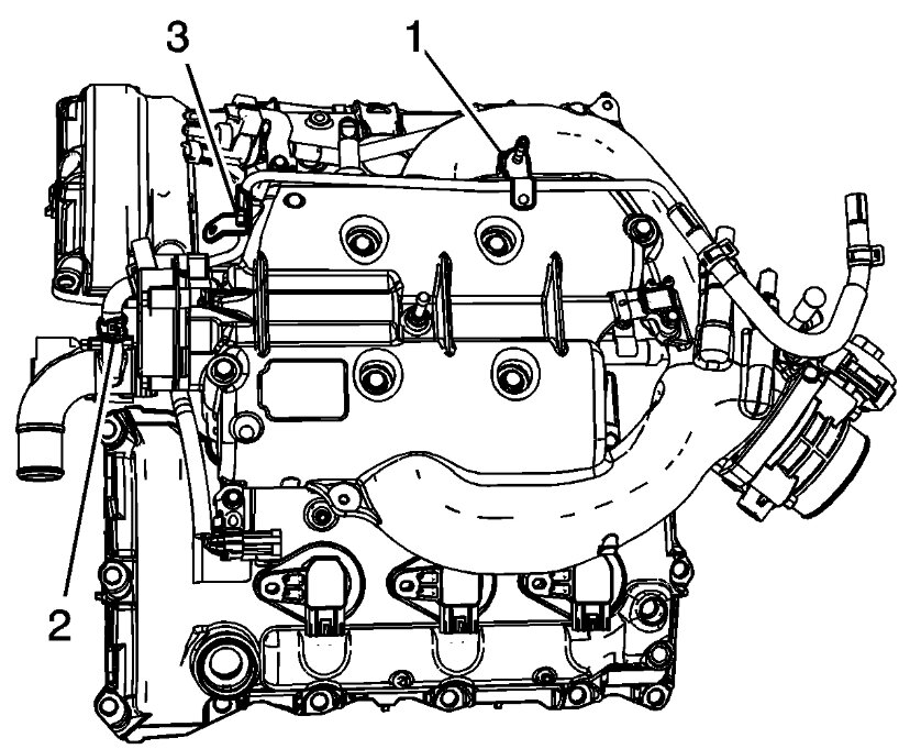
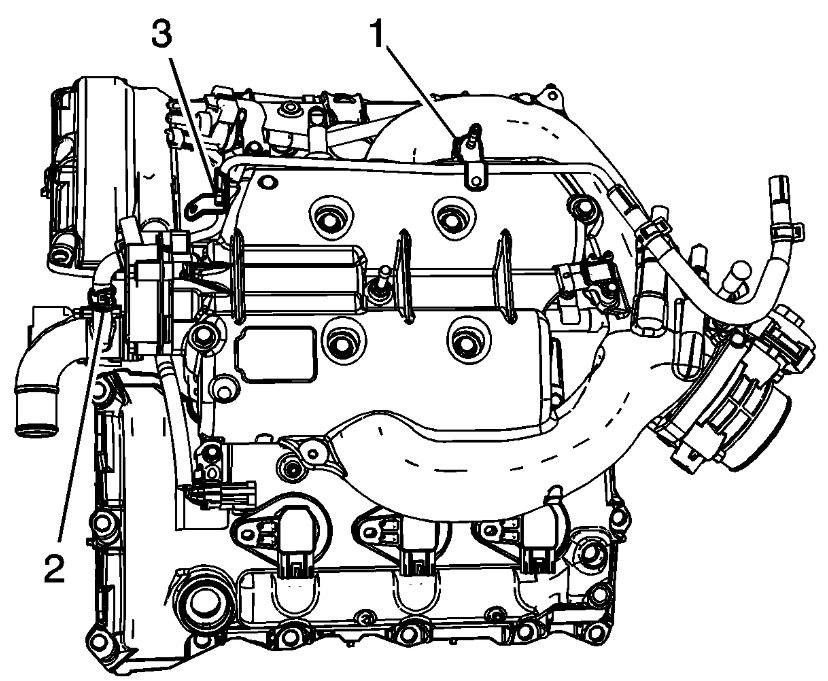
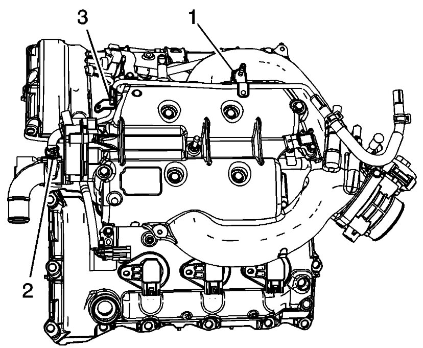
Part is located on the left side of the engine block. Next to the belt.
Apr 21, 2025 at 7:05 AM
Advertisement
Avatar
STRAILER
  • CERTIFIED EXPERT
  • 53,854 POSTS
Can you please try reloading the images and video, it take a while over mobile FYI. Is this what you are talking about? Check out the images (below).
Apr 22, 2025 at 11:15 AM