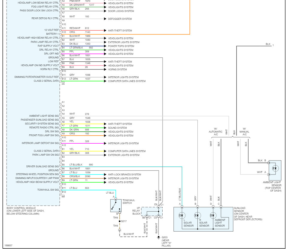
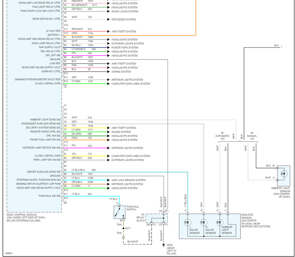
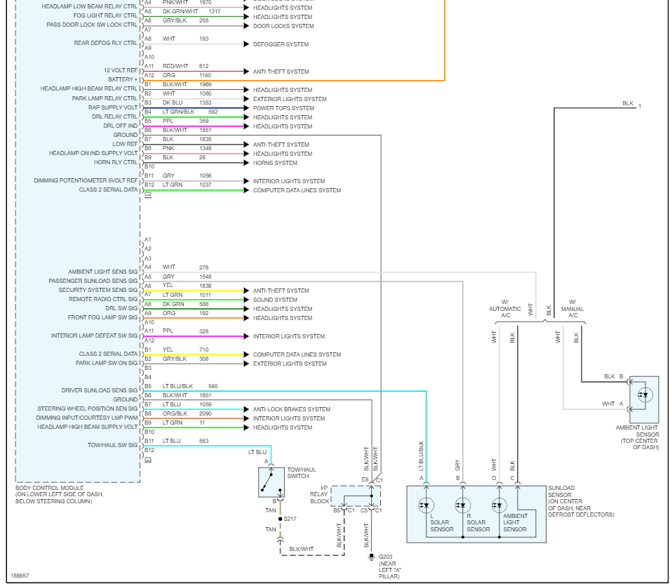
I did a complete interior swap on my 2004 Silverado base model with a 2004 Denali interior. I need to use my base model BCM, but when I do my gauge cluster lights will not turn off. When I use the Yukon BCM I get a lift gate error because the wiring for it has been removed. I would like to get a pin out for the BCM for the Yukon so I can compare it to the pin out for the Silverado at the porting that controls the IP lighting.
Jul 26, 2023 at 1:40 PM










