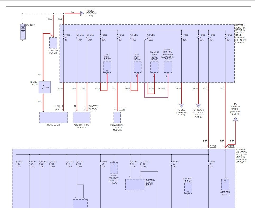
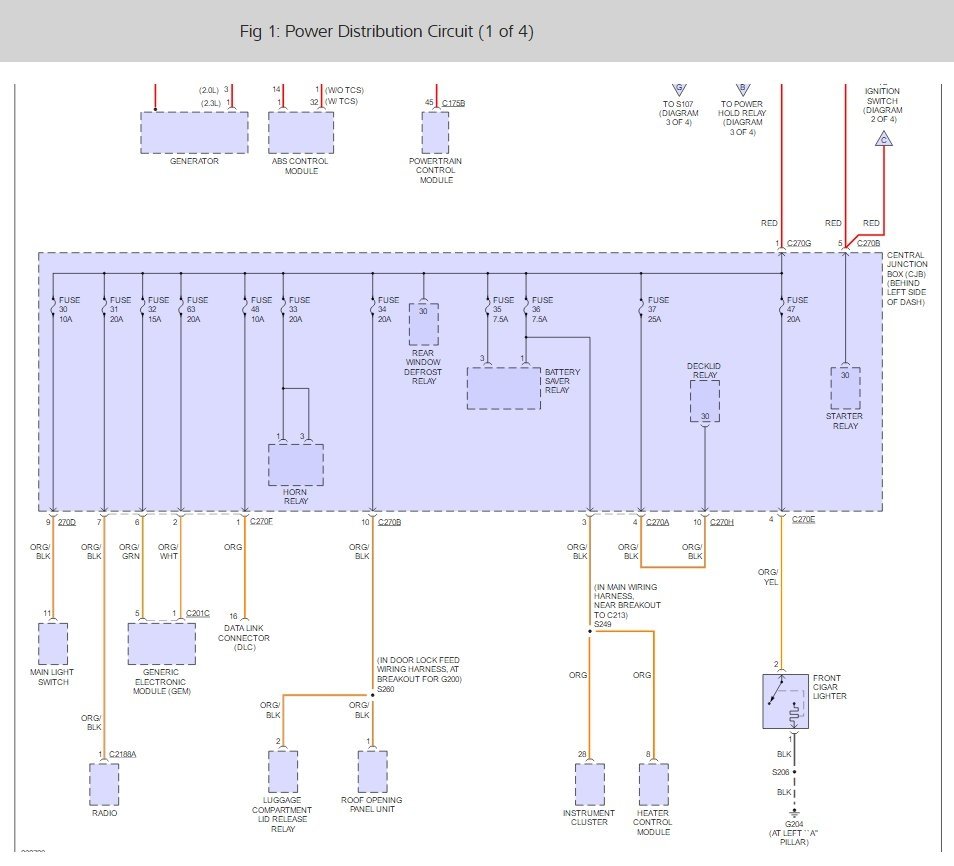
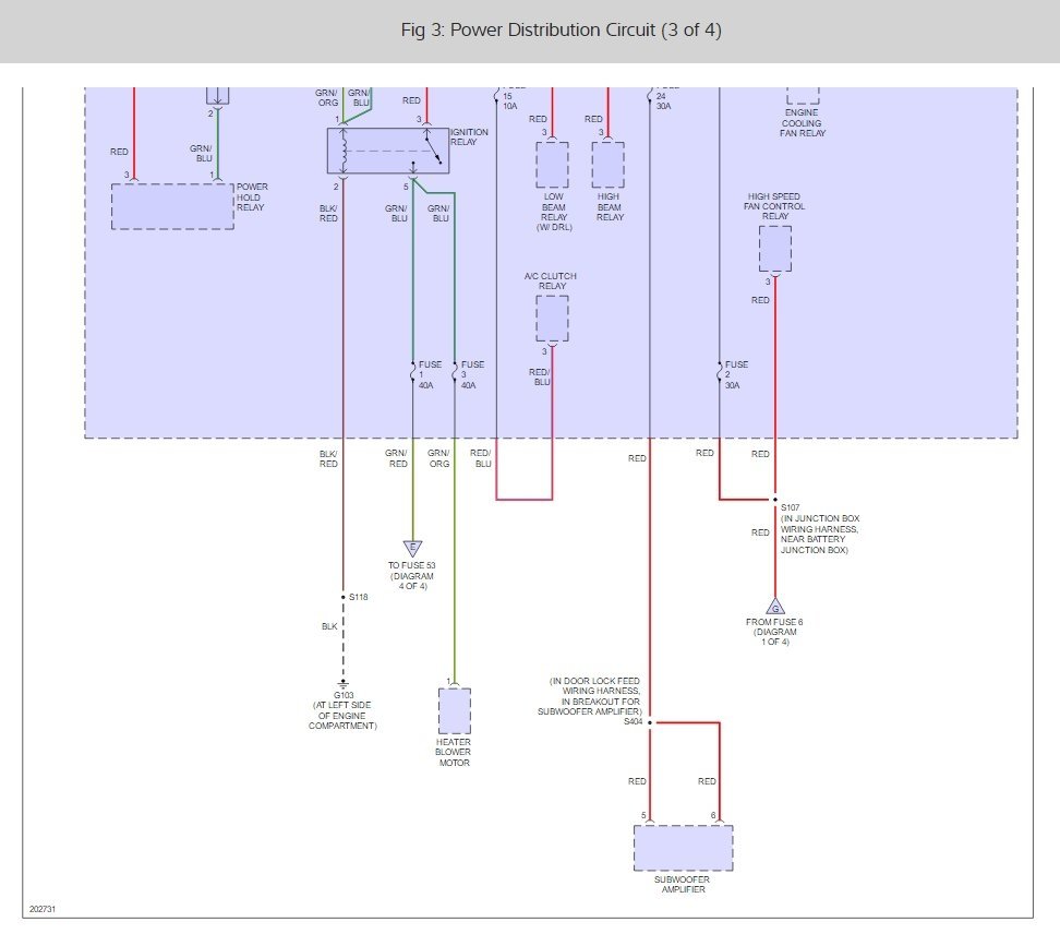
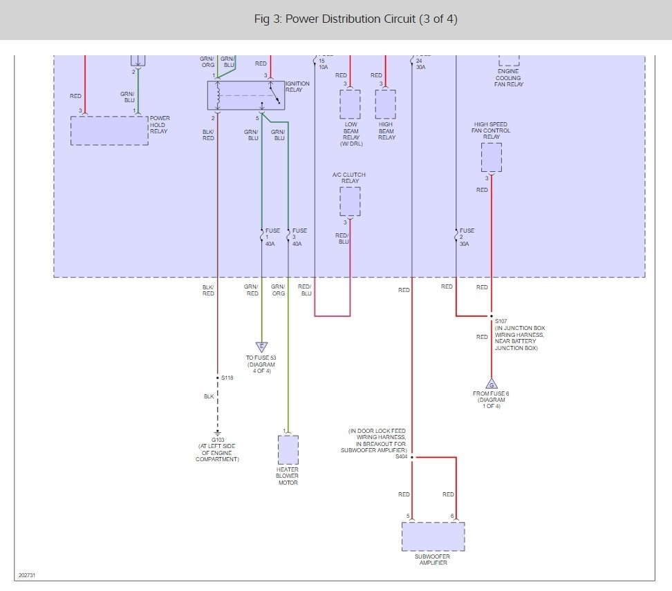
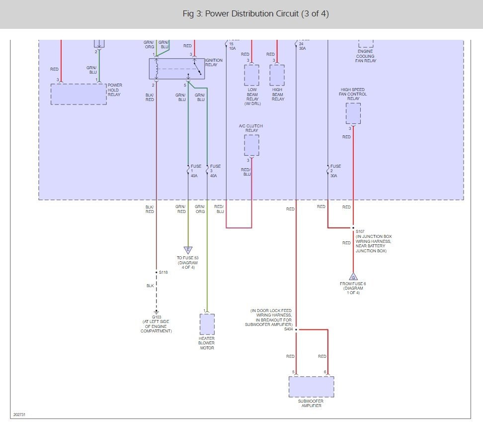
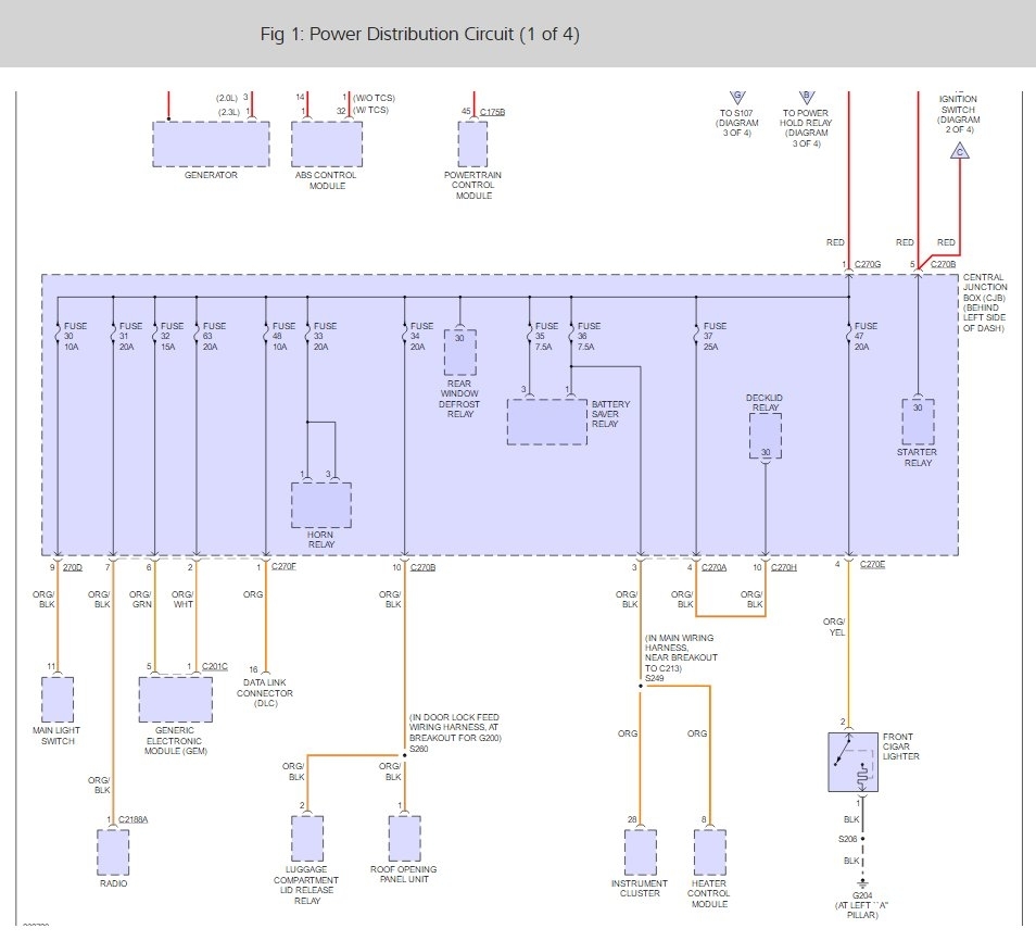
Battery drained flat while I was driving and sputtered until it shut off. I jumped it and all it does is light up dash and everything works, blinkers, lights etc.. But will not click or turn over. Like it is not getting fire to starter. Put new battery in and took starter to test and it was good. Looked at every ground wire and thoroughly over engine and cannot find anything. Maybe it fried the PCM? Or did it reset my security system (factory) or the chip in my key? My key does not work on my door. I do not know why it never has. I think it is my driver door lock quit working awhile back. And never got a key fob. Do not know if it is compatible with one. The locks look like they could be used with a fob but never had one. I just tried to take cable off for a bit but still same thing. Everything works, lights, radio, blinkers. Etc. It just doesn't make a sound when you turn it all the way to start it. Lights do not dim, the security light flashes but not fast. Just regular like it has always flashed. Even when I am trying to start it. I got under there and used a screw driver to bump the starter and nothing. I used jumper cables from battery positive and negative to on frame and positive touched to starter and it turns motor over but had someone sit in car and every time I did that it makes everything on dash go out.
It is like it is a standard and I do not have clutch pushed in but it is an automatic. The odometer has on both trip and mileage. Maybe when it went dead it reset my key? Can it reset/shirt out my key by battery going bad?
Please help!
It is like it is a standard and I do not have clutch pushed in but it is an automatic. The odometer has on both trip and mileage. Maybe when it went dead it reset my key? Can it reset/shirt out my key by battery going bad?
Please help!
Apr 22, 2017 at 5:05 PM





