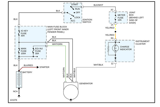
My car had been having the battery light on since I bought it used, so I bought a new battery thinking the light would go away. It still kept coming up, three months later after buying the battery my car wouldn’t turned on. I took the battery back to see if I got a replacement and they said it just needed charging because the battery was good. So they gave me a recharged battery, but they told me maybe something was wrong with the car, so they check it and everything passed as well as the alternator. So I’m still not sure why the battery light still turns on, should I be concern?
Nov 27, 2019 at 9:07 PM




