How many batteries does this car have?

2013 MERCEDES BENZ C250
65,000 MILES • 4 CYL • TURBO • 2WD • AUTOMATIC
Avatar
DIVIDES
  • MEMBER
  • 903 POSTS
WDDGF4HB4DR272262
I am trying to solve an issue with sunroof, seTs and windows not working, trying to see if there is an aux battery in these models.
May 3, 2022 at 12:07 PM
Advertisement
Avatar
JACOBANDNICKOLAS
  • CERTIFIED EXPERT
  • 110,175 POSTS
Hi,

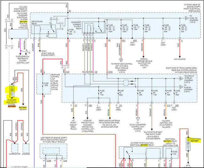
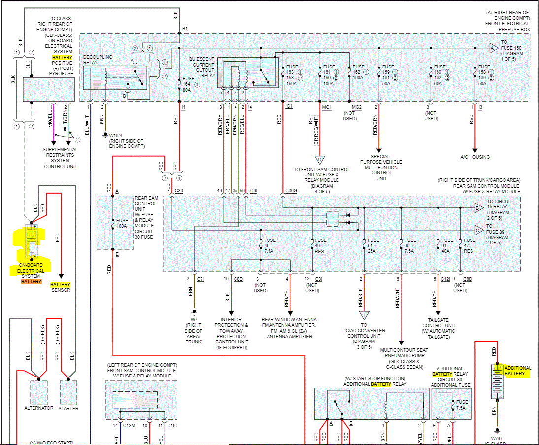
I looked up the power distribution system for the vehicle, and it shows two batteries. One is for the onboard electrical components and the other indicates it as "additional" located in the trunk.

I attached two pics below showing the schematic. Let me know if this is what you needed. Note, I had to cut the pic in two, so it was readable for you. I did overlap them so you can follow from one to the next.

Take care,

Joe

See pics below.
May 3, 2022 at 8:22 PM
Avatar
DIVIDES
  • MEMBER
  • 903 POSTS
Nothing in trunk. Have one up front. didn't see any in the back.
May 3, 2022 at 8:30 PM
Advertisement
Avatar
JACOBANDNICKOLAS
  • CERTIFIED EXPERT
  • 110,175 POSTS
Hi,

That is an additional battery according to the schematic. If I had to guess, it was optional.

Let me know if you have other questions.

Joe
May 4, 2022 at 2:37 PM