Battery light will not go off

2006 CHRYSLER 300
170,000 MILES • 2.7L • V6 • 2WD • AUTOMATIC
Avatar
TANYA LOCKE
  • MEMBER
  • 2 POSTS
Replaced starter, battery light came on and will not go off. I’ve put in a brand new battery and alternator and checked all fuses! Battery light will not go off.
Nov 18, 2019 at 1:26 PM
Advertisement
Avatar
MASTERWRENCH
  • CERTIFIED EXPERT
  • 258 POSTS
The battery light indicates there is still an active issue with the charging system. There will most likely be a code set in the PCM (Power-train Control Module) that will give us an idea where to go. Take a look at the article below regarding how to retrieve codes yourself with a simple handheld code scanner. Most auto parts stores will also provide this service free of charge.

https://www.2carpros.com/articles/checking-a-service-engine-soon-or-check-engine-light-on-or-flashing

Let me know what you find!
Nov 18, 2019 at 8:58 PM
Avatar
TANYA LOCKE
  • MEMBER
  • 2 POSTS
I have done this also and nothing is showing up on the reading! Could it be the car’s computer?
Nov 19, 2019 at 7:01 AM
Advertisement
Avatar
MASTERWRENCH
  • CERTIFIED EXPERT
  • 258 POSTS
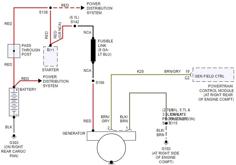
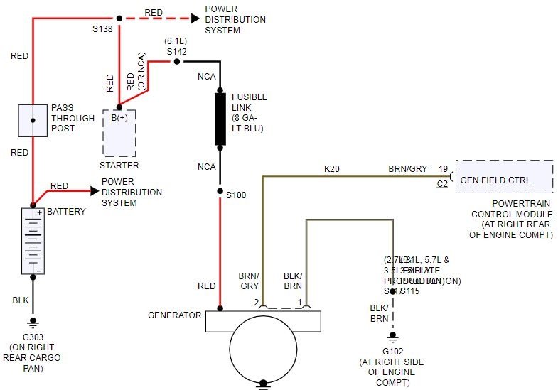
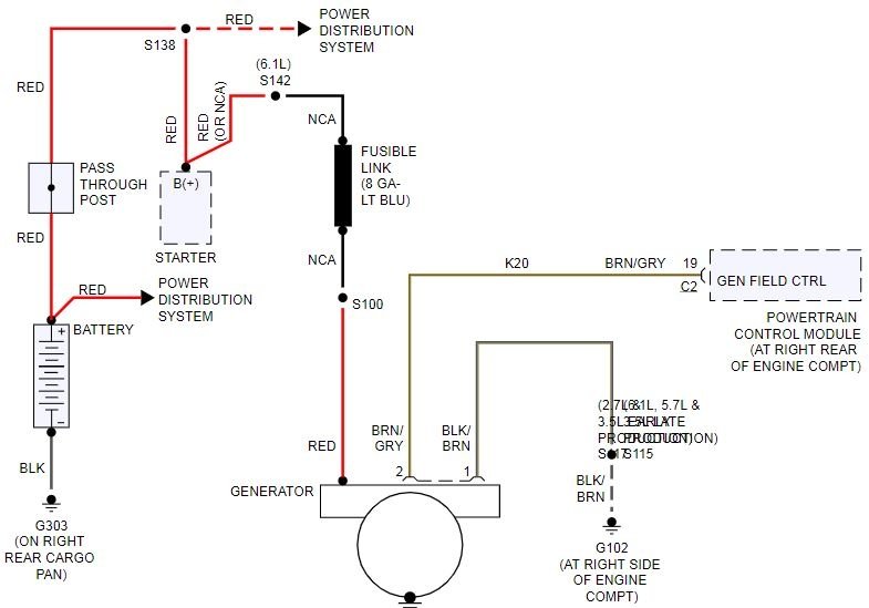
That seems odd. This particular vehicle should typically set codes for charging system issues. Let's move on using a multi-meter and see if we can narrow down the issue. Take a look at the articles below to get started. The first discusses the use of a multi-meter if you're not already familiar. The second walking you through the process of testing the charging system. I've also attached a wiring diagram of the charging system for your reference.

Multi-meter instructions:
https://www.2carpros.com/articles/how-to-use-a-voltmeter

How to test an alternator:
https://www.2carpros.com/articles/how-to-check-a-car-alternator

Let me know what you come up with!
Nov 19, 2019 at 6:21 PM