Battery light still on

2009 GMC ACADIA
143,566 MILES • 3.6L • V6 • 4WD • AUTOMATIC
Avatar
SAM F...
  • MEMBER
  • 1 POST
I already replaced the battery and the alternator. Battery light is still on. can someone out there help me out? Please!
Dec 15, 2017 at 10:49 PM
Advertisement
Avatar
STEVE W.
  • CERTIFIED EXPERT
  • 15,113 POSTS
Okay, you had the light come on and replaced the battery and alternator to try to turn it off, but it is still on, correct?
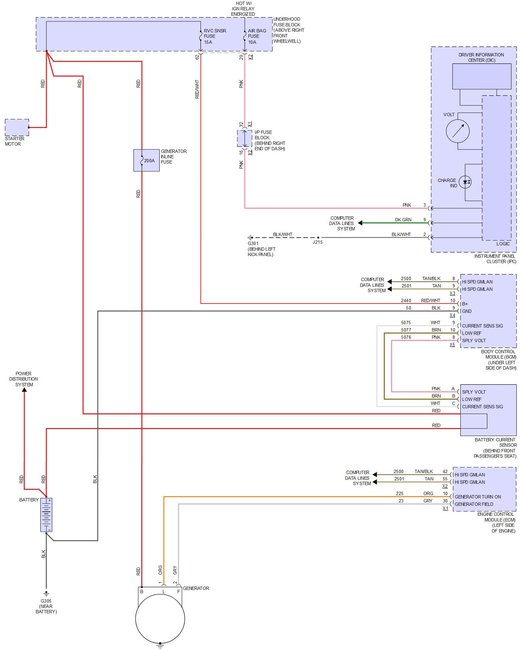
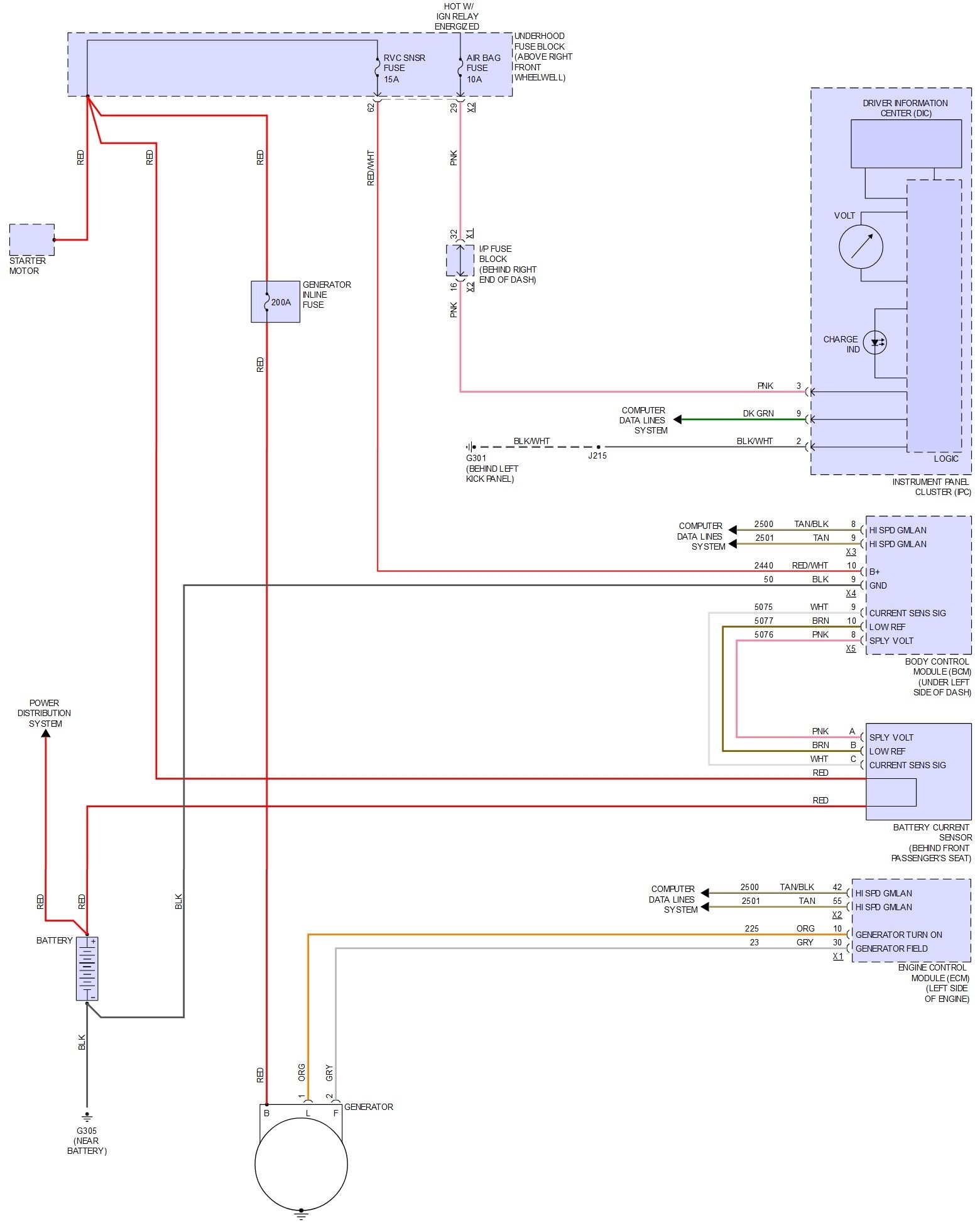
There are a couple fuses to check and a couple voltage tests. First there is a 200 amp fuse in the line from the generator to the fuse block on the wheel well.
There is also a 15 amp fuse in the under hood fuse box that is labeled RVC sensor. That goes to the body control module as a secondary sense line and to power the remote voltage sensor mounted in with the battery.

Now if you have checked the fuses and they are okay, open the battery well, Now use a VOM to test the battery voltage with the engine off and with it running. With the engine off a good battery should read right around 12.6-12.8 volts. With the engine running you should see a large increase to 13-15 volts if the alternator is actually charging. https://www.2carpros.com/articles/how-to-use-a-voltmeter

Next take the meter and verify that there is battery voltage at both sides of the RVC fuse.
If those check out you need a good scan tool that can talk to the BCM and see if the battery sense circuit is functioning. If not the sensor on the cable has probably failed. The connectors get corroded and they stop working. Not hard to change out but you need to know which one you have. One gets a ten volt power feed and the other uses five volts, they do not interchange. The part number should be on it.


Dec 16, 2017 at 12:33 AM