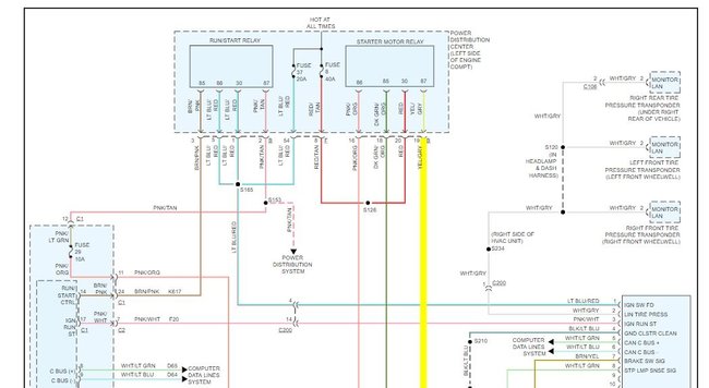
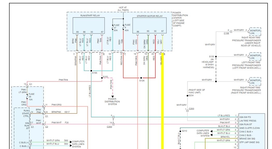
Okay, so sometimes I have the battery light on, I recently replaced the battery and alternator.
The battery at rest has 12.4 volts.
when car is running the system has 14.5 volts, which should be normal.
Right now the car wont start without a jump, but the batter is sitting at 12.3 volts, it does not even try to start, no clicking no anything until I get a jump, when I hook up to the jump my voltage is sitting at 12.7 volts.
Any idea what could be causing this? Is the battery level too low?
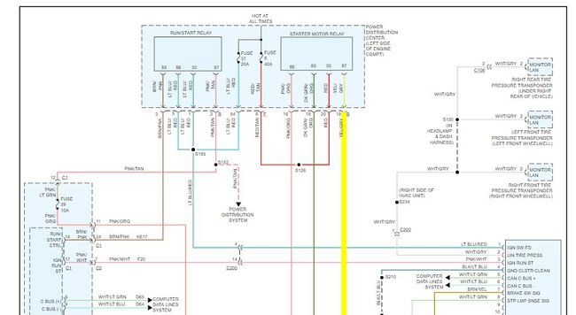
The battery at rest has 12.4 volts.
when car is running the system has 14.5 volts, which should be normal.
Right now the car wont start without a jump, but the batter is sitting at 12.3 volts, it does not even try to start, no clicking no anything until I get a jump, when I hook up to the jump my voltage is sitting at 12.7 volts.
Any idea what could be causing this? Is the battery level too low?
Jan 5, 2019 at 10:22 AM












