My battery light is on

2009 HONDA ACCORD
197,000 MILES • 3.5L • 6 CYL • 2WD • AUTOMATIC
Avatar
OLYMPIA9022
  • MEMBER
  • 1 POST
My battery light came on. I had the battery checked and it is fine, only three months old. I replaced the alternator, but the light is still on. All of my terminals are clean as well. Any suggestions?
Feb 7, 2019 at 6:45 AM
Advertisement
Avatar
SCGRANTURISMO
  • CERTIFIED EXPERT
  • 4,897 POSTS
Hello,

This might be a problem with the serpentine belt tensioner. I have included a guide and a the diagrams below a charging system flowchart that should enable you to track down the problem. Go through it and let us know what you find out.

https://www.2carpros.com/articles/how-to-check-a-car-alternator

Check out the diagrams (Below). Please let us know what you find. We are interested to see what it is.
Feb 7, 2019 at 4:19 PM
Avatar
RICHARD ROEHR
  • MEMBER
  • 0 POST
I had to get a new alternator the guide helped me find the problem. what great site!
Aug 25, 2020 at 12:02 PM
Advertisement
Avatar
ANDYYOO91
  • MEMBER
  • 1 POST
MY 2007 honda civic si drove on a ditch and battery lights, vbs light came on . I tried jump starting it which started but it died almost immediate

tried jump starting for about 20 minutes for dies in 2 minutes, never happened like this before None of those lights were on before the incident.
Aug 25, 2020 at 12:02 PM (Merged)
Avatar
JACOBANDNICKOLAS
  • CERTIFIED EXPERT
  • 110,175 POSTS
You need to have the computer scanned to identify why the lights are on. It should lead you to the problem. Most parts stores will do it for free.
Aug 25, 2020 at 12:02 PM (Merged)
Avatar
SANDMAN1
  • MEMBER
  • 1 POST
About a month ago my battery light started coming on intermittently at low RPM or idle, usually during temperatures 15-30 F. I had the battery & alternator checked, at idle and under load and they were perfect. The problem is persisting and getting more frequent, headlights dim when battery light comes on, but only stays on for a short time. Battery connections are good and battery ground is good. Any good ideas ?
Aug 25, 2020 at 12:02 PM (Merged)
Avatar
CARADIODOC
  • CERTIFIED EXPERT
  • 34,306 POSTS
Any testing of the generator must be done while the problem is occurring, otherwise it will test good. With the mileage you listed, you can expect to find worn brushes inside the generator. They will cause an intermittent no-charge condition, and it could go on like that for months.

I don't know which brand of generator is used on your car. If you can see it and you see "Nippendenso" on it, I can post some pictures of how to replace the brush assembly if you can find one. Most people just replace the entire generator. I can also share how to test it for worn brushes but you'll need a test light or an inexpensive digital voltmeter, and you'll have to wait with the testing until the problem acts up.

Don't overlook the possibility of snow or water getting on the serpentine belt and forming ice that makes it slip. That would occur at engine start-up, not after you've been driving for a while.

caradiodoc
Aug 25, 2020 at 12:02 PM (Merged)
Avatar
JESSCARTER214
  • MEMBER
  • 1 POST
My car has no sign of life at all. I thought it was a dead battery so I replaced with a new one and still nothing. I noticed the last time I moved it from outside into the garage it sounded different and my battery light was on.
Aug 25, 2020 at 12:02 PM (Merged)
Avatar
SATURNTECH9
  • CERTIFIED EXPERT
  • 30,869 POSTS
So you have a no crank no start?Or no crank no start?
Aug 25, 2020 at 12:02 PM (Merged)
Avatar
CJ MEDEVAC
  • CERTIFIED EXPERT
  • 11,004 POSTS
SAT9 MEANT NO CRANK AT ALL----OR IT DOES CRANK, JUST WON'T BUST OFF AND RUN

'CEPT HE WAS TRYING TO USE MECHANIC TERMINOLOGY AND HIS LAST PART SHOULDA SAID ..."OR CRANKS, BUT WON'T START"!

THE MEDIC
Aug 25, 2020 at 12:02 PM (Merged)
Avatar
SATURNTECH9
  • CERTIFIED EXPERT
  • 30,869 POSTS
Thanks for the correction lol.
Aug 25, 2020 at 12:02 PM (Merged)
Avatar
EKOSTE
  • MEMBER
  • 2 POSTS
My battery light stays on all the time until you drive the car and get the rpm's above 2000. When it comes down below 2000 it comes on again. I have changed the alternator and belt and have also clean the battery cables. I had an alternator shop check out the charging system and they said it was working normal. Battery also is good. Got any ideas? Oh, if I leave it in park or neutral and run the engine up past 2000 rpms it stays on. It only goes out when it is in gear and above 2000 rpm's.
Aug 25, 2020 at 12:02 PM (Merged)
Avatar
BMRFIXIT
  • CERTIFIED EXPERT
  • 19,053 POSTS
try out these tips before going the replacement route; they just may do the trick:

Do a battery cable reset by disconnecting the positive and negative battery cables and touching them together for 15 minutes with the ignition switch turned to ON (II) ENGINE OFF. A battery cable reset forces all capacitors in that component to discharge faster, and it clears and resets the computer memory. If a software glitch is the culprit, a battery cable reset will fix the problem just as effectively as installing a new component would. Before you do this procedure though, make sure the battery has a full charge. A low battery can cause electronic components to not work right or not work at all.

Unplug the connectors from the component, wait a few minutes, and then plug them back in. If a poor connection is the culprit, the simple act of unplugging and plugging in the connector cleans the terminal contact surfaces and usually fixes the problem. While you've got the connector unplugged, look for witness marks on the terminals-they indicate a good, tight fit. If you suspect loose terminals, remove a female terminal and use it like a feeler gauge to check the fit.
Aug 25, 2020 at 12:02 PM (Merged)
Avatar
EKOSTE
  • MEMBER
  • 2 POSTS
Did the battery cable reset. No help. Also cleaned and checked connectors and they checked good. Light still comes on when the car is in drive and rpm's are over about 2300, let off pedal and rpm's drop below 2300 and light comes back on. In park or neutral the light stays on regardless of rpm's. I can accelerate up to 5000 rpm's and the light stays on. So I replaced the alternator and that took care of the problem. Thanks for your help on this I guess the auto parts store was wrong. FYI
Aug 25, 2020 at 12:02 PM (Merged)
Avatar
HARLEY B SERRANO
  • MEMBER
  • 2 POSTS
Oil light on.
Battery light is on.

Belt turns slowly when trying to turn it on.
Aug 25, 2020 at 12:03 PM (Merged)
Avatar
JACOBANDNICKOLAS
  • CERTIFIED EXPERT
  • 110,175 POSTS
Hi,

The lights you mentioned. Do you mean they are on when the engine isn't running or trying to start it? Does the engine sound normal when cranking? If that is the case, the lights are not a concern at this point. Lets start simple. Here is a link that reviews the most common causes of a crank no start condition. See if it helps.

https://www.2carpros.com/articles/car-cranks-but-wont-start

Let me know if that helps or if you have other questions. Additionally, let me know if this happened all at once and what the conditions were when it happened.

Take care,
Joe
Aug 25, 2020 at 12:03 PM (Merged)
Avatar
TIM MILLER2
  • MEMBER
  • 3 POSTS
I had left the lights on for 4 hours and drained the battery. I tried to charge it but it drained quickly. I replaced the battery because it was several years old anyways. The battery light was still coming on and off. I had 2 shops test the charging system. The first one checked all the fuses and found the alternator was overcharging at times up to nearly 20v, but didn't think that was the cause of my battery drain. The second shop found the alternator was overcharging as well around 18+v an said i must replace the alternator before it causes more problems. So I replaced the alternator myself. After charging my new battery, I then installed and tested it and it is at 12.6v and when running its at 14.6v. I turned all the accessories on and the voltage drops minimally as i turn the equipment on. My question is, why is the battery light still coming on? I have seen where someone suggest that a trouble code could be stored and it may need to be cleared before the light will operate normally. Is this possible?
Aug 25, 2020 at 12:03 PM (Merged)
Avatar
TIM MILLER2
  • MEMBER
  • 3 POSTS
Just so you have everything I know about the problem I did run additional load tests. I checked the voltage readings at idle and accelerated rpm's. With accessories on and with them off. Based on my test results and comparing them to my expected results as provided by my Hanes Repair Manual all of my results fall well within the safe and proper reading allowances. I then went to Autozone to see if there are any current engine codes and according to his device there weren't any found. I realize his device was a very basic code reader which doesn't have the ability to read pending codes, history codes or clear the codes anyway. I will be taking the car to a garage tomorrow and hopefully they can check for history codes and give me direction. I really would like your expert opinion on this matter. Please advise. Thank you
Aug 25, 2020 at 12:03 PM (Merged)
Avatar
JACOBANDNICKOLAS
  • CERTIFIED EXPERT
  • 110,175 POSTS
Hi,

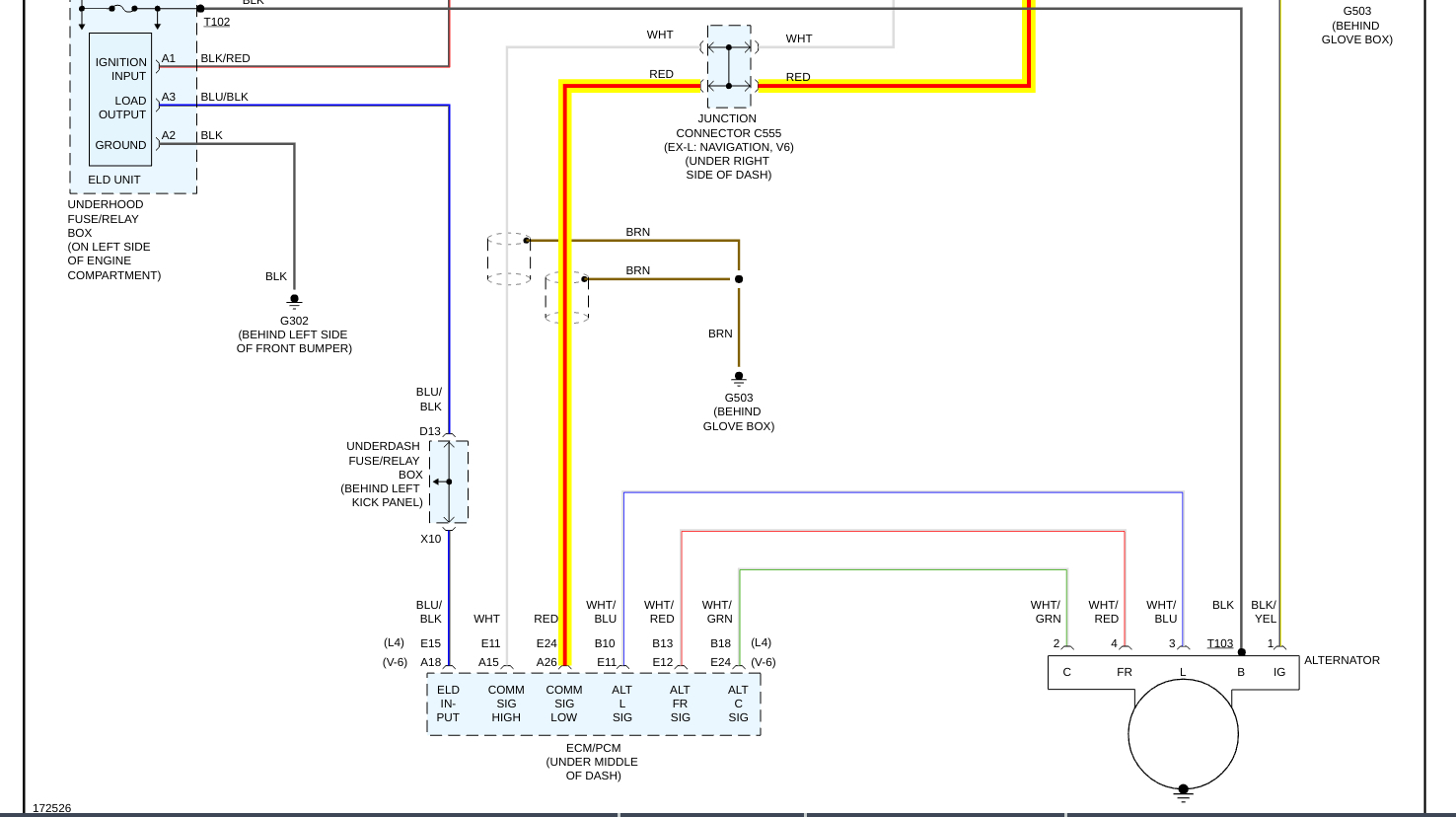
Tim, check fuse 21 in the under dash fuse box. It is a 7.5 amp fuse that most likely blew when it was over charging.

See the attached schematic and let me know what you find.

Joe
Aug 25, 2020 at 12:03 PM (Merged)
Avatar
SCGRANTURISMO
  • CERTIFIED EXPERT
  • 4,897 POSTS
Hello,

This could be a problem with the shielding on the highlighted wire that is on the charging circuit wiring diagram that I have included for you in the diagrams down below. I have also included a guide on how to find a short to ground and how to induce intermittent conditions in an automotive electrical circuit for you as well. You will need to use a Digital Multi-meter to use these guides, so here is a link below explaining how to use one, if needed:

https://www.2carpros.com/articles/how-to-use-a-voltmeter

If the shielding around the wire is okay then there is also a possibility of an intermittent short to ground in the highlighted wire in between ECM/PCM and the gauge control module causing the warning light to illuminate. Please go through these guides and get back to us with what you are able to find out.

Thanks,
Alex
2CarPros
Aug 25, 2020 at 12:03 PM (Merged)
Avatar
TIM MILLER2
  • MEMBER
  • 3 POSTS
I checked the #21 fuse and it was not blown. I will look at the other items you suggested next. Thank you.
Aug 25, 2020 at 12:03 PM (Merged)
Avatar
JACOBANDNICKOLAS
  • CERTIFIED EXPERT
  • 110,175 POSTS
Let us know what you find.

Joe
Aug 25, 2020 at 12:03 PM (Merged)
Avatar
BRYAN C.
  • MEMBER
  • 4 POSTS
driving home from work the engine light and battery light both went on, then ten minutes later all dash lights went on then the car started sputtering until arriving home. pulling into the carport the car just shut off and could not get it to start up again. headlights still go on but the radio displays to reset the five digit code.
Aug 25, 2020 at 12:03 PM (Merged)
Avatar
DOCHAGERTY
  • CERTIFIED EXPERT
  • 9,603 POSTS
Seems as if the charging system has stopped charging and the residual battery charge is all the car has to run on. Have the battery charged completely and then test the alternator. Voltage should be 13.5+ volts with the engine running.
Aug 25, 2020 at 12:03 PM (Merged)
Avatar
BRYAN C.
  • MEMBER
  • 4 POSTS
I will do that in the morning, will O'reilly auto parts be able to check the alternator for me?
Aug 25, 2020 at 12:04 PM (Merged)
Avatar
SATURNTECH9
  • CERTIFIED EXPERT
  • 30,869 POSTS
They can but you would have to remove the alternator and bring it to them or drive the car over there. If it is not charging I would not drive it over there. Use a multi meter to check the voltage when you get the battery charged and tested then check the voltage at the battery with the engine running.
Aug 25, 2020 at 12:04 PM (Merged)
Avatar
BRYAN C.
  • MEMBER
  • 4 POSTS
thank you very much for the answers. at least now there is light on what the problem could be .
Aug 25, 2020 at 12:04 PM (Merged)
Avatar
SATURNTECH9
  • CERTIFIED EXPERT
  • 30,869 POSTS
Your welcome most likely it sounds like your alternator went bad.
Aug 25, 2020 at 12:04 PM (Merged)
Avatar
DAKOLLEGEKID
  • MEMBER
  • 2 POSTS
I took my car to Auto zone and they did a test on the battery and the alternator, and both came out fine. The battery light is on in my car, but everything is working just fine. Could this be a sensor or a fuse problem?
Aug 25, 2020 at 12:04 PM (Merged)
Avatar
JACOBANDNICKOLAS
  • CERTIFIED EXPERT
  • 110,175 POSTS
If the alt is good and the battery too, check the fuseable link between the alternator and the battery.
Aug 25, 2020 at 12:04 PM (Merged)
Avatar
DAKOLLEGEKID
  • MEMBER
  • 2 POSTS
How do you locate the link?
Aug 25, 2020 at 12:04 PM (Merged)
Avatar
JACOBANDNICKOLAS
  • CERTIFIED EXPERT
  • 110,175 POSTS
The link is a wire between the alt and the battery.
Aug 25, 2020 at 12:04 PM (Merged)
Avatar
LOVCHUC
  • MEMBER
  • 1 POST
hi,my lights dim and all power gets low when idling,especially when compressor comes on.i replaced the altenator but it hasn't seemed to make a big improvement.i have 14.6 volts when i first start the car but it gradually decreases as it runs.it will drop to 10 volts when the compressor kicks on after running a while.what is going on with this thing?
Aug 25, 2020 at 12:04 PM (Merged)
Avatar
JACOBANDNICKOLAS
  • CERTIFIED EXPERT
  • 110,175 POSTS
It sounds like you may have gotten a bad alternator. Have you had it checked under a load?

Also, check all battery connections and the grounds. Make sure they are clean and tight.

Let me know what you find, and thanks for using 2carpros.com.

Joe
Aug 25, 2020 at 12:04 PM (Merged)
Avatar
VCAW
  • MEMBER
  • 1 POST
Hi, 2003 Honda Accord LX, my battery light has been flashing on and off for a while. I know I have an electrical issue due to inappropriate alterations done to the car by the previous owner. However, lately right after taking the car to the my mechanic when the car is hot it won't cut on at all. All electrical stuff come on. Windows roll down, ac/heat come on if already on(which isn't that often) Lights come on nice and bright. But car won't turn on. I've been told to go change my battery, fill up my coolant (which doesn't solve anything), it maybe a sensor or it maybe the starter. What do you think it could be?
Aug 25, 2020 at 12:04 PM (Merged)
Avatar
F4I_GUY
  • CERTIFIED EXPERT
  • 3,302 POSTS
If the battery light is on or flashing, it's a charging system issue. It's either the alternator, or one of the power cables on the vehicle is is providing a weak connection.
Aug 25, 2020 at 12:04 PM (Merged)