Battery light came on after replacing starter?

2008 PONTIAC G6
278,978 MILES • 2.4L • 2WD • AUTOMATIC
Avatar
101KJLIGHT
  • MEMBER
  • 1 POST
Sorry in advance for my weird wording but Ive been trying to figure out whats wrong with my car for the last year. I think ive finally got it narrowed down to wiring but im shocked ive made it this far I dont know much and cant afford for anyone else to work on it anyways we replaced my starter a yr ago and that made my battery light come on I was told not to worry about it so I drove fkr about an hour and it started saying no power steering no locks no this no that ik now its bc my battery isnt getting charge so i ended up getting towed home we realized the plug the connects into the starter was bent and counldnt plug in right so we rewired a new plug but my battery light is still on

weve replaced my alternator twice we replaced the belt and pulleys the battery and terminals well I mean the starter and plug too and its still got the light on the multimeter is showing the alternator isnt charging but I took it to get tested and starter alternator and battery tested good until I cranked the car then it showed its not charging so I was able at the time to take it to a shop to get it properly diagnosed but they told me they dont do wires due to their box giving them computer codes buttttt ik the battery not charging can throw computer codes so im hoping its something I can still replace with out it being something too crazy
I can charge my battery and go drive for at least 15 20 minutes come home leave it sitting un touched for weeks and then crank it back up just fine but as soon as I turn on radio headlights and my AC it starts telling me I loss power steering and all that again but if I turn off my extras it kind of mellows back out but u can tell its weak and then I turn it off and cant get it to crank back unless I recharge the battery
Apr 24, 2026 at 7:03 PM
Advertisement
Avatar
STRAILER
  • CERTIFIED EXPERT
  • 53,854 POSTS
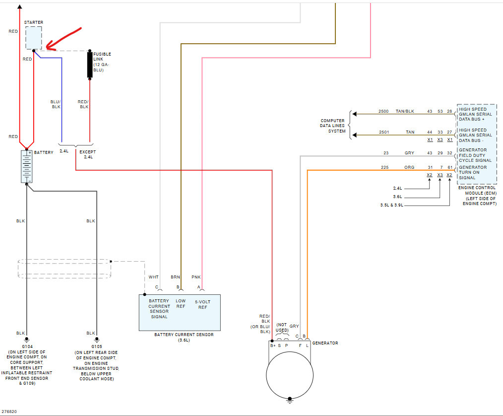
So the clue was the starter replacement, there is a main lead from the starter to the alternator that must be connected (large lug) It sounds like it was left off, I would recheck the wiring at the starter motor. Please check the wiring diagram below to see what I am talking about. Check out the images (below). Please let us know what happens.
Apr 25, 2026 at 8:55 AM