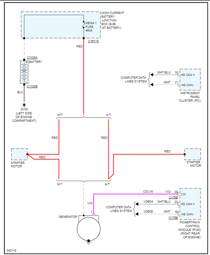
Battery light on. new OEM alternator new calcium battery. lin bus wire is communicating with alternator. When I start the vehicle and turn on rear demister on within 15 seconds, I can hear the alternator is working and revs drop then battery light comes on and rear demister light turns off at the same time. I'm wondering if this car was jump started the wrong way and stuffed the ECM?
Oct 14, 2023 at 10:02 PM





