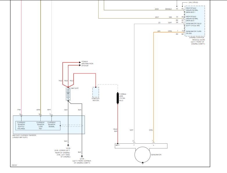
Last week I left the key on, so I asked my neighbor for a jump and he accidentally switched the cables. But then the battery light came on. Fast forward a week i have replaced the battery, the alternator, the fusible link, and the battery current sensor and the battery light still comes on. can someone please tell me how to get rid of the light so I can drive it again?
Feb 8, 2019 at 1:41 PM
