Battery light turned on

2014 CHRYSLER TOWN AND COUNTRY
128,000 MILES • V6 • AUTOMATIC
Avatar
SHAY BERES
  • MEMBER
  • 2 POSTS
The other day my battery light came on. Got it tested. Was okay replaced it and light still was on. Next day light was on still drove it for 30 minutes lost my A/C and all random light came on, shut it off and wouldn't start. Let it rest started back up drove it to a shop. Tested battery it was low so figured it must alternator. Got one. That was bad, exchanged and that was bad got a new one and now the wire harness clip won't stay in. Any ideas.
Jun 19, 2021 at 12:31 PM
Advertisement
Avatar
KASEKENNY
  • CERTIFIED EXPERT
  • 18,907 POSTS
Just to clarify, the alternator that you have now is working and not defective but the connector on the alternator will not stay on any longer?

If this is the case then I would just replace the connector as I suspect taking it on and off so much has caused the lock to fail.

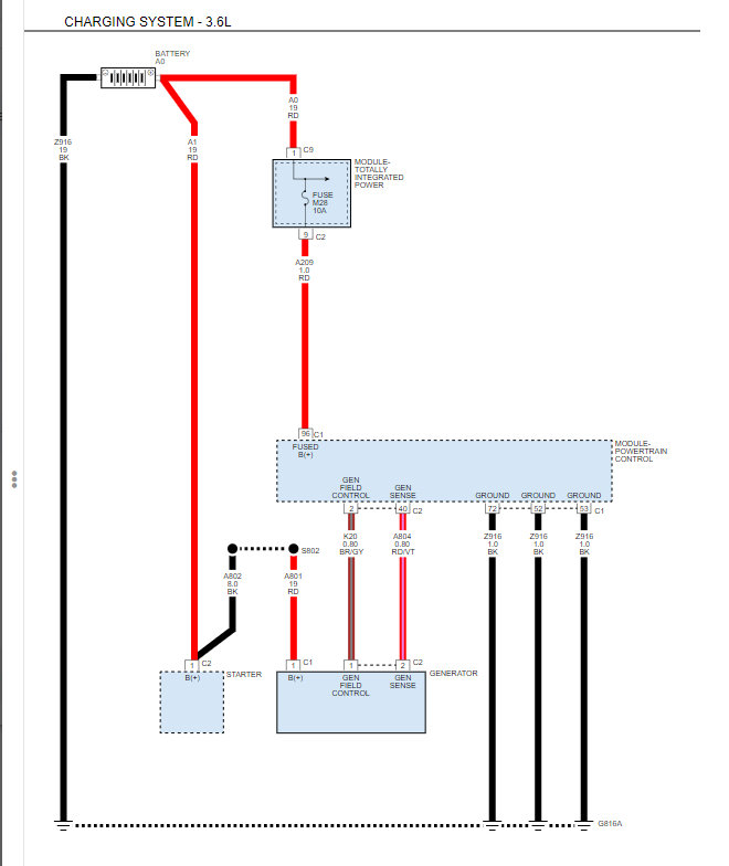
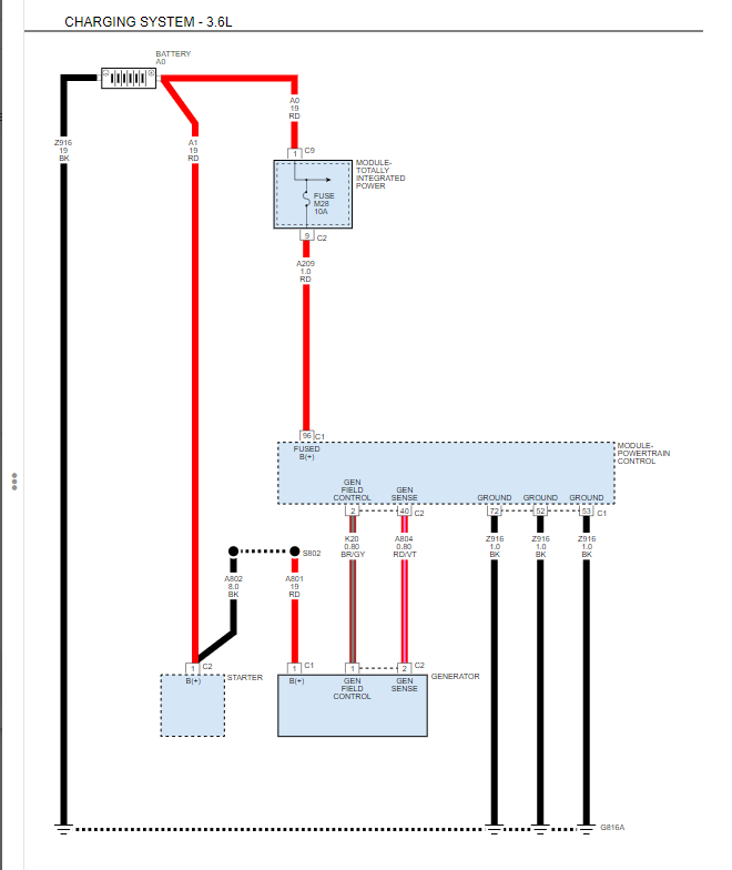
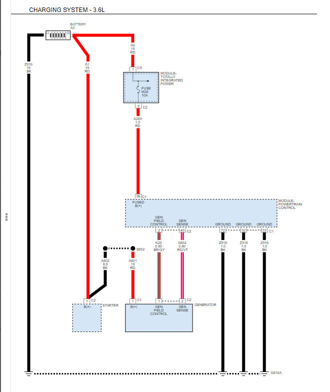
I am attaching the info on what is called a connector kit. This just the connector and wiring pigtails so that you can cut the old connector off and solder the wires back together so that you don't have to replace the entire harness.

I highlighted the part number and if you just do a Google search then you will find this connector. I attached a picture of this as well.

Please let us know if you have questions. thanks
Jun 20, 2021 at 12:46 PM
Avatar
SHAY BERES
  • MEMBER
  • 2 POSTS
Thank you! We finally got it to snap together and all is well now!
Jun 20, 2021 at 12:56 PM
Advertisement
Avatar
KASEKENNY
  • CERTIFIED EXPERT
  • 18,907 POSTS
Oh. Great. Well if this gives you more trouble then it most likely has a broken lock. They are clearly just plastic so they don't last forever. Just hold onto that part number if you ever need it in the future because that harness is a almost $500.00 and the connector is less then $20.00.

Thanks for using 2CarPros.
Jun 20, 2021 at 12:59 PM