Hello,
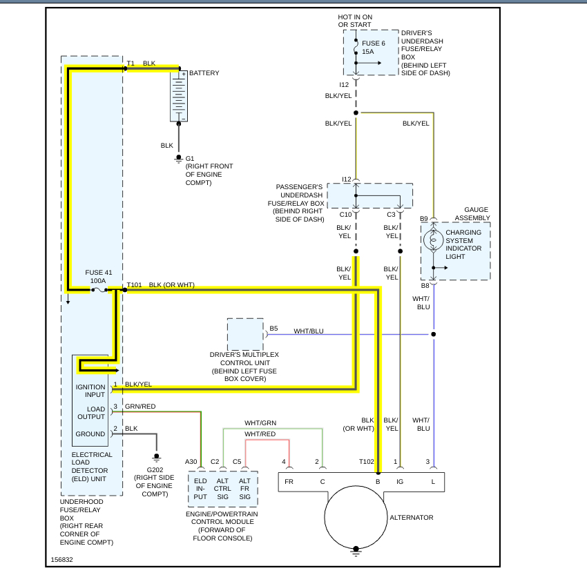
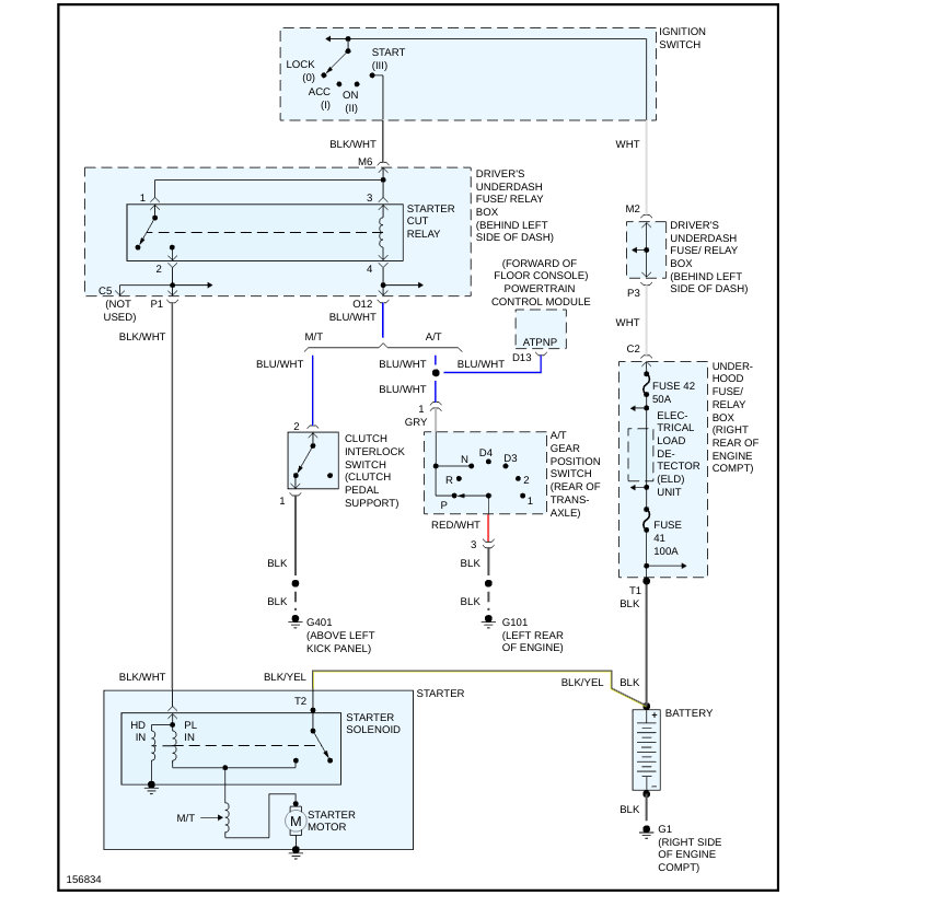
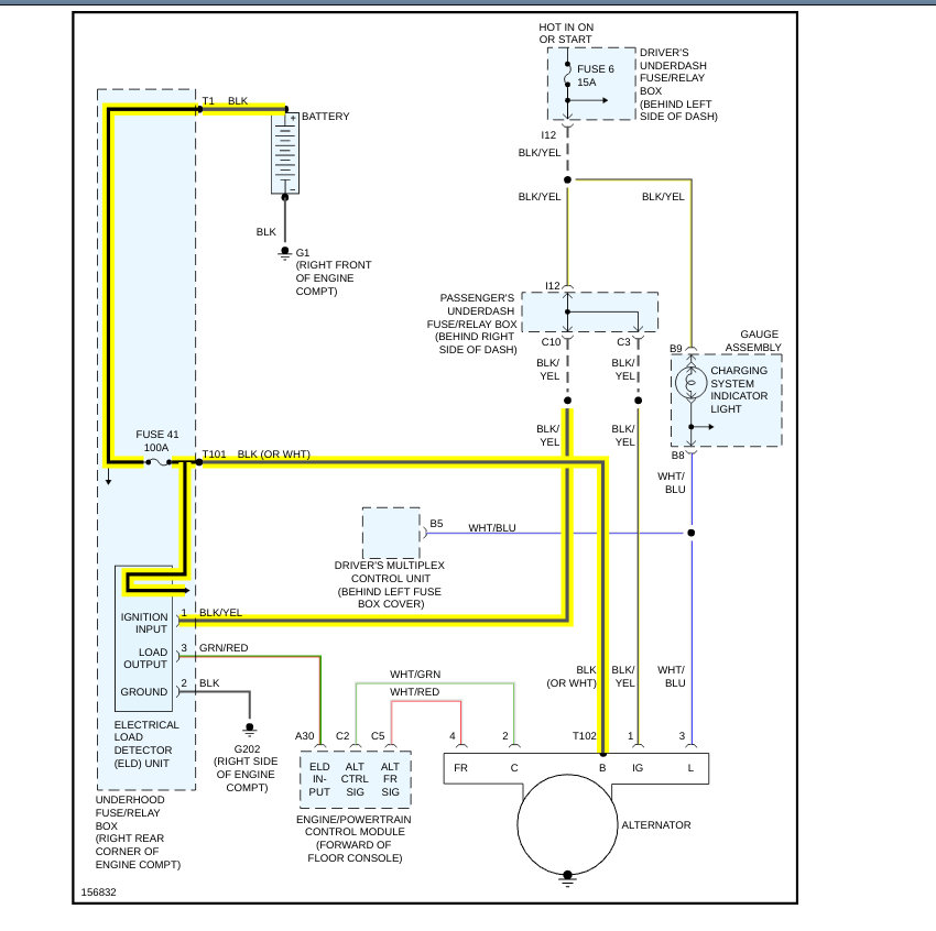
Your fuse blows because there is a short to ground in the circuit[s] that it is protecting. This happens because of Ohm's Laws. Ohm's law are the laws that govern electricity. This one of Ohm's laws states that one of the three properties of electricity is constant[Voltage - Voltage is always constant in an automobile-Battery Voltage] and one of the remaining two properties goes down[Resistance - Resistance goes to zero when a short to ground happens because there is now a direct path back to the battery's negative terminal] then the final property must go up proportionally[Amperage - Amperage rises to battery amperage]. This is more Amps then the fuse is rated for and it blows "POP", or to be more precise, it melts, creating an open in the circuit and protecting whatever component that the circuit was designed to service, or the circuits load. In the diagrams down below I have included the starting and charging circuits for your vehicle as well as a guide on how to find short to grounds in an automotive electrical circuit for you. You will need to use a Digital Multi-meter to go through these guides, so here is a link down below explaining how to use one, if needed:
https://www.2carpros.com/articles/how-to-use-a-voltmeter
Please go through these guides and get back to us with what you find out. I have high lighted the wires to check for you as well.
Thanks,
Alex
2CarPros
Images (Click to enlarge)
Jan 4, 2020 at 5:15 AM