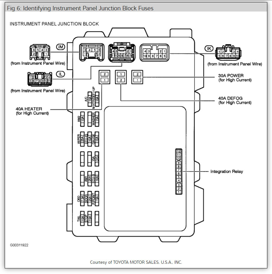
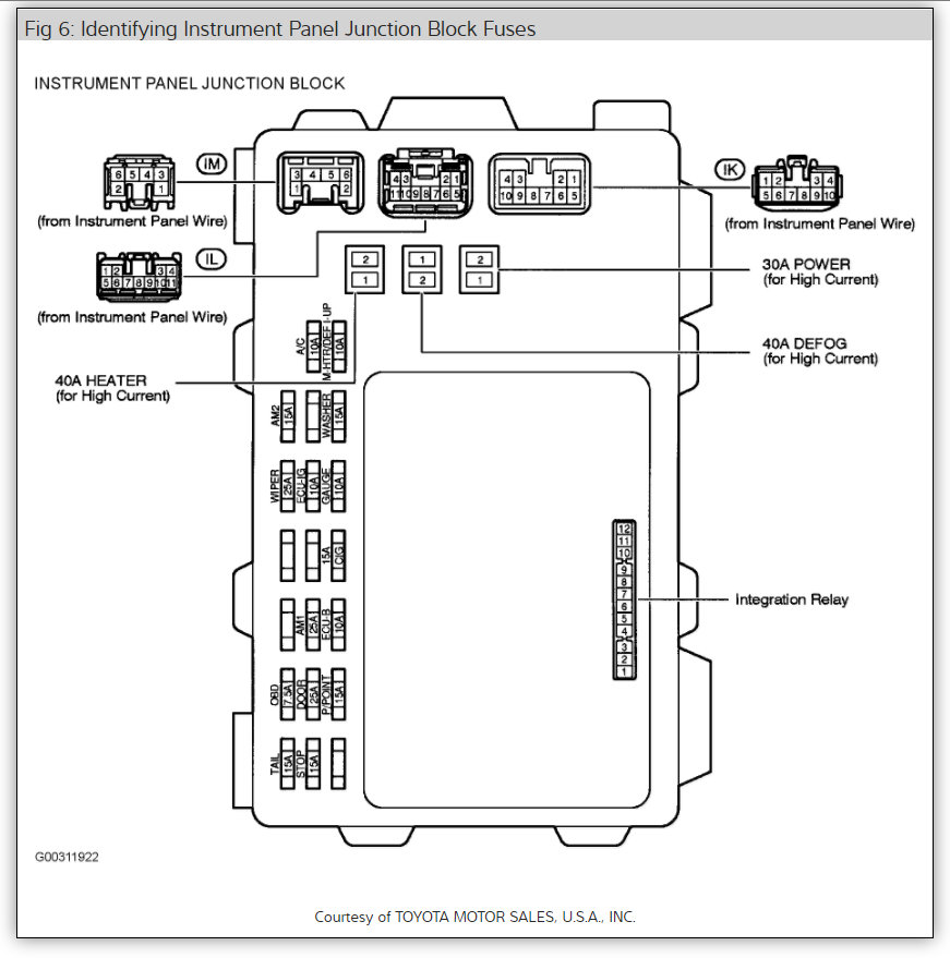
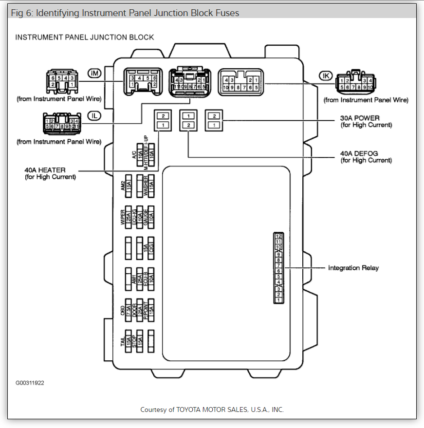
The car started quick okay then just shut off. When I tried to start it again it just cranked up. I later noticed when the key was turned on, battery and engine check lights were not coming on.
Regards,
John
Regards,
John
Feb 16, 2020 at 12:07 AM






