Hello,
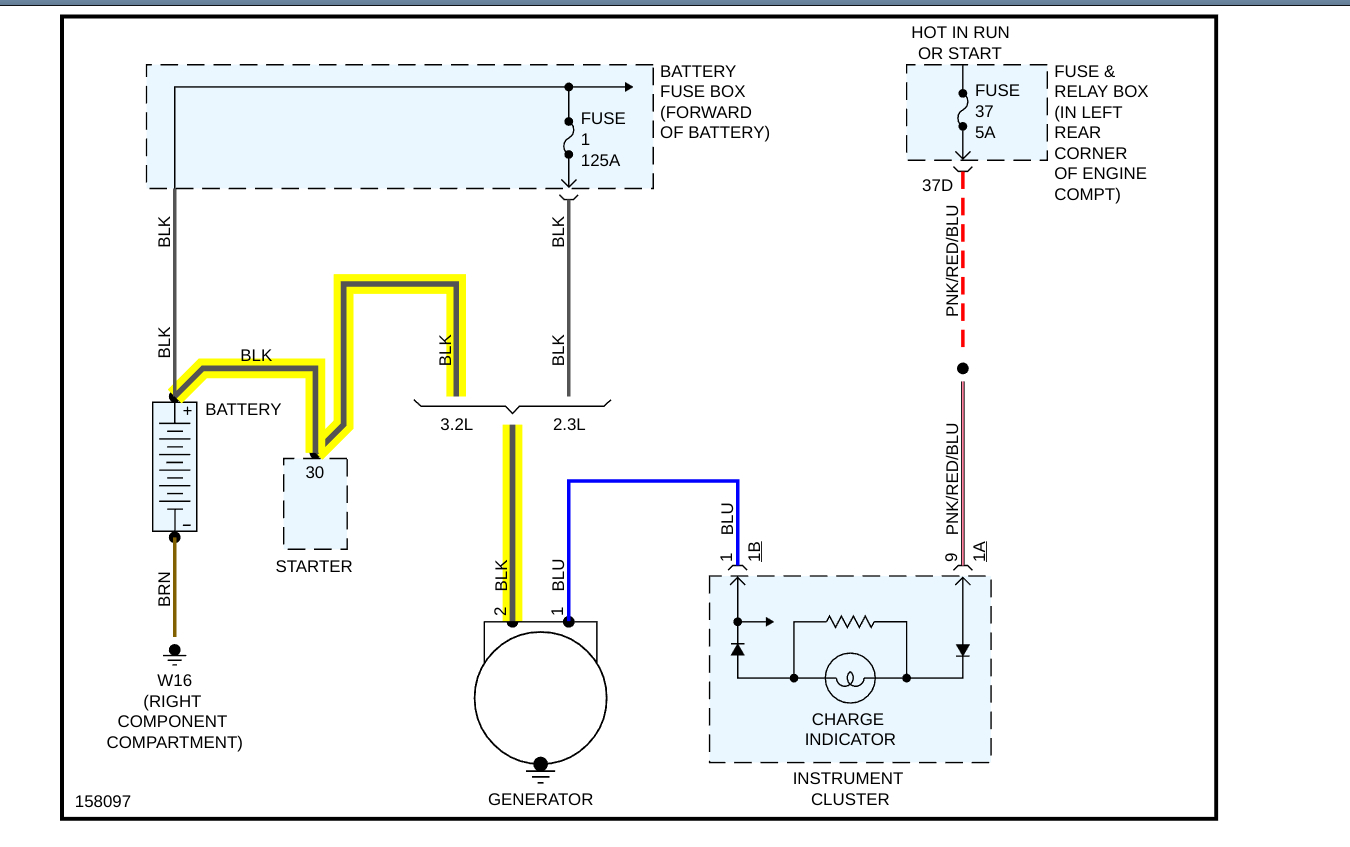
This could be a problem with the wiring from the alternator to the battery. In the diagrams down below I have included the wiring diagram of the charging circuit for your vehicle and a guide on how to find opens in automotive electrical circuits and how to find unwanted resistance in an automotive circuit using voltage drop. You will need to use a Digital Multi-meter [DMM] to go through these guides, so here is a link below explaining how to use one below, if needed:
https://www.2carpros.com/articles/how-to-use-a-voltmeter
Please go through these guides and test the highlighted wires in the wiring diagram and get back to us with what you find out. We can go from there.
Thanks,
Alex
2CarPros
Images (Click to enlarge)
Dec 9, 2019 at 10:08 PM