Battery drain

2011 ACURA MDX
73,000 MILES • V6 • AWD • AUTOMATIC
Avatar
JEFF TANG
  • MEMBER
  • 1 POST
I have a current draw of 0.5A caused by the #4 fuse (under hood by the battery) or the #7 fuse (under the driver's dash) which point to the backup circuit. What should I be checking? I have already checked the hands free link or A/C clutch relay, so they are not the issue. I have no navigation system either.
Aug 30, 2017 at 8:48 PM
Advertisement
Avatar
STRAILER
  • CERTIFIED EXPERT
  • 53,854 POSTS
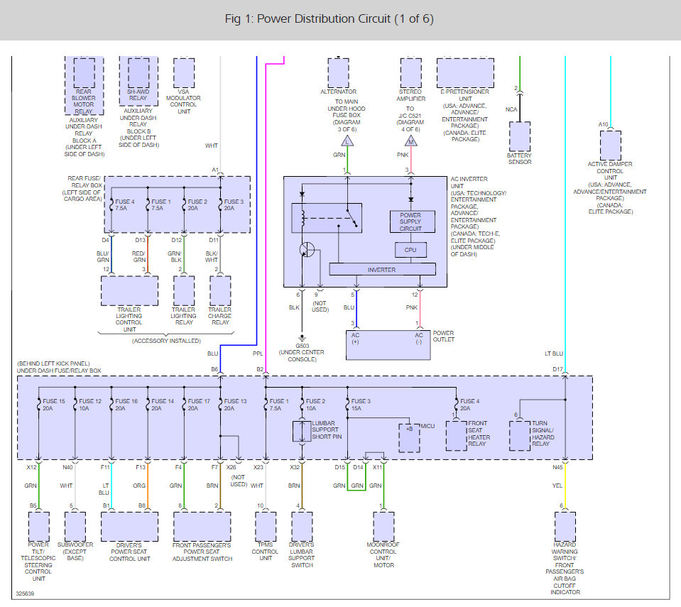
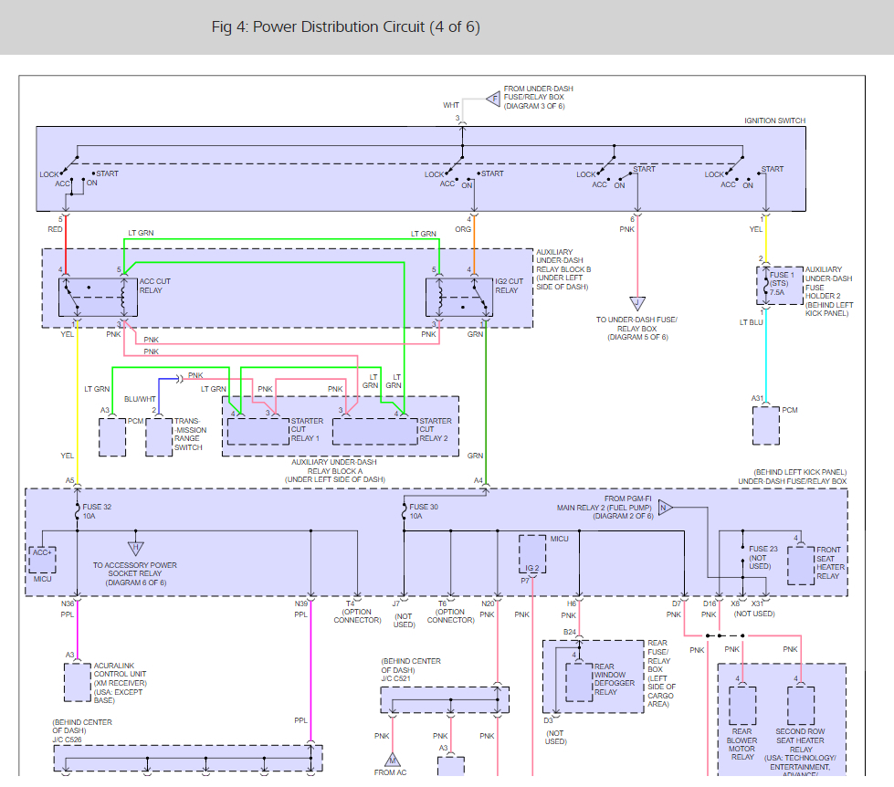
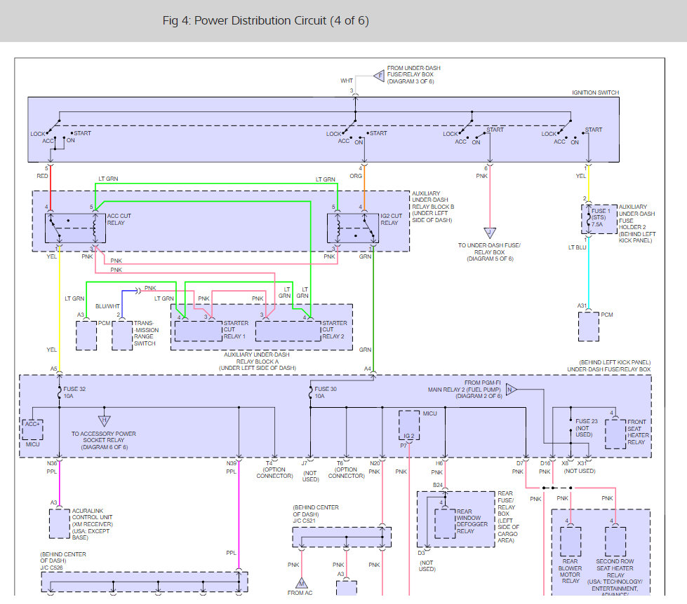
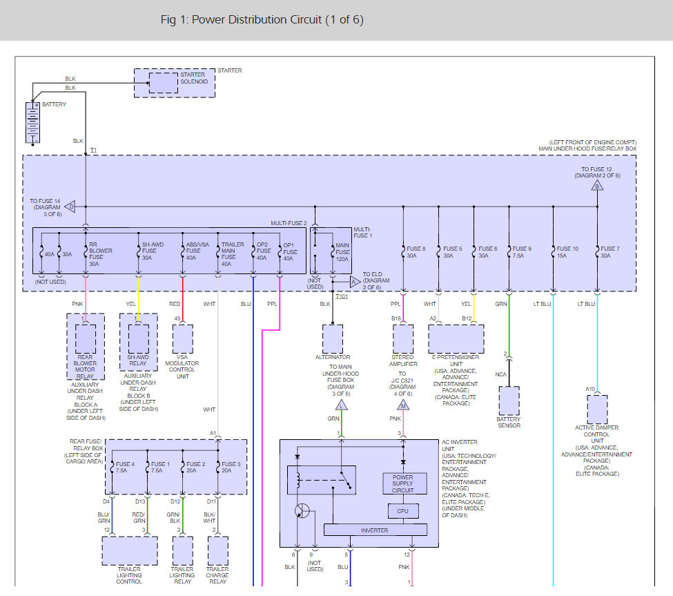
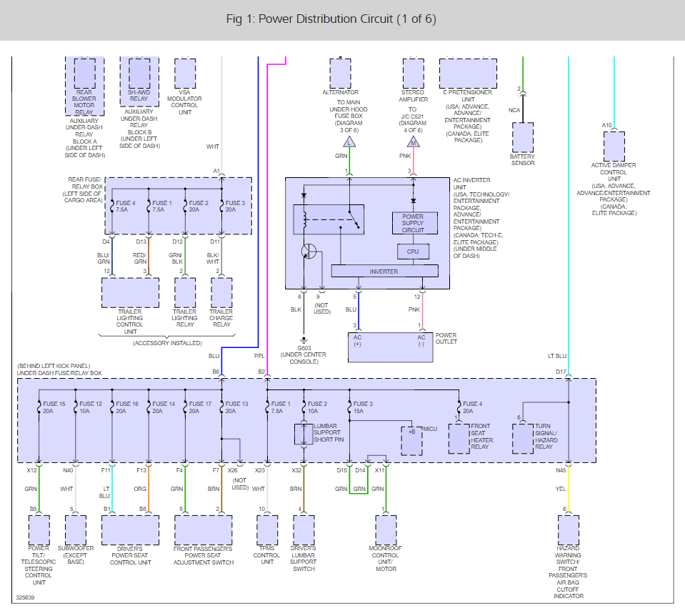
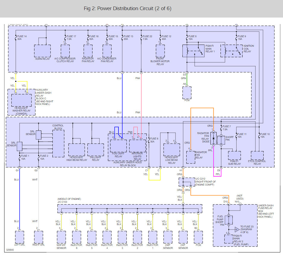
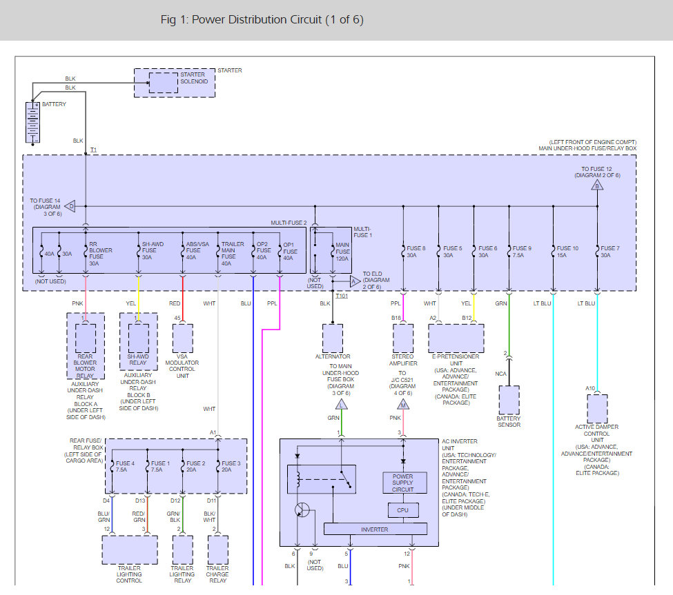
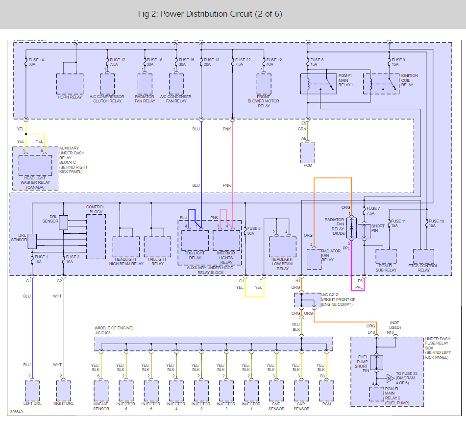
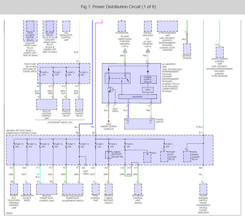
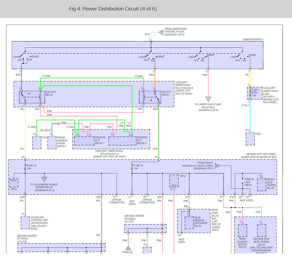
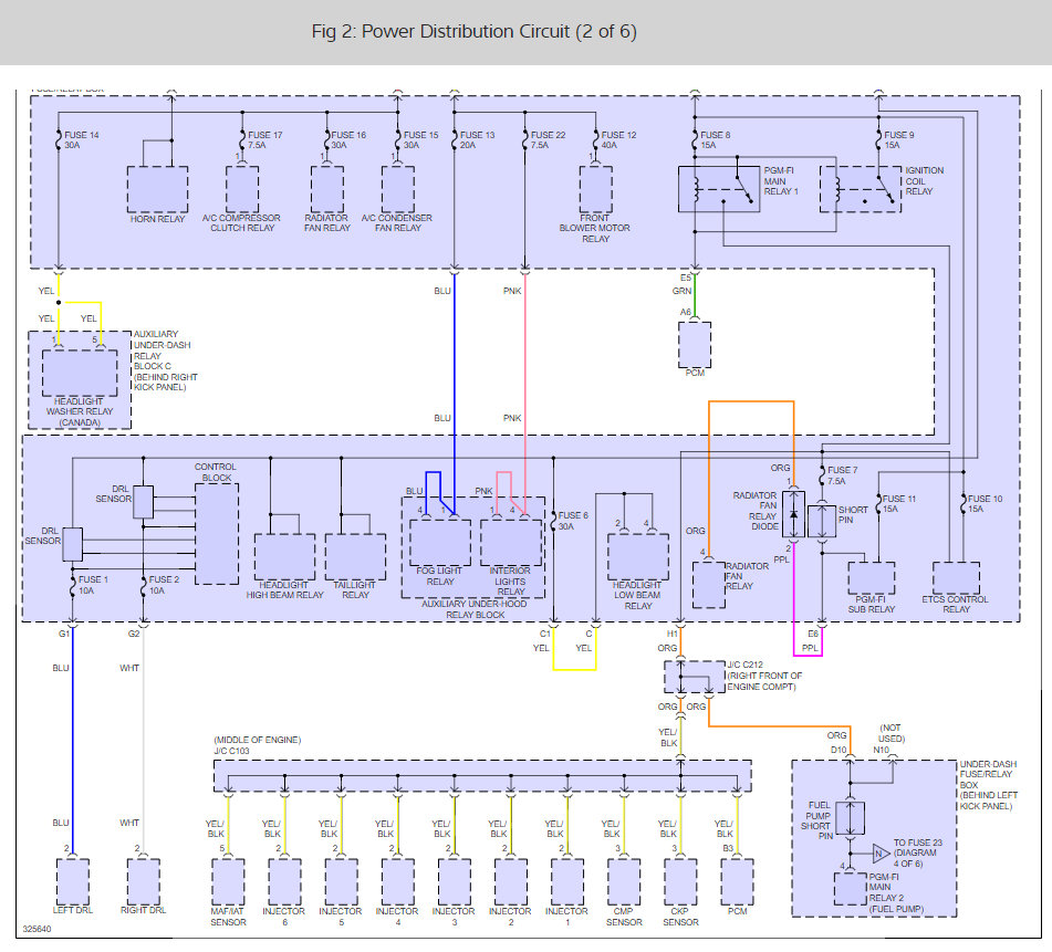
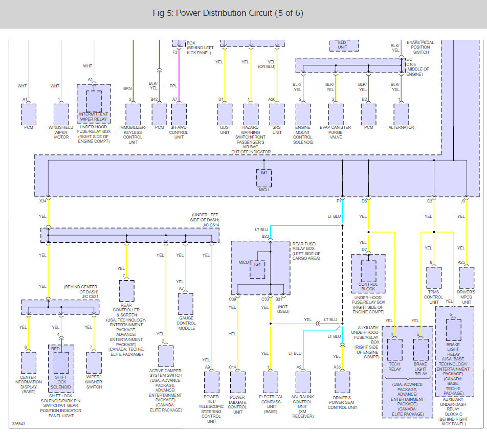
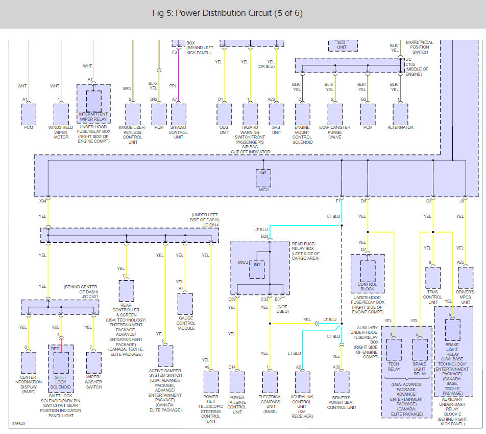
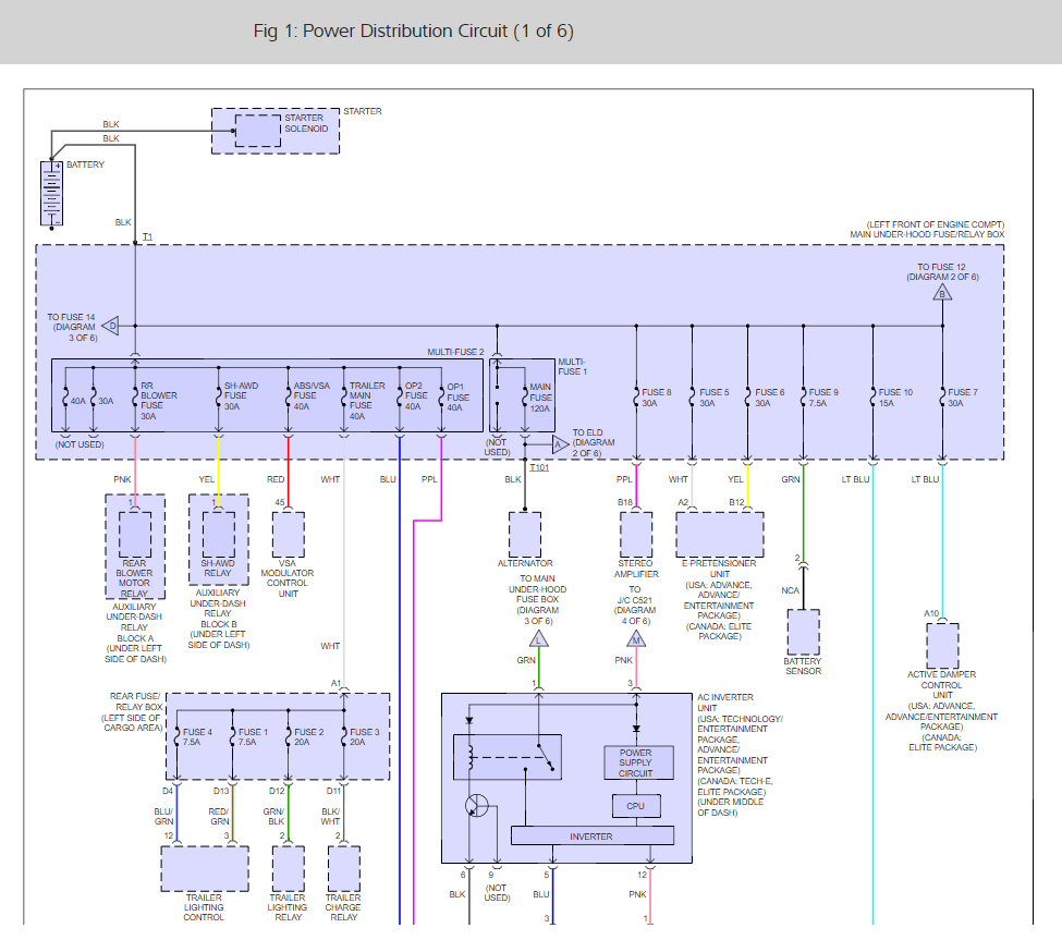
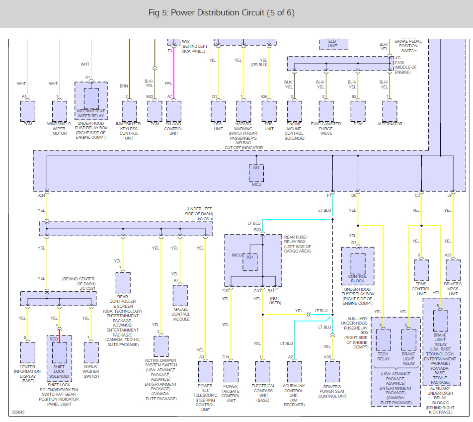
It looks like fuse #4 in the under hood fuse panel goes to the heated seat relay which could be stuck on are the seats warm? I would remove the relay to see if the draw stops. Below are some wiring diagrams so you can see what I am talking about.

Here is a guide that can help as well:

https://www.2carpros.com/articles/car-battery-dead-overnight

Please let us know what happens.

Cheers, Ken
Aug 31, 2017 at 10:31 AM