Battery drain

2001 FORD RANGER
120,000 MILES • V6 • 4WD
Avatar
SPEEDILAD
  • MEMBER
  • 4 POSTS
Battery drains when sitting.
Jun 9, 2020 at 4:28 PM
Advertisement
Avatar
KASEKENNY
  • CERTIFIED EXPERT
  • 18,907 POSTS
Can you provide a little more detail about how long this takes for the battery to drain? Does the vehicle sit for weeks or just a day or so and the battery is drained?

Also, have you checked to see what the ignition off draw is? Meaning hook your meter in line from the battery post to the battery cable. Set your meter on amperage and tell me what the amps are.

https://www.2carpros.com/articles/car-battery-dead-overnight

Once you get the draw on the vehicle start pulling fuses to see when the draw goes away.

Let me know this info and we can go from there. Thanks
Jun 9, 2020 at 4:53 PM
Avatar
SPEEDILAD
  • MEMBER
  • 4 POSTS
I just reviewed doing a parasitic draw check procedure. I'll get back to you tomorrow with the outcome... Thanks.
Jim
Jun 9, 2020 at 5:07 PM
Advertisement
Avatar
SPEEDILAD
  • MEMBER
  • 4 POSTS
I tried to do parasitic draw check but could not determine how to disable the door switch (couldn't find it) so I didn't proceed.
Jun 10, 2020 at 1:52 PM
Avatar
KASEKENNY
  • CERTIFIED EXPERT
  • 18,907 POSTS
On your vehicle you need to flip the latch in the door so that it thinks the door is closed. Just use a screw driver and pull the latch down and you will see the door ajar light go off.

Let me know if you can't figure this out and I will get you more info. Thanks
Jun 11, 2020 at 6:14 PM
Avatar
SPEEDILAD
  • MEMBER
  • 4 POSTS
I flipped the latch. Courtesy light out.
Tested current draw. It was .195.
Pulled fuse 26 & current draw dropped to .014. What now?
Jun 13, 2020 at 9:41 AM
Avatar
KASEKENNY
  • CERTIFIED EXPERT
  • 18,907 POSTS
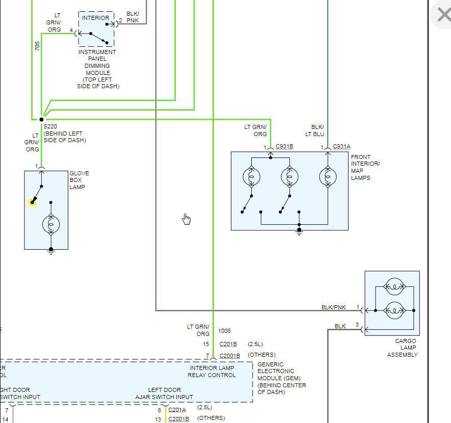
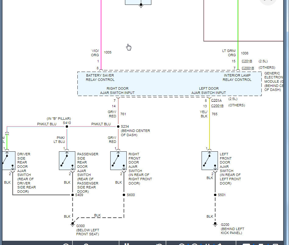
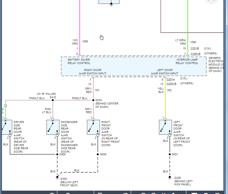
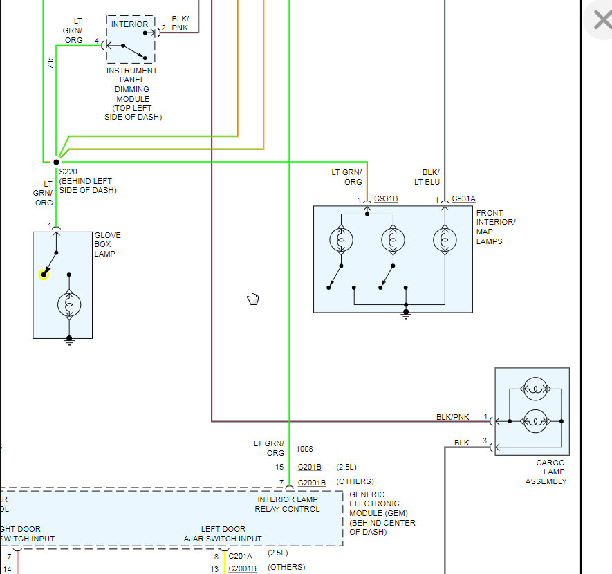
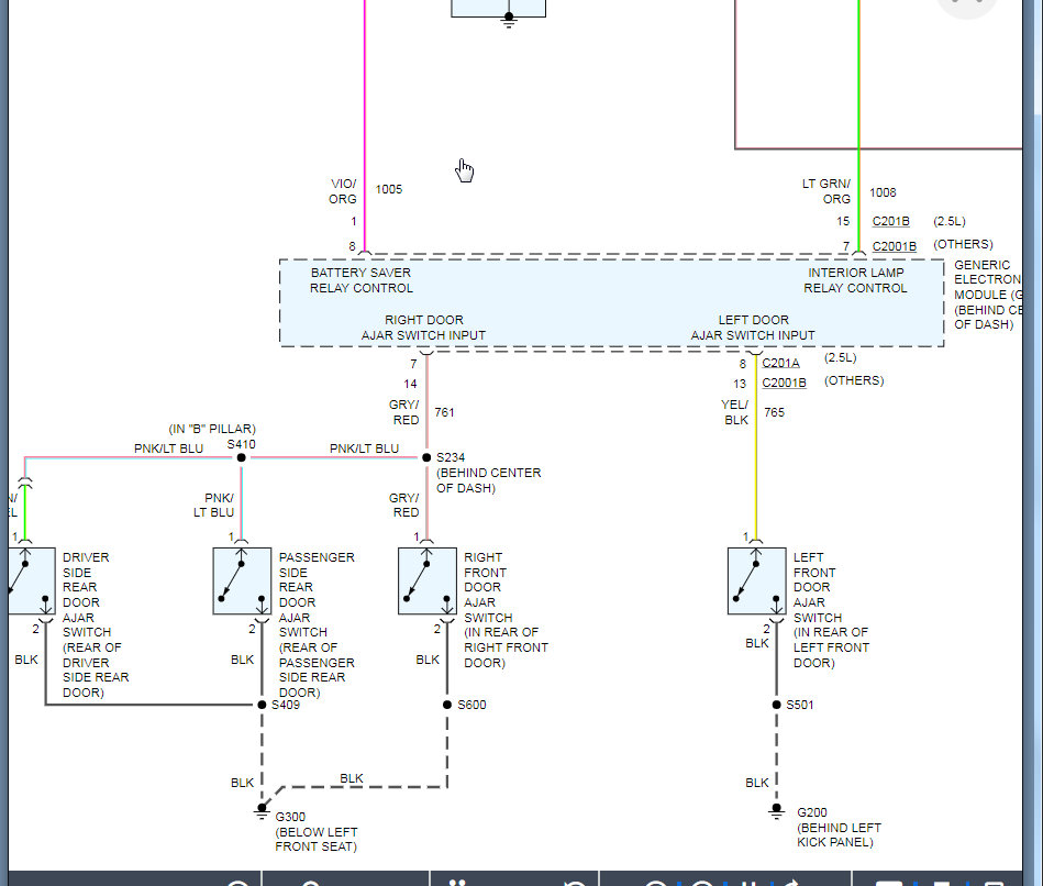
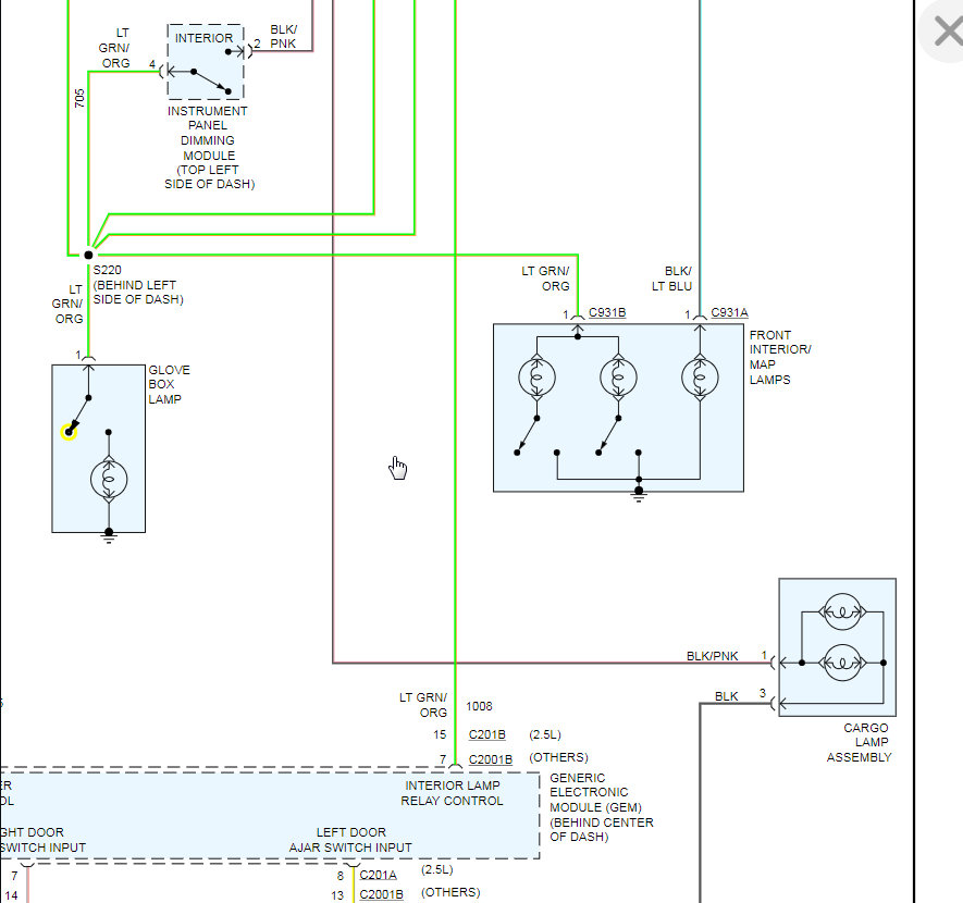
That is great. Now we need to dig into what is on that fuse. Take a look at the attachments. Basically there are a number of things that we need to eliminate to find out what the specific component is that is causing the draw.

Next thing to do is plug back in the fuse 26 and go to the auxiliary relay box and remove the battery saver relay and see if the draw goes away.

If this goes away then we need to plug the relay back in and go to each component on the relay and unhook them one at a time until it is gone.

Does this make sense? Picture this issue being a tree. The specific component draining the battery would be one leaf on that tree. Basically you have found the branch that the problem leaf is on, now we just need to narrow it down to the twig and the the leaf on that twig that is causing the issue.
Jun 13, 2020 at 7:55 PM