Battery Drain tried to pull fuse?

2001 JAGUAR XK8
129,000 MILES • 4.0L • V8 • 2WD • AUTOMATIC
Avatar
SIXTY6GTO
  • MEMBER
  • 95 POSTS
Car has battery drain. Already tried to pull fuses one at a time with volt meter or test light and could not isolate the circuit. It seems that the instrument cluster could be involved in the cause of the drain. Are there any common areas that are causes of battery drain on this model car? I have to re-ask this question as my original question got deleted or erased somehow.
Jan 2, 2026 at 12:11 AM
Advertisement
Avatar
STRAILER
  • CERTIFIED EXPERT
  • 53,854 POSTS
Hello,

Hmm, I have seen the AC compressor control relay stick on and drain the battery in these cars. But, I would check the glove box light and the trunk light. The cluster does use fuse #18 in the driver side fuse panel which is hot all the time so if you remove this fuse the raw should stop if the cluster is the issue. Here is a great guide on how to find the draw and the most popular items to cause the draw.

https://www.2carpros.com/articles/car-battery-dead-overnight

Here is the location of the AC compressor clutch relay so you can remove it to see if the draw stops as well. Check out the images (below). Let us know how it goes





Jan 2, 2026 at 10:43 AM
Avatar
SIXTY6GTO
  • MEMBER
  • 95 POSTS
Pulled the Ac relay. Verified the glove box and trunk are not the issue. Before the Ac relay was pulled the battery voltage was 12.79. I checked the voltage 23 hrs later (with the ac relay removed), the volts dropped to 12.31. What do you think?
Jan 4, 2026 at 8:54 PM
Advertisement
Avatar
STRAILER
  • CERTIFIED EXPERT
  • 53,854 POSTS
How old is the battery? I would run the car and then disconnect the battery and wait a day or so and do the voltage readings again. 12.31 is a little low for a battery at rest. It may not have the cold cranking amps to start the engine.
Jan 5, 2026 at 9:35 AM
Avatar
SIXTY6GTO
  • MEMBER
  • 95 POSTS
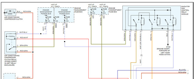
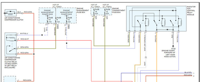
Hi Ken, Can you supply me with the electrical schematic for the circuit that the AC compressor clutch relay is in please. Thanks
Jan 5, 2026 at 4:42 PM
Avatar
STRAILER
  • CERTIFIED EXPERT
  • 53,854 POSTS
Sure here you go, did the engine start after you pulled the AC compressor relay? Check out the images (below). Let us know how it goes
Jan 7, 2026 at 11:35 AM
Avatar
SIXTY6GTO
  • MEMBER
  • 95 POSTS
It started fine after pulling the A/C relay. The car was driven and when parked the battery read 12.37. Came back to the garage 2 1/2 hours later and the voltage read 13.16. The car has been sitting approximately 3 days since then and I will check the voltage again and start the car and let you know. I will get back to you soon with that information.....Update... I just checked checked the battery voltage after approximately 3 days of the car sitting and it is 12.31. Also, The car starts right up normal. With car running its 14.17 and headlights auto on. I ran the car for 4 minutes and then shut the car off. The voltage reading with car off was 13.05.
Jan 8, 2026 at 4:55 PM
Avatar
STRAILER
  • CERTIFIED EXPERT
  • 53,854 POSTS
Nice, so it sounds like the AC compressor relay was stuck closed and the battery drain is gone, good work :)
Jan 9, 2026 at 9:23 AM