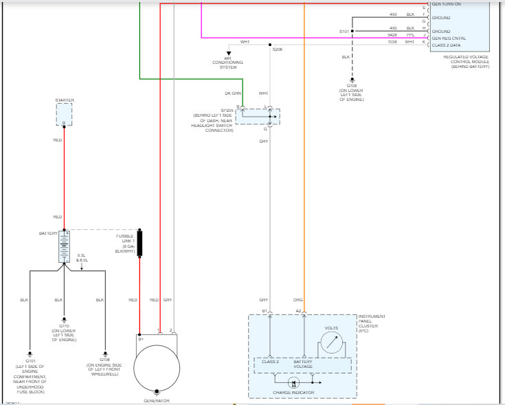
Started my truck this morning and noticed the Battery Light was on. The gauges on the dash show the battery is good, and the alternator is charging. Any ideas what could be doing this?
thanks
thanks
Aug 10, 2022 at 7:41 AM


