This could be a couple things so we need to find out what codes are there to start.
https://www.2carpros.com/articles/checking-a-service-engine-soon-or-check-engine-light-on-or-flashing
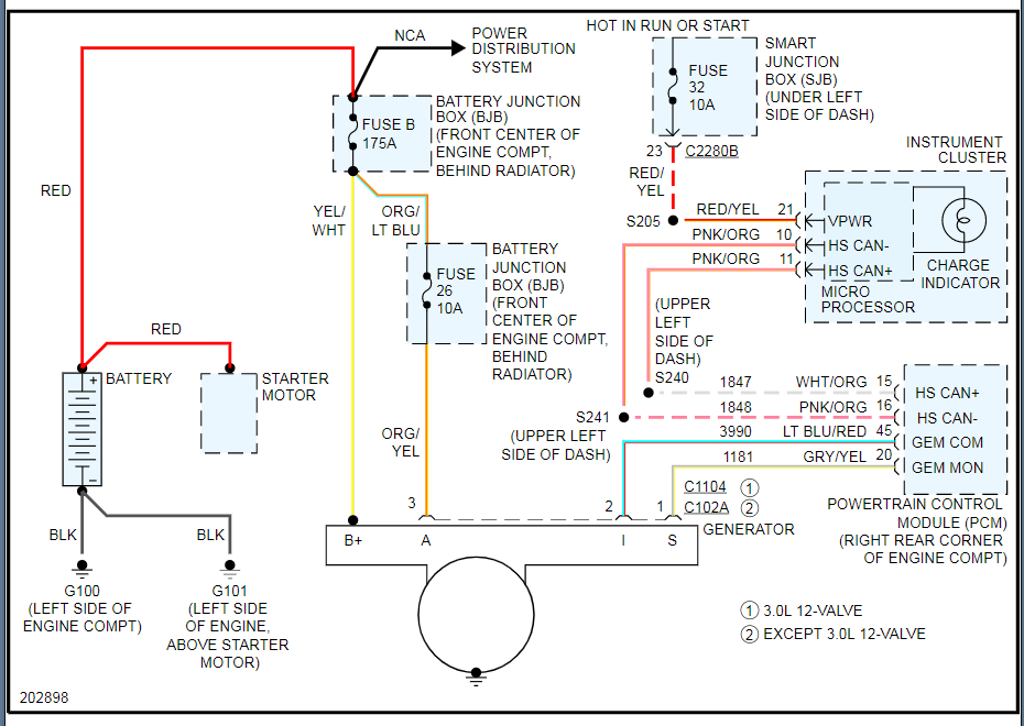
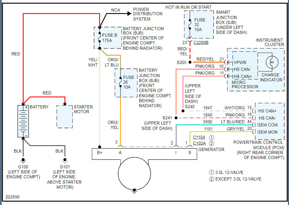
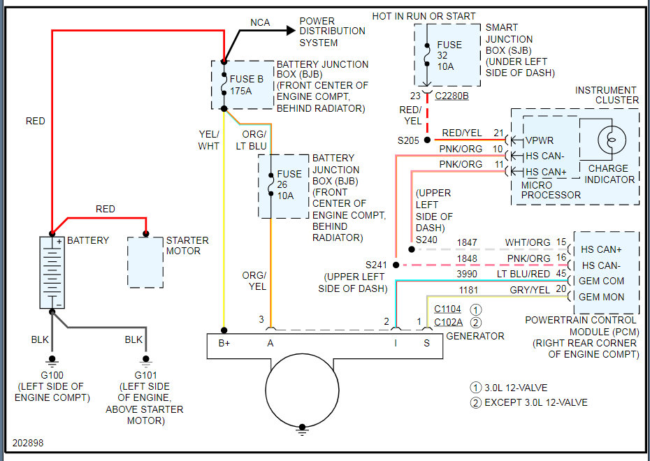
If there are no codes then we need to find out if the PCM is getting the correct voltage signal from the generator.
https://www.2carpros.com/articles/how-a-car-electrical-system-works
The way this works is it gets the voltage and then the PCM sends the info to the cluster to turn the light on or off.
If the PCM is getting the proper voltage on the generator sense wires then the PCM is the issue. I suspect what is happening is the PCM has a circuit issue and is incorrectly turning on the lamp. So if the PCM is getting the proper voltage then it is a PCM.
https://www.2carpros.com/articles/how-to-check-wiring
Please see the wiring diagram below for the info on this. Thanks
Jun 9, 2021 at 2:57 PM