Radio wiring please?

2010 CHEVROLET CAMARO
20,000 MILES • 4.8L • V8
Avatar
TBFACTORS
  • MEMBER
  • 1 POST
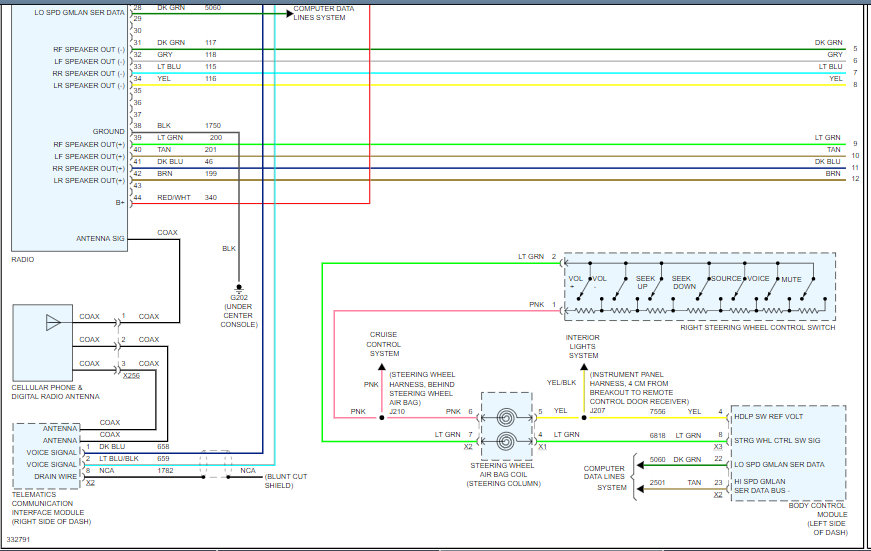
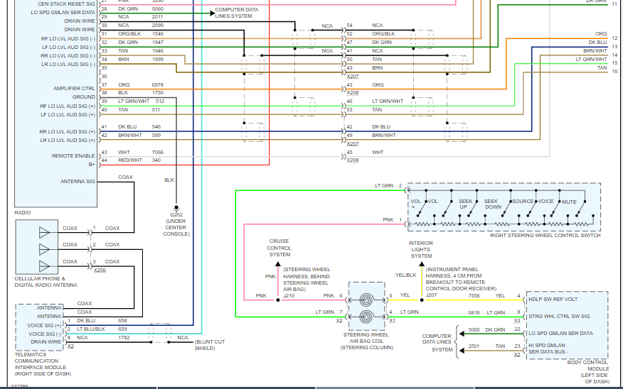
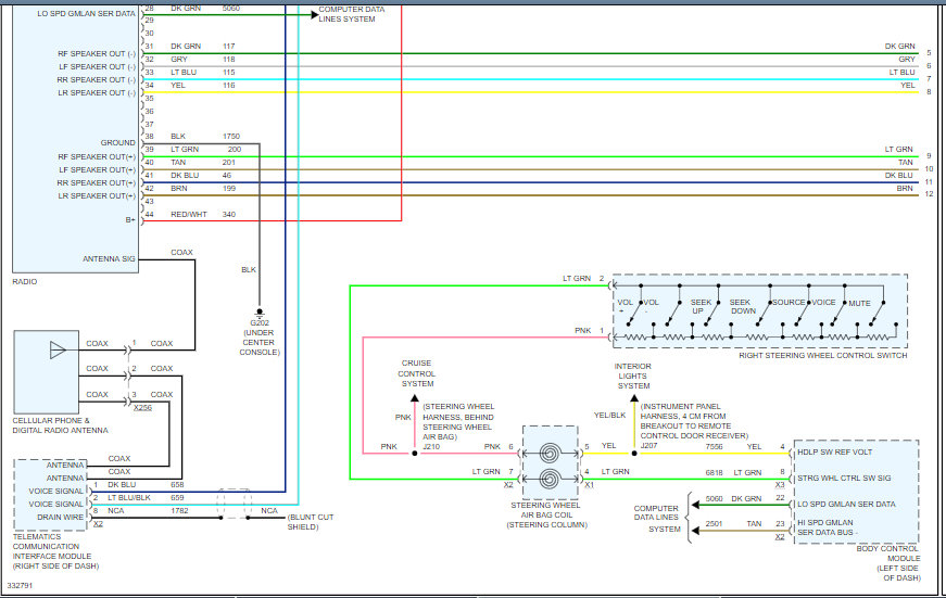
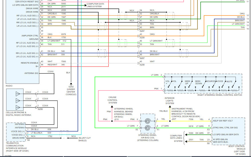
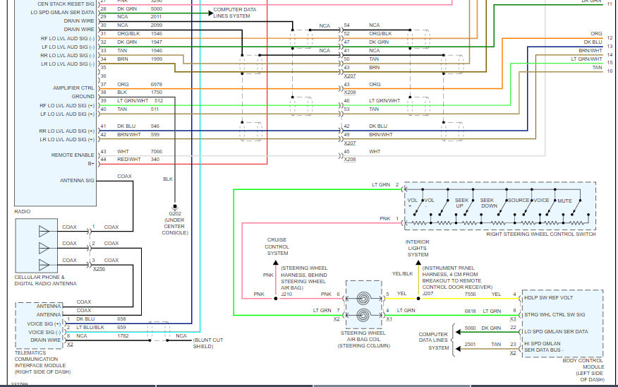
Is it possible to set balance control on the radio? I need the radio wiring diagrams please.
Jul 25, 2020 at 10:53 AM
Advertisement
Avatar
DANNY L
  • CERTIFIED EXPERT
  • 5,648 POSTS
Hello, I'm Danny.

I've attached the radio diagrams you requested below for your car. I've cut the diagrams in half so you can view larger. The first 4 pictures are for the base audio system and the last 4 pictures are for the premium audio system. Hope this helps and thanks for using 2CarPros.
Dec 29, 2020 at 5:29 AM