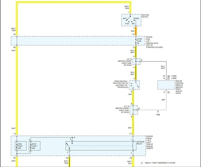
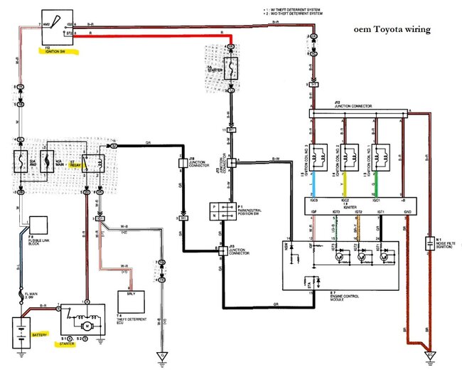
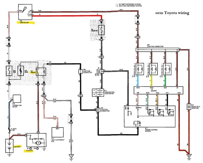
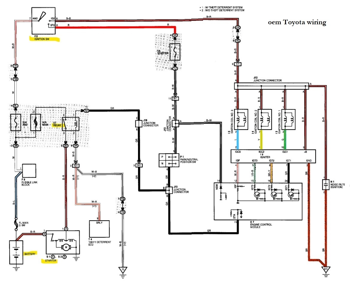
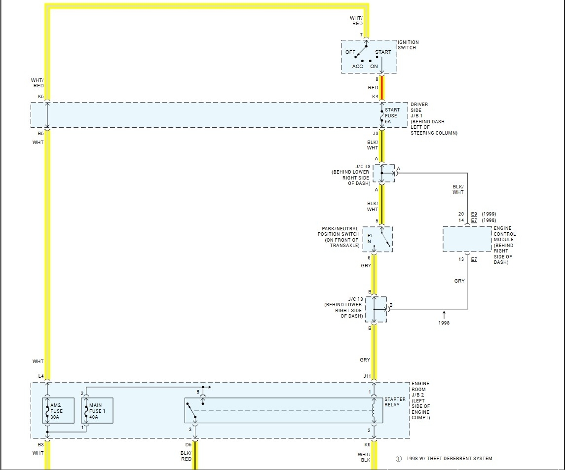
Yesterday I discovered I had left my lights on the night before on the vehicle listed above and when I turned the key the battery was dead and there was a single click sound. I hooked up my jumper box with 12.6 volts on it and it wouldn't jump. I did not know where my voltmeter was so I didn't know what was on the battery since I couldn't find my voltmeter, I tried to jump off my running RV battery nothing. The starter says Toyota on it so it's no doubt OEM, but I don't know if it's the original, chances are it is. I decided to put the battery on a charger and the battery at the time was around 12.6 or so charged it for a couple hours still wouldn't start. Tapped on the starter lightly a few times still wouldn't start. Hooked up the jumper pack after giving it a few more taps it started.
My theory is that despite the starter not having any kind of symptoms about to go out no whirring sounds or not cranking and turning over trying to start it with the dead battery is what did in an old starter but my mechanical brain isn't accepting that lol l Had to go to Walmart left it running for about 15 to 20 minutes. Came back out didn't sound like it was running very quiet so in order to conserve the battery I turned off the ignition that was probably not the best decision it seems that it was running I went to start it again wouldn't start and so that's where it's at now and all my parking lot. I tested for voltage to the starter and it is getting the same as battery. I know it could be the starter, but could it also be the relay or something simpler? If I can start it myself, I'm going to have it towed back to RV park in staying at and fix it myself.
My theory is that despite the starter not having any kind of symptoms about to go out no whirring sounds or not cranking and turning over trying to start it with the dead battery is what did in an old starter but my mechanical brain isn't accepting that lol l Had to go to Walmart left it running for about 15 to 20 minutes. Came back out didn't sound like it was running very quiet so in order to conserve the battery I turned off the ignition that was probably not the best decision it seems that it was running I went to start it again wouldn't start and so that's where it's at now and all my parking lot. I tested for voltage to the starter and it is getting the same as battery. I know it could be the starter, but could it also be the relay or something simpler? If I can start it myself, I'm going to have it towed back to RV park in staying at and fix it myself.
Jun 13, 2024 at 10:21 AM



