Hi, I have a issue with the car listed above SE model misfires. I just replaced my intake manifold and throttle body.
The intake air flow control valve.
Baffles and shaft moved properly checked it before I reinstalled it.
The lightning bolt indicator light came
On last week and car would barely run.
So I replaced the parts mentioned.
Upon starting the engine after repair
It still runs rough. My diagnostics test
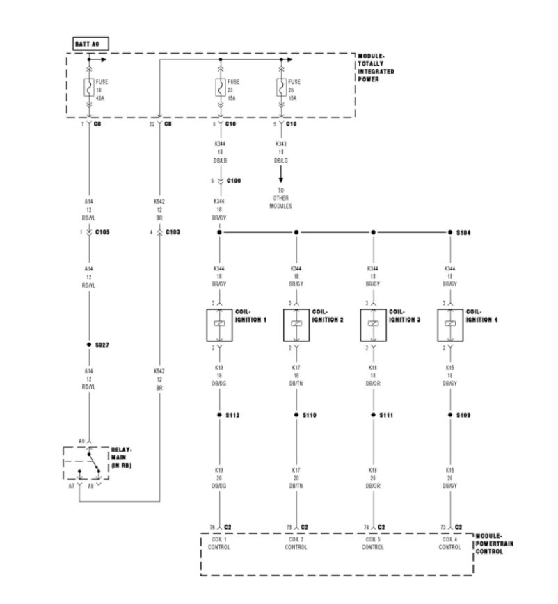
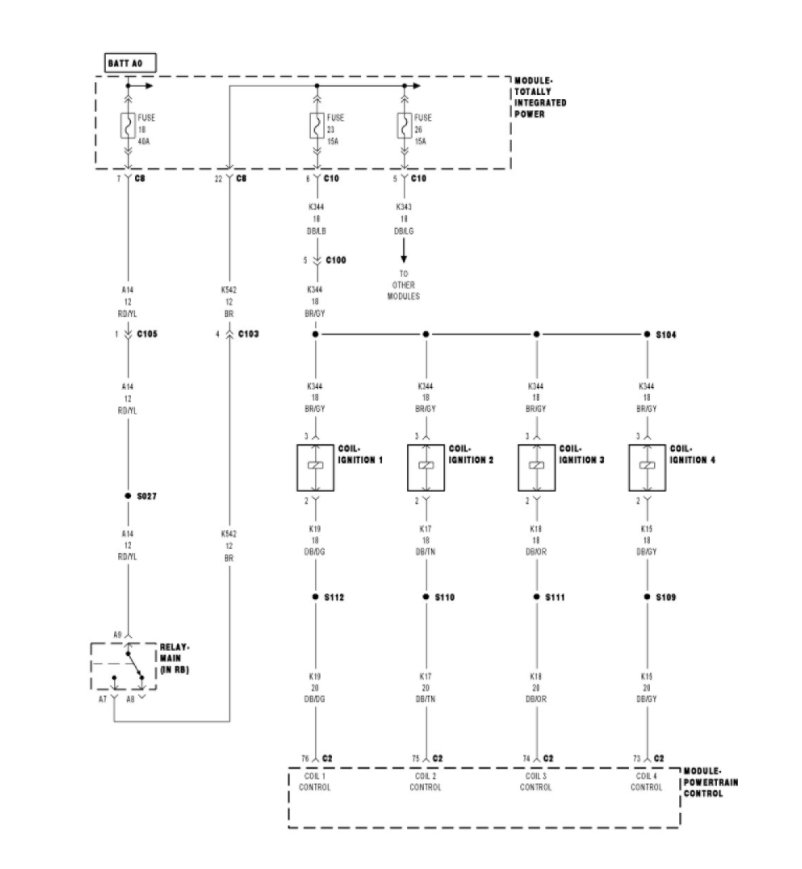
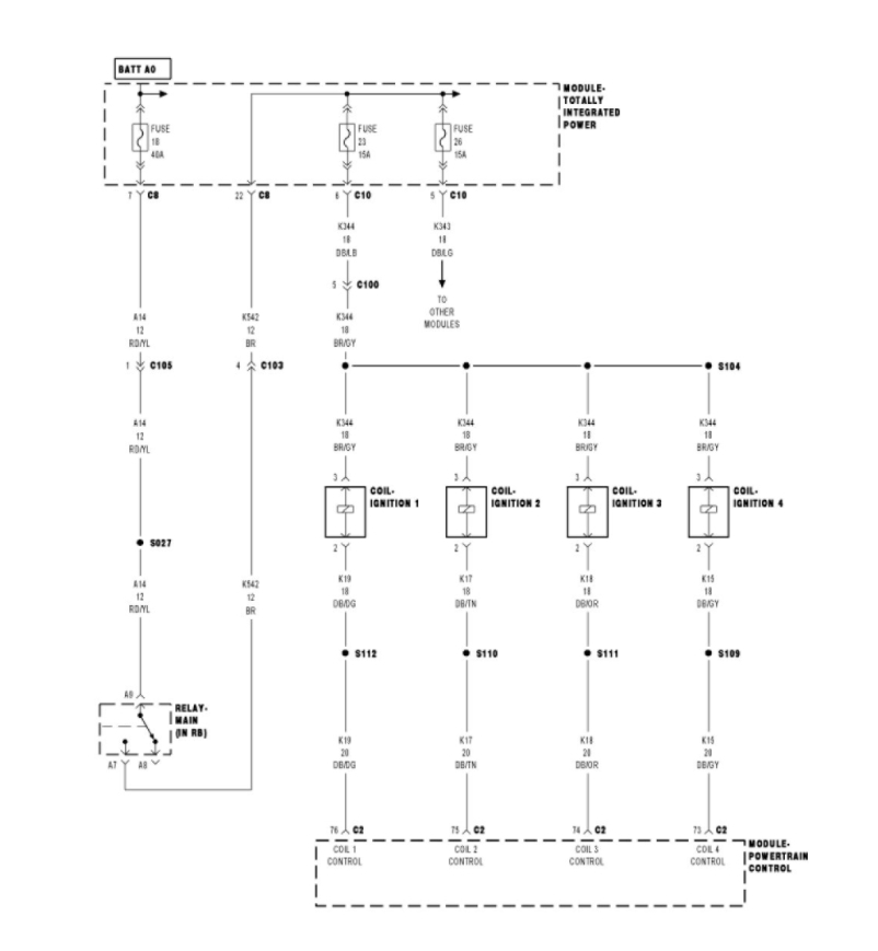
Shows this code.. p2311 ignition coil D ..secondary circuit. I'm not sure what that means. I just replaced all the coils couple of months ago. Because of a misfire code on different cylinder. I also replaced All fuel injectors. The car ran very good until one morning few weeks ago upon starting the car it made a popping noise in and shut off. After doing a scan I came up with codes leading me to make the repairs I just made. I'm not sure what to do next. This is a cheap diagnostics OBD11 and EOBD code reader. Ancel AD310. Would appreciate your professional opinion. Thanks, JC
The intake air flow control valve.
Baffles and shaft moved properly checked it before I reinstalled it.
The lightning bolt indicator light came
On last week and car would barely run.
So I replaced the parts mentioned.
Upon starting the engine after repair
It still runs rough. My diagnostics test
Shows this code.. p2311 ignition coil D ..secondary circuit. I'm not sure what that means. I just replaced all the coils couple of months ago. Because of a misfire code on different cylinder. I also replaced All fuel injectors. The car ran very good until one morning few weeks ago upon starting the car it made a popping noise in and shut off. After doing a scan I came up with codes leading me to make the repairs I just made. I'm not sure what to do next. This is a cheap diagnostics OBD11 and EOBD code reader. Ancel AD310. Would appreciate your professional opinion. Thanks, JC
Aug 8, 2021 at 9:29 AM


























