Knock sensor location

2007 BUICK LUCERNE
175,000 MILES • 3.8L • 6 CYL • 2WD • AUTOMATIC
Avatar
BLEIBY
  • MEMBER
  • 1 POST
Trouble code P0332 knock senor 2 bank 2. i was trying to figure out where this sensor is located there is not much information on the internet about the location and i was hoping someone could help me out with this.
Apr 8, 2019 at 5:40 PM
Advertisement
Avatar
JACOBANDNICKOLAS
  • CERTIFIED EXPERT
  • 110,175 POSTS
Welcome to CarPros.

Here are the directions for replacing the sensor. The attached pictures correlate with these directions as well as show location.

________________________________

KNOCK SENSOR 2 REPLACEMENT
Knock Sensor 2 Replacement

Removal Procedure

Caution: Hot engine coolant may cause severe burns. Although the cooling system has been drained, coolant still remains in the engine water jacket. This coolant will drain with the removal of the knock sensor.


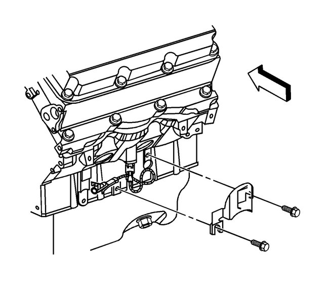
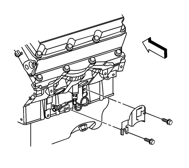
picture 1

1. Remove the knock sensor heat shield bolts and shield.


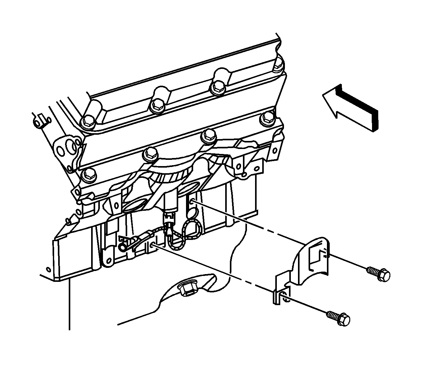
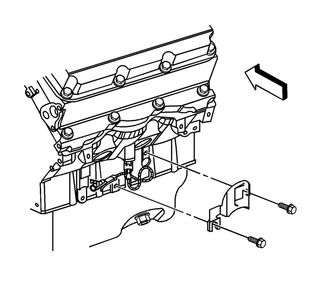
picture 2

2. Drain the cooling system. Refer to Draining and Filling Cooling System (Static Fill) Draining and Filling Cooling System (Vac-N-Fill).
3. Disconnect the knock sensor wiring harness electrical connector from the knock sensor.


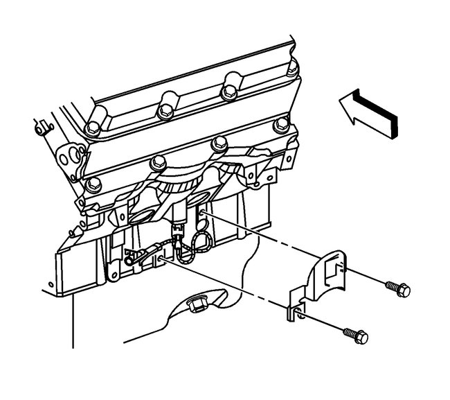
pic 3

4. Remove the knock sensor.

Installation Procedure


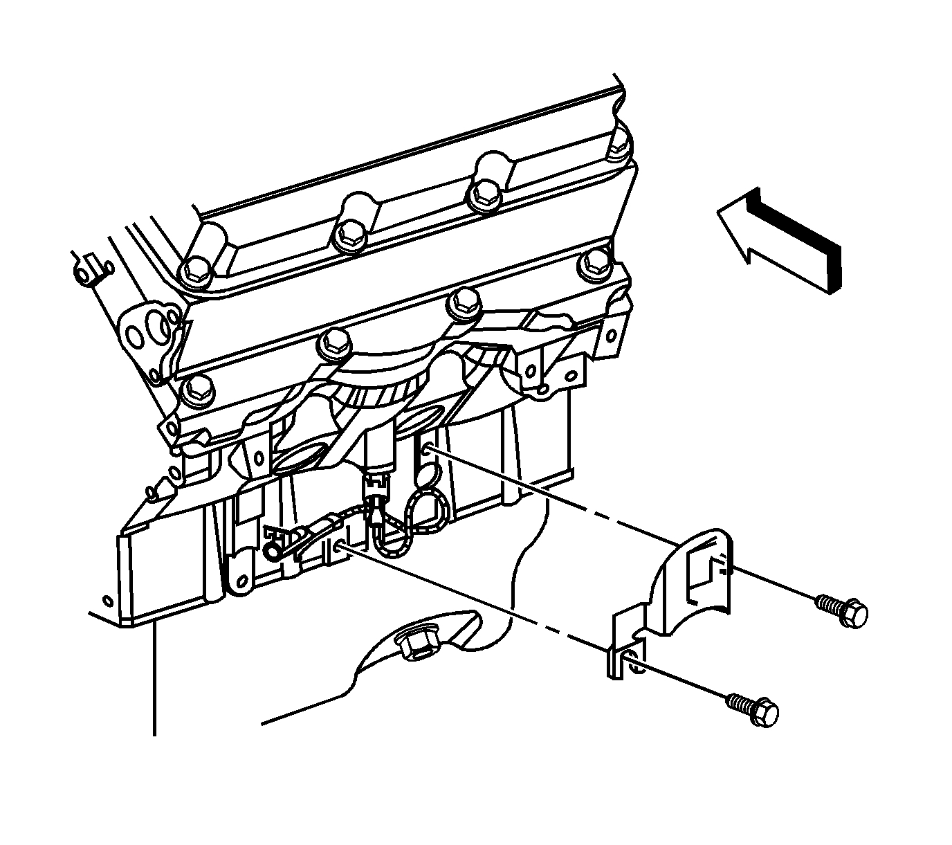
picture 4



Notice: Refer to Fastener Notice.

Important: DO NOT apply thread sealant to sensor threads. The sensor is coated at factory and applying additional sealant will affect the sensors ability to detect detonation.

1. Install the knock sensor.

Tighten the sensor to 18 N.m (13 lb ft).


picture 5

2. Connect the knock sensor wiring harness electrical connector to the knock sensor.


picture 6

3. Install the knock sensor heat shield and bolts.

Tighten the bolts to 60 N.m (44 lb ft).

4. Fill the cooling system. Refer to Draining and Filling Cooling System (Static Fill) Draining and Filling Cooling System (Vac-N-Fill).

_____________________________

Let me know if this is what you needed or if you have other questions.

Take care,
Joe
Apr 8, 2019 at 7:29 PM