Battery installed backwards, now vehicle will not start

2008 JEEP COMMANDER
147,000 MILES • 3.7L • V6 • 4WD • AUTOMATIC
Avatar
JBASSETT32
  • MEMBER
  • 1 POST
Went to change the battery and it got hooked up backwards. It sparked quick and smoked behind the fuse box. Did not try and turn the car on. We just unhooked backwards battery quickly but now the vehicle will not start. We checked fuse boxes and none look to be blown. We can’t figure out what is wrong now. We aren’t sure if it could be the starter, alternator or worse. Please help!
May 13, 2021 at 8:24 PM
Advertisement
Avatar
AL514
  • CERTIFIED EXPERT
  • 5,465 POSTS
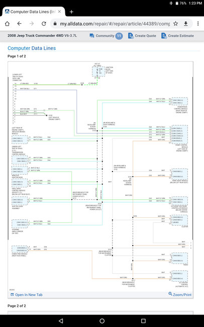
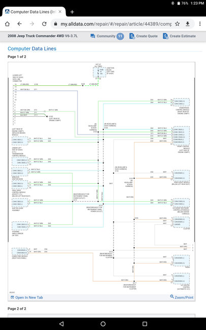
Hello, unfortunately hooking up a battery or charger the wrong way is one of the worst things that can happen to a vehicle. It sends current flow down all the ground circuits the wrong way and since there are no fuses on ground circuits, there is no protection. What usually happens is the engine computer, plus other modules will be burned up inside on the internal circuit boards. Since you saw smoke come out of the fuse box or integrated power module, which these 2 are under the hood, you're going to have to unbolt those and look underneath to see what got burned up first. I'm sorry to say this may be a very costly mistake. You may not find any fuses burnt because the current went the wrong way. I'm leaving some diagrams of the fuse box and power module. But it reality the computers and modules are going to need to be checked. The first 2 pictures are the data lines in the vehicle, this will show you all the modules/computers this vehicle has. The next few pictures are the underhood fuse panels. If you disconnect the battery first if it's hooked up at all. Then unbolt the fuse panel that smoked first and inspect it for any burned wires. Check them both. If you saw smoke, something melted. I won't leave the battery hooked up to this vehicle at all at this point. There could be a fire hazard. But start with looking for melted wires, if you're not experienced with working on cars and electrical systems, you're going to have a hard time with this one. A lot of different computers and modules will need their power and ground wires checked. Start under the hood, under those fuse panels and the wiring harness, and let us know what you see. Take pictures if possible. But from experience, I can say this type of thing can cause major damage.

Adding additional information.

https://www.2carpros.com/articles/how-a-car-electrical-system-works
https://www.2carpros.com/articles/how-to-check-wiring
May 14, 2021 at 12:30 PM