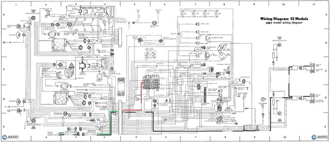
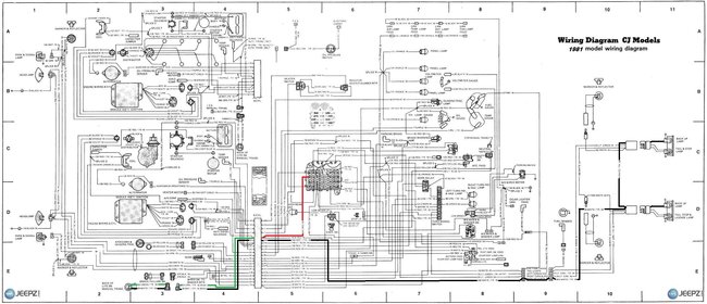
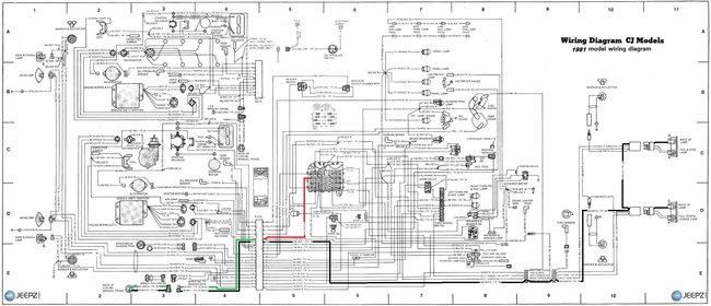
CJ MEDEVAC,Thank you for the whole diagram. I will need to study it close, but at quick glance I did not see the backup light switch. My vehicle was stripped of the wires to and from the backup light switch by the previous owner, so I need some help. I do not know where the wire would come from and where it might tie in. The switch sits right on top of the transmission. Any advice would be greatly appreciated.
Mar 10, 2018 at 5:57 PM








