Hi,
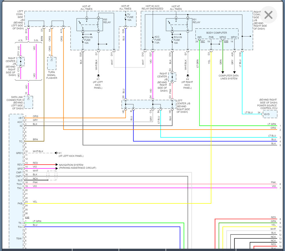
I had my backup cam working but I can't remember how I did it. I had to remove a faulty fuse box.
Now I am trying to rewire it to a phoenix px6 tablet screen.
need help finding the correct wires.
Thanks
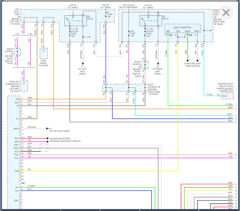
I had my backup cam working but I can't remember how I did it. I had to remove a faulty fuse box.
Now I am trying to rewire it to a phoenix px6 tablet screen.
need help finding the correct wires.
Thanks
Mar 2, 2022 at 8:47 AM



