Back up camera screen is not working properly

2013 FORD EXPLORER
176,000 MILES • 6 CYL • 2WD • AUTOMATIC
Avatar
BHAMDOC1
  • MEMBER
  • 101 POSTS
I am sure you guys have seen these issues before. Camera screen is black when in reverse. Head unit works as far as radio, nav and all. Where is the fuse to it first? And what is the most common issue with these?
Feb 9, 2022 at 11:28 AM
Advertisement
Avatar
KASEKENNY
  • CERTIFIED EXPERT
  • 18,907 POSTS
Unfortunately, this is a common issue on any vehicle with this type of back up camera. Basically, this is a shielded wire circuit so normally the issue is the camera itself.

However, there could be a wiring issue so if you want to unplug the connectors and check resistance of the circuit from end to end just to confirm there are no breaks in the wiring, then I would replace the camera.

Here is a guide that will help with this testing:

https://www.2carpros.com/articles/how-to-use-a-voltmeter

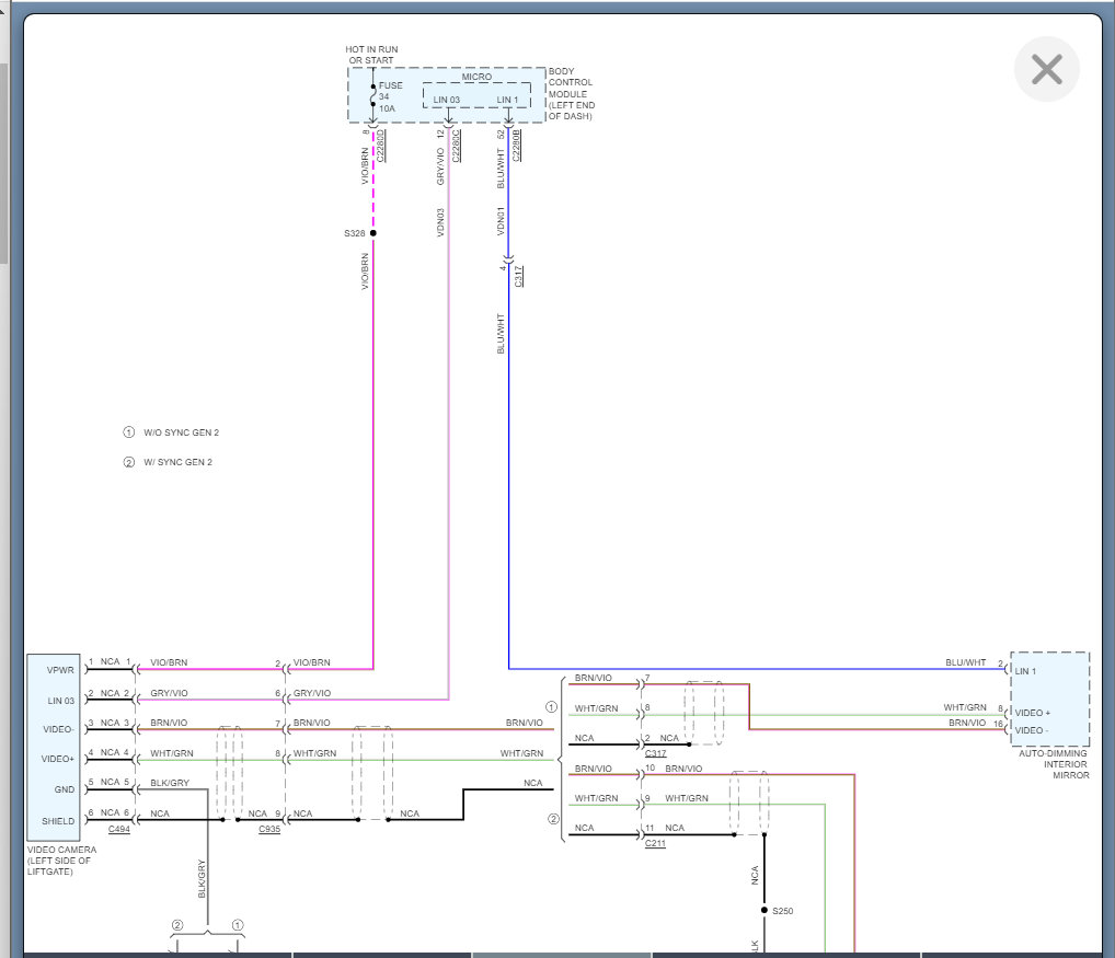
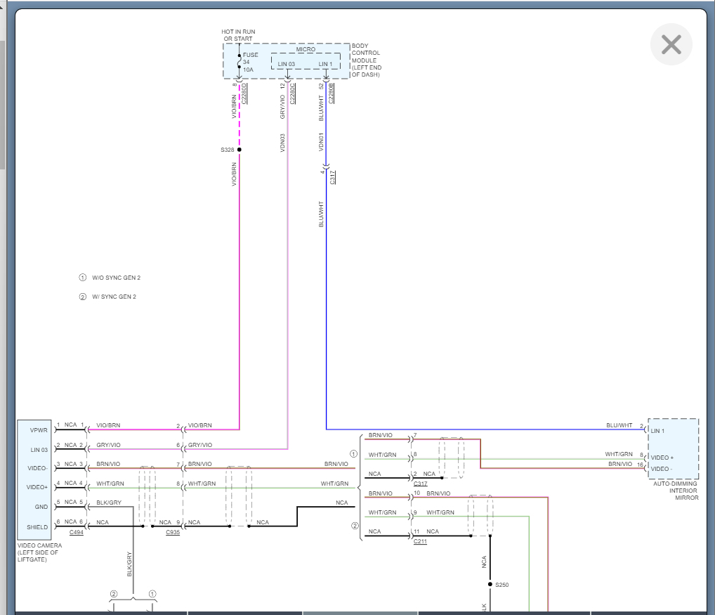
However, we should check the fuse as you suggested which is on the left side of the dash in the BCM. Fuse 34 is the fuse for the camera.

Next, we need to check the voltage on the LIN 3 circuit going to the camera as well.

https://www.2carpros.com/articles/how-to-check-wiring

Please see the info attached and let us know what you find. Thanks
Feb 10, 2022 at 8:45 AM
Avatar
BHAMDOC1973
  • MEMBER
  • 2,008 POSTS
It actually now works sometimes. When i first started it today all was good, including the lines. And then few minutes later it went into the camera unavailable, not sure if that can help you in directing me to a specific part to check.
Feb 10, 2022 at 9:17 AM
Advertisement
Avatar
KASEKENNY
  • CERTIFIED EXPERT
  • 18,907 POSTS
I would jump straight to the camera. The way we test these in the dealers and repair shops is to plug in a test camera that is provided by the OEM, and it displays "test" on the screen to show that everything is working but the camera.

However, I have seen this enough to know the camera is the most likely cause. Clearly, we should test the wiring as I explained above but the fact that it is intermittent makes that a little harder because you need to test it when the camera is not operating.

Lastly just to be clear, if your screen is saying, camera not available then that is pretty sure to be a camera issue.
Feb 10, 2022 at 9:27 AM
Avatar
BHAMDOC1973
  • MEMBER
  • 2,008 POSTS
If i buy a new camera aftermarket most likely won't work based on my readings.
If i buy an OEM it will work fine but if i need the lines to work and I will have to have the dealer program it, am i correct?
Feb 10, 2022 at 9:31 AM
Avatar
KASEKENNY
  • CERTIFIED EXPERT
  • 18,907 POSTS
It is unlikely that there is an aftermarket camera that will connect to the OEM connector and operate. There may be some that I am not aware of but most of them will be their own complete system. Meaning a camera, separate harness, and display unit.

If you buy an OEM camera then yes, it needs to be configured in order for the reverse lines to show up.

I attached the entire process below that tells you to do this.

I just want to stress that I am basing this off the info you provided and my experience with these things but if it were me, I would replace the camera. To confirm this, we would need to use a test camera and make sure it is the solution.
Feb 10, 2022 at 4:58 PM