parking lights and the lights that light up around the A/C and the shifter stopped working?

2006 TOYOTA MATRIX
299,999 MILES • 1.8L • 4 CYL • 2WD • AUTOMATIC
Avatar
  • MEMBER
  • 2 POSTS
My parking lights stopped working all of a sudden and so did the lights that light up around the A/C and the shifter. When I press the brake, it works the single lights work. ...
Aug 10, 2023 at 3:21 AM
Advertisement
Avatar
STEVE W.
  • CERTIFIED EXPERT
  • 15,113 POSTS
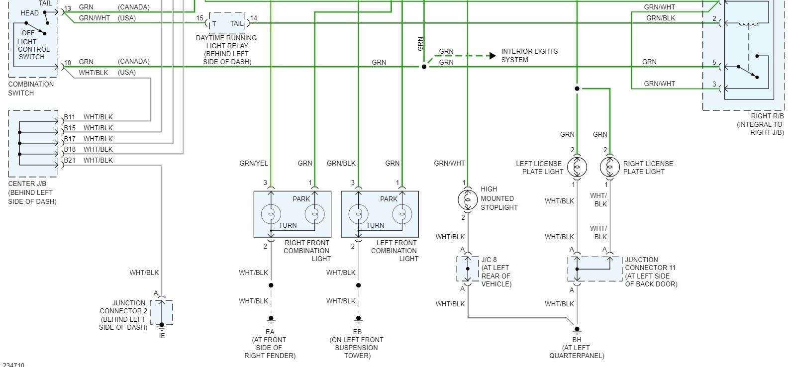
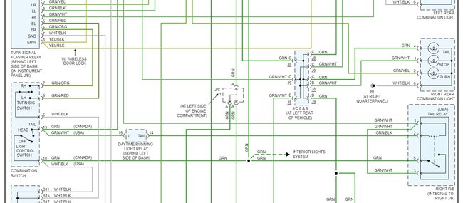
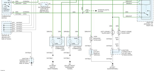
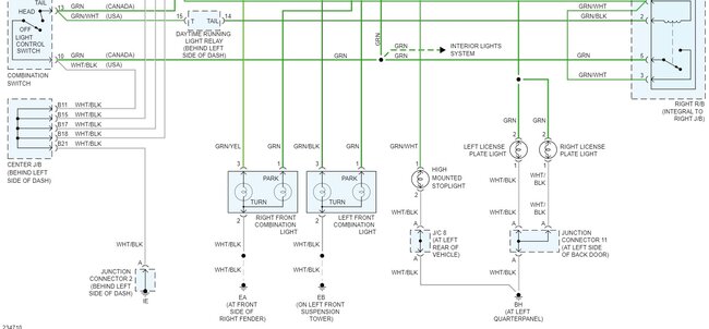
Okay, the first stop will be the taillight fuse in the left-hand junction box behind the dash. Use a test light to see if it has power to both sides.

https://www.2carpros.com/articles/how-to-use-a-test-light-circuit-tester

If the fuse tests good find the daytime running lamp relay located near that same box. Locate the Green wire with black stripe at pin 14. This is the control output for the light relay. Use the test light with it connected to ground and touch that wire so you ground the lights, with the key on the lights should come on. If they don't then it's the taillight relay which is part of the integrated power panel in the right side of the dash. It would need to be replaced and programmed. If they do come on, then it could be the relay you are at, or the combination switch itself. With the test light still grounded and the key on, touch the tip to pin 15 (green wire with white stripe) on the relay if the lights now come on but don't when you use the regular light switch then it's the combination switch that is bad. If the lights don't come on replace the DRL relay you were just testing at.
To replace the combination switch you remove the screws from the lower trim panel on the steering column, remove the panel, release the claw that holds the switch in place, remove the old unit and install the replacement.
Aug 10, 2023 at 5:16 AM
Avatar
  • MEMBER
  • 2 POSTS
Thank you Steve for your help I will be doing as you said once the sun comes up I'll keep you posted on my results later today.
Aug 11, 2023 at 2:28 AM
Advertisement
Avatar
STEVE W.
  • CERTIFIED EXPERT
  • 15,113 POSTS
We'll be here.
Aug 11, 2023 at 8:28 AM