Back running lights and license plate lights do not work

2000 BUICK REGAL
100,000 MILES • 6 CYL • AUTOMATIC
Avatar
JOLI329
  • MEMBER
  • 1 POST
Back running lights and license plate lights don't work.
Sep 2, 2019 at 7:26 AM
Advertisement
Avatar
JACOBANDNICKOLAS
  • CERTIFIED EXPERT
  • 110,175 POSTS
Welcome to 2CarPros.

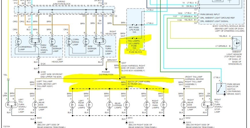
The first thing I suggest is to check the fuse I highlighted in pics 2 and 3. If you look at pic 1, you will see there is a separate fuse for those lights. It is located in the instrument panel fuse box in the vehicle.

Here are a few links you may find helpful:

https://www.2carpros.com/articles/how-a-car-fuse-works

https://www.2carpros.com/articles/how-to-check-a-car-fuse

https://www.2carpros.com/articles/how-to-use-a-test-light-circuit-tester

https://www.2carpros.com/articles/how-to-use-a-voltmeter

https://www.2carpros.com/articles/how-to-check-wiring

Let me know what you find.

Take care,
Joe
Sep 2, 2019 at 6:59 PM
Avatar
KASEKENNY
  • CERTIFIED EXPERT
  • 18,907 POSTS
Hi,

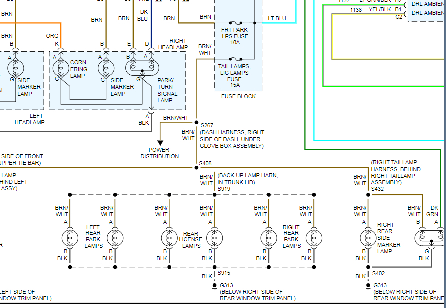
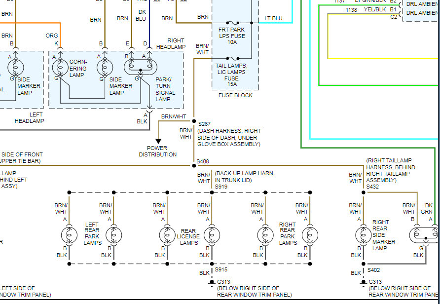
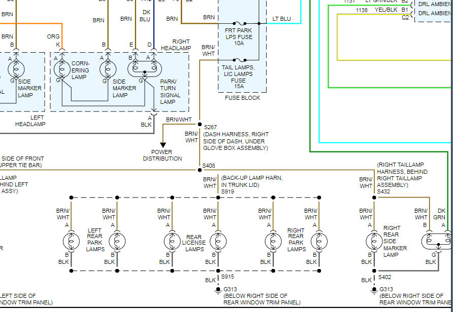
When you say running lights are you talking about the rear park lamps? If so, these lights all share a harness called the back up lamp harness. It is in the truck lid. I would remove the cover on the lid and trace the wiring to see if you have an issue. I attached the wiring diagram here so that you can trace the wires if needed. It is unlikely that this the ground because it shares the ground with other lights that appear to be working.

Let me know what you find and we can go from there. Thanks
Sep 2, 2019 at 6:59 PM
Advertisement