Back door will not open with key remote

2007 CHEVROLET EXPRESS
200,000 MILES • 4.0L • V8 • 2WD
Avatar
JAMES4629
  • MEMBER
  • 1 POST
Hi, my back door locks with the key fob but will not open with the key fob. I installed a brand new actuator assembly and the problem remains the same.
Nov 15, 2019 at 7:24 AM
Advertisement
Avatar
STRAILER
  • CERTIFIED EXPERT
  • 53,854 POSTS
Hello,

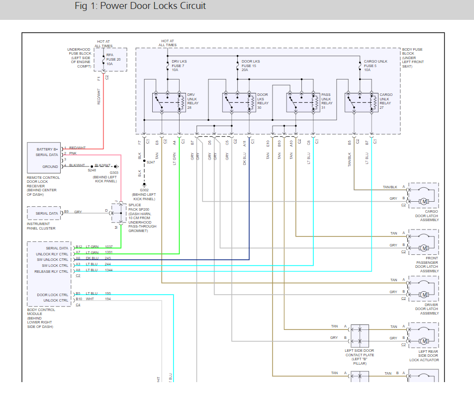
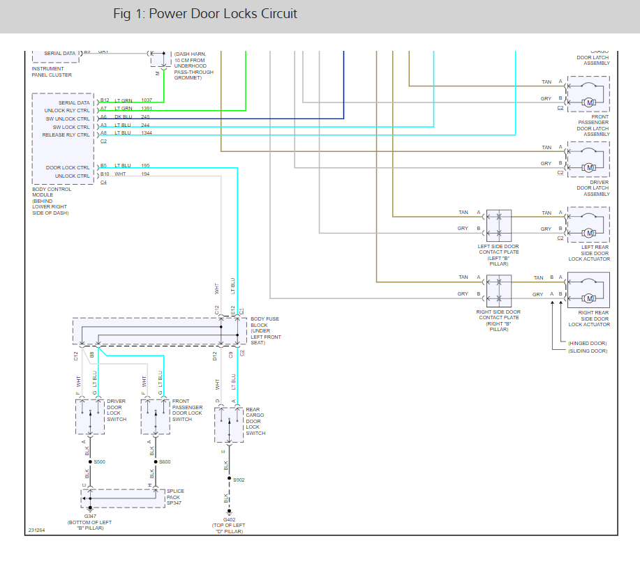
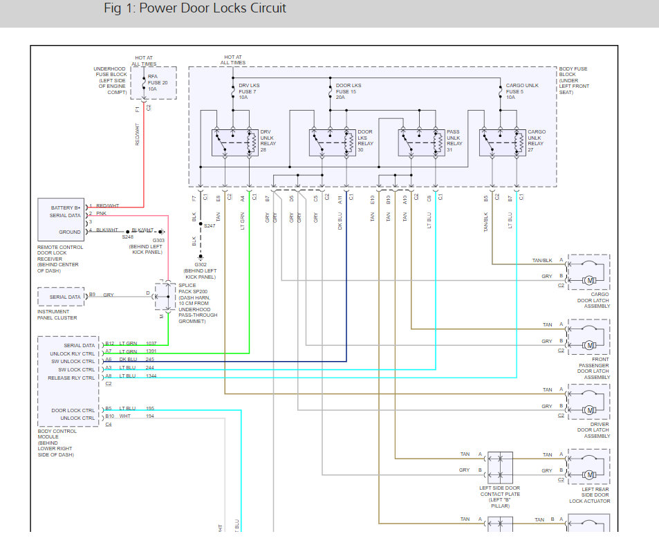
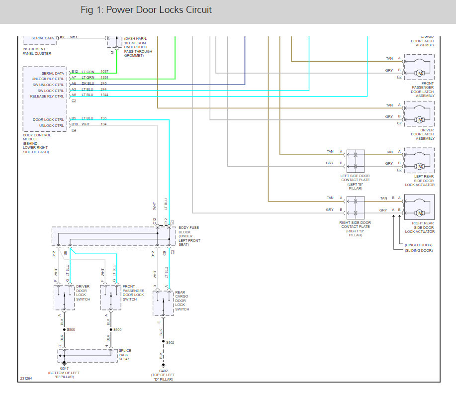
It sounds like you have a cargo unlock relay that is out. To be sure here is a guide to help test it with the relay location and I have included the lock system wiring diagrams so you can see how the system works:

https://www.2carpros.com/articles/how-to-check-an-electrical-relay-and-wiring-control-circuit

Can you please shoot a quick video with your phone so we can see what's going on, that would be great. You can upload it here with your response.Check out the diagrams (below). Please let us know what happens.
Nov 16, 2019 at 12:59 PM