Back door hatch not opening?

2007 MITSUBISHI ENDEAVOR
185,000 MILES • 0.5L • 6 CYL • 4WD • AUTOMATIC
Avatar
LMAEWALKER
  • MEMBER
  • 1 POST
Purchased a car in 2012. I was always able to open the back door hatch. I think it's about 2 years now that I have not been able to open it.
Jun 20, 2024 at 7:05 AM
Advertisement
Avatar
STRAILER
  • CERTIFIED EXPERT
  • 53,854 POSTS
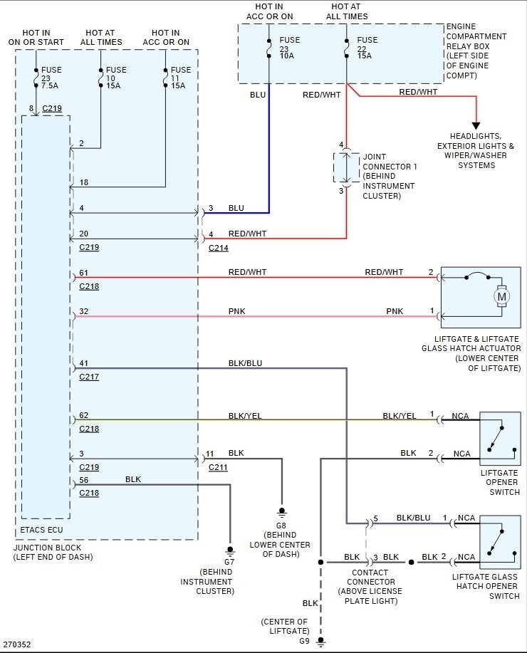
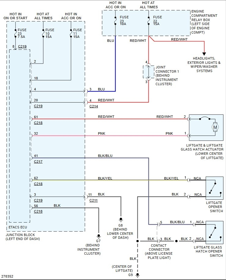
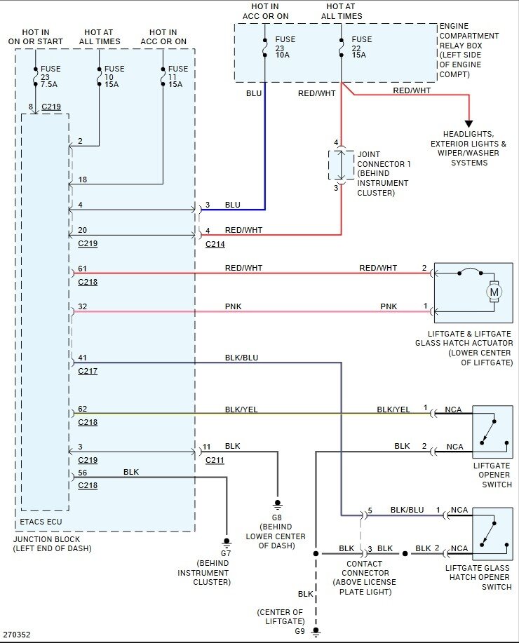
Work the latch key while pushing the liftgate inward and then pull it outward, sometimes the latch can hang up or the weather stripping can get sealed to the body. If this does not work it sounds like the activation rod has fallen off the latch opening control. You will need to remove the inner liftgate panel to activate the latch to open the liftgate and complete the repair. Here is a diagram to help you. Check out the images (below). Please upload pictures or videos in your response to any problems so we can see what to help you with.
Jun 20, 2024 at 2:03 PM
Avatar
STEVE W.
  • CERTIFIED EXPERT
  • 15,113 POSTS
Do you mean the rear lift gate, or the rear glass itself? What does it do when you try to release it? Click, nothing? Does the rear wiper work properly? The wiper needs to park fully on its own to enable the glass latch to operate. If it's the main hatch does the exterior handle work? If it's the glass hatch, then it's possible it's a broken wire that triggers the release in the hatch to release the glass. Please respond and we can see where to go from there.
Jun 20, 2024 at 2:43 PM
Advertisement