Lift gate and interior lights

2007 GMC YUKON
130,000 MILES • 6.2L • V8 • 4WD • AUTOMATIC
Avatar
JOE MURANO
  • MEMBER
  • 1 POST
Lift gate will not open and interior roof lights will not go off!
Aug 29, 2018 at 11:57 AM
Advertisement
Avatar
STRAILER
  • CERTIFIED EXPERT
  • 53,855 POSTS
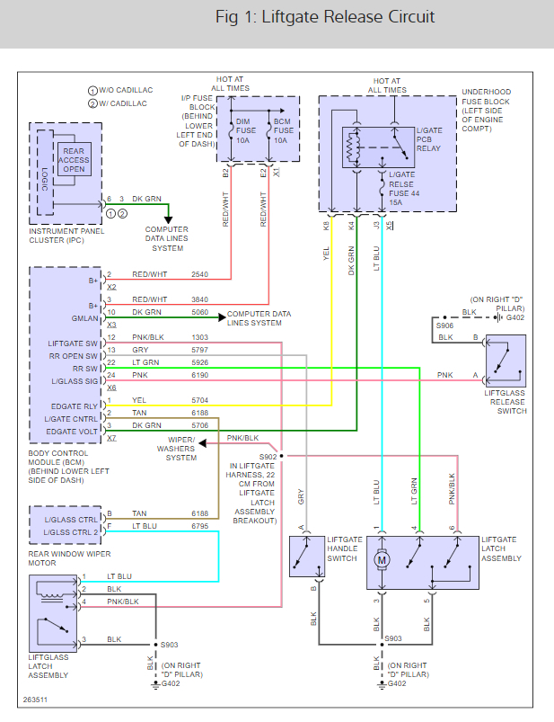
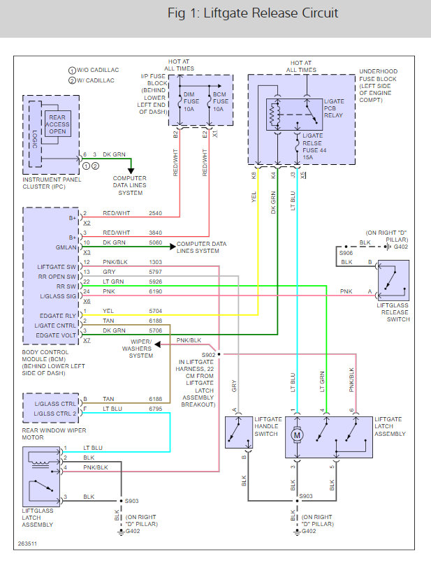
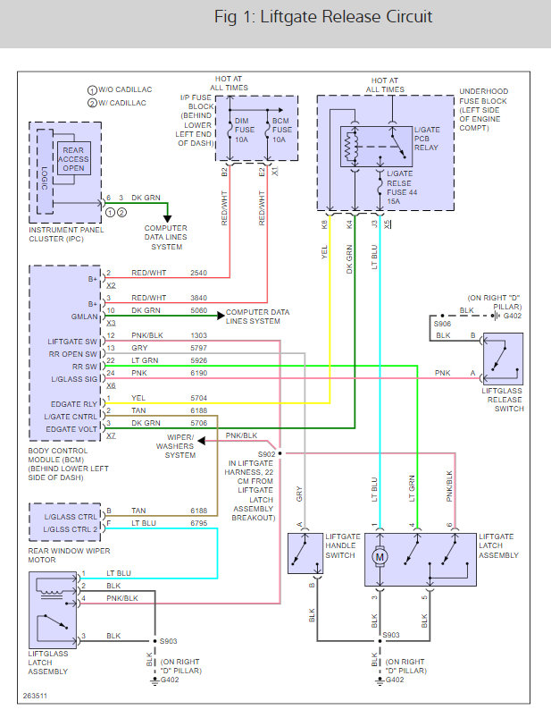
These trucks had a problem with the life gate motor going out which sounds like this is what happens to your car, but to be sure lets check the power and ground to the unit housing. This guide and the wiring diagrams below with the location of the life gate motor.

https://www.2carpros.com/articles/how-to-check-wiring

Check out the diagrams (below). Please let us know what you find. We are interested to see what it is.

Cheers, Ken
Aug 31, 2018 at 1:06 PM