☰
Login
Join
×
Home
Answered Questions
Repair Topics
Repair & Service Guides
Popular Questions
Warning Lights
Trouble Codes
How It Works
Testing / Diagnostics
Symptoms
Videos
Login
Become a Member
Home
Kia
Sedona
Climate Control
Air Conditioner
Switch
air conditioner selector switch
2004 KIA SEDONA
145,000 MILES
DEBBIE KANGAS-SLOMAN
MEMBER
1 POST
FOLLOW
air conditioner light does not come on and no control of air flow position.
Apr 17, 2017 at 8:49 AM
Advertisement
HMAC300
CERTIFIED EXPERT
48,601 POSTS
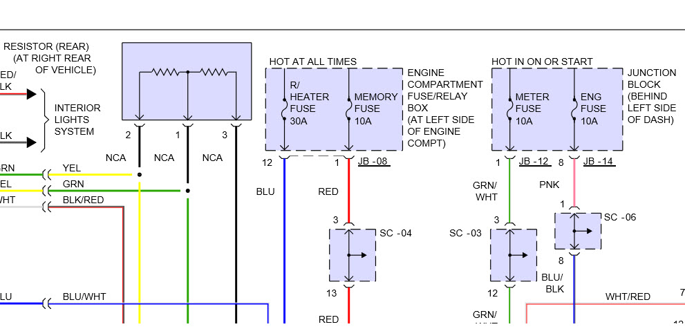
check fuses and relays under hood and ones in picture. then scan for codes you will need a professional style scanner for this.
Image (Click to enlarge)
Apr 17, 2017 at 10:02 AM