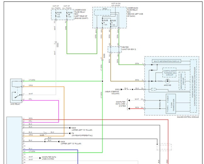
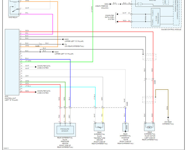
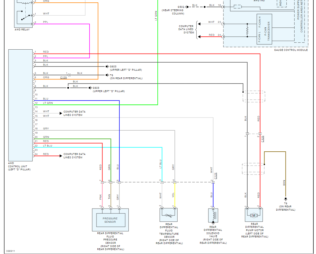
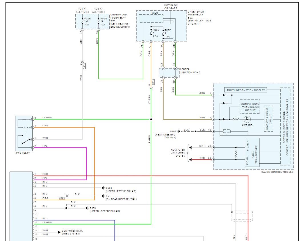
Hi Pros, can I have the AWD diagram can bus signals, light stays on dash, and these are the fault codes I get U100-00 / C1841-13. Please take a look at the images I sent.
Sep 30, 2024 at 1:42 PM
















